021-31001158  mmvalves@126.com

ZLF自力式控制阀

更新时间:2024-04-13 10:04:10

ZLF自力式控制阀

  • 1、产品型号:ZLF。
  • 2、公称通径:DN15~DN350。
  • 3、公称压力:1.6MPa。
  • 4、适用温度:-0ºC~+80ºC。
  • 5、阀体材质:球墨铸铁、铸钢、不锈钢。
  • 6、适用介质:水、油、液体。
  • 7、功能作用:控制流量、控制压力。
  • 8、连接方式:法兰式、内螺纹。
  • 9、驱动方式:自力式。
  • 10、制造标准:国标GB、德国DIN、美国API、ANSI。

产品说明

ZLF自力式控制阀是一种利用介质本身的压力变化来进行自我调控,从而保持流经该被控系统流量不变的阀门,ZLF自立式平衡阀具有流量指示,可在线调节,适用于供热及空调系统等非腐蚀性介质的流量控制。运行前一次性测试调节,可使系统流量自动恒定在预先设置的设定值。ZLF自力式控制阀流量调节准确,操作简单,运作平稳,性能可靠,使用寿命长。

产品特点

1、可按设计要求或实际要求设定流量,自动消除系统的压差波动,保持流量不变。
2、克服系统冷热不均现象,提高供冷水(热水)的质量。
3、彻底解决近端压差大,远差压差的矛盾。
4、减少系统循环水量,减低系统阻力。
5、减少设计工作量,不需对管道进行繁琐的水力平衡计算,管网设计简单,维修方便,节约造价。
6、采用先进的技术膜片,理论误差为零,且可承受0.8的压差,整圈流量显示均为测试值。

零部件材料

零件名称 材料
阀体、阀盖 灰铸铁、球铁、铸钢、不锈钢
阀杆 不锈钢
阀瓣 铸铜
膜片 丁腈橡胶

性能规范

型号 ZLF-16
公称压力 1.6 MPa
壳体试验压力 2.4MPa
使用介质 水、油等非腐蚀性液体
介质温度 0-80℃

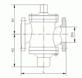
外形结构图

主要外形尺寸

产品型号 公称通径 (mm) L H1 H2 流量控制范围 m3/h
ZLF-16 15 110 122 70 0.1~1
ZLF-16 20 110 122 70 0.1~1.5
ZLF-16 25 115 137 74 0.2~2
ZLF-16 32 160 182 91 0.5~4
ZLF-16 40 200 191 147 1~6
ZLF-16 50 215 197 147 2~10
ZLF-16 65 230 205 154 3~15
ZLF-16 80 275 259 181 5~25
ZLF-16 100 290 268 211 10~35
ZLF-16 125 315 334 227 15~50
ZLF-16 150 350 357 260 30~80
ZLF-16 200 430 407 303 40~180
ZLF-16 250 520 452 367 100~300
ZLF-16 300 635 486 430 150~500
ZLF-16 350 670 555 495 200~700

安装示意图

上一篇:没有了 下一篇:没有了