| 公称压(Mpa) | 壳体试验压力(MPa) | 密封试验压力(MPa) | 适用介质 | 介质温度(℃) |
| 1.0 | 1.5 | 1.1 | 水 | 0-80 |
| 1.6 | 2.4 | 1.76 | ||
| 2.5 | 3.75 | 2.75 |
| 零件名称 | 零件材料 |
| 阀体阀盖 | WCB |
| 阀座阀盘 | 铜合金 |
| 密封圈 O型圈 | 丁腈橡胶 |
| 阀杆 | 2Cr13 |
| 弹簧 | 50CrVA |
| 针型阀 | 铜合金 |
| 球阀 | 铜合金 |
| 浮球阀 | 铜合金 |
| 微型过滤器 | 不锈钢 |
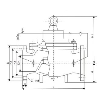
| DN | L | A | A1 | H | H1 | F |
D mm |
D1 mm |
D2 mm |
||||||
| mm | mm | mm | mm | mm | mm | PN1.0 | PN1.6 | PN2.5 | PN1.0 | PN1.6 | PN2.5 | PN1.0 | PN1.6 | PN2.5 | |
| 20 | 180 | 282 | 200 | 172 | 106 | 116 | 105 | 105 | 105 | 75 | 75 | 75 | 58 | 58 | 56 |
| 25 | 180 | 282 | 200 | 172 | 106 | 116 | 115 | 115 | 115 | 85 | 85 | 85 | 68 | 68 | 65 |
| 32 | 180 | 282 | 200 | 172 | 106 | 116 | 140 | 140 | 140 | 100 | 100 | 100 | 78 | 78 | 76 |
| 40 | 240 | 320 | 210 | 265 | 210 | 170 | 150 | 150 | 150 | 110 | 110 | 110 | 88 | 88 | 84 |
| 50 | 240 | 320 | 210 | 265 | 210 | 170 | 165 | 165 | 165 | 125 | 125 | 125 | 102 | 102 | 99 |
| 65 | 250 | 330 | 215 | 310 | 215 | 180 | 185 | 185 | 185 | 145 | 145 | 145 | 122 | 122 | 118 |
| 80 | 285 | 350 | 220 | 350 | 245 | 210 | 200 | 200 | 200 | 160 | 160 | 160 | 133 | 133 | 132 |
| 100 | 360 | 410 | 230 | 460 | 305 | 275 | 220 | 220 | 235 | 180 | 180 | 190 | 158 | 158 | 156 |
| 125 | 400 | 420 | 245 | 520 | 365 | 310 | 250 | 250 | 270 | 210 | 210 | 220 | 184 | 184 | 184 |
| 150 | 455 | 430 | 260 | 570 | 415 | 355 | 285 | 285 | 300 | 240 | 240 | 250 | 212 | 212 | 211 |
| 200 | 585 | 440 | 280 | 695 | 510 | 460 | 340 | 340 | 360 | 295 | 295 | 310 | 268 | 268 | 274 |
| 250 | 650 | 450 | 300 | 780 | 560 | 500 | 395 | 405 | 425 | 350 | 355 | 370 | 320 | 320 | 330 |
| 300 | 800 | 460 | 320 | 902 | 658 | 580 | 445 | 460 | 485 | 400 | 410 | 430 | 370 | 370 | 389 |
| 350 | 860 | 470 | 340 | 1025 | 696 | 640 | 505 | 520 | 555 | 460 | 470 | 490 | 430 | 430 | 448 |
| 400 | 960 | 480 | 360 | 1080 | 735 | 715 | 565 | 580 | 620 | 515 | 525 | 550 | 482 | 482 | 503 |
| 450 | 1075 | 530 | 395 | 1030 | 610 | 780 | 615 | 640 | 670 | 565 | 585 | 600 | 532 | 550 | 548 |
| 500 | 1075 | 580 | 420 | 1135 | 665 | 830 | 670 | 715 | 730 | 620 | 650 | 660 | 585 | 585 | 609 |
| 600 | 1230 | 600 | 445 | 1270 | 725 | 920 | 780 | 840 | 845 | 725 | 770 | 770 | 685 | 685 | 720 |
| 700 | 1650 | 730 | 495 | 1460 | 865 | 980 | 895 | 910 | 960 | 840 | 840 | 875 | 800 | 800 | 820 |
| 800 | 1750 | 830 | 530 | 1640 | 925 | 1050 | 1015 | 1025 | 1085 | 950 | 950 | 990 | 905 | 905 | 928 |
QQ: 769693943
Phone: 13816746668
Tel: 021-31001158
Email: 769693943
Add: 上海市金山区沪杭公路4169号