|
公称压力 PN |
常温最大 工作压力 |
壳体试 验压力 |
气密封 试验压力 |
高压密封 试验压力 |
| 1.6 | 1.6 | 2.4 | 0.6 | 1.76 |
| 2.5 | 2.5 | 3.8 | 0.6 | 2.75 |
| 4.0 | 4.0 | 6.0 | 0.6 | 4.4 |
| C1aSSl50 | 2.0 | 3.0 | 0.6 | 2.2 |
| 阀体\阀盖 | GB | WCB | ZGlCrl8Ni9Ti | ZGOCfl8Nil2M02Ti | |||
| ASTM | WCB | CF8 | CF8M | ||||
| 球体 | GB | 2Cfl3 | 1Cfl8Ni9Ti | 0Cfl8Ni12M02Ti | |||
| ASTM | 420 | 304 | 316 | ||||
| 阀杆 | GB | 2Crl3 | 1Crl8Ni9Ti | 0Crl8Ni12M02Ti | |||
| ASTM | 420 | 304 | 316 | ||||
|
阀座 密封面 |
GB |
聚四氟乙烯 |
对位聚苯 | 聚四氟乙烯 | 对位聚苯 |
聚四氟乙烯 |
对位聚苯 |
| ASTM | |||||||
| 填料 | GB | 柔性石墨 | 柔性石墨 | 柔性石墨 | |||
| ASTM | |||||||
| 螺栓 | GB | 35 | 0Crl8Ni9 | 0Crl8Ni9 | |||
| ASTM | A193B7 | A320-B8 | A320-B8 | ||||
| 螺母 | GB | 45 | 0Cfl8Ni9 | 0Crl8Ni9 | |||
| ASTM | A1942H | A194-8 | A194-8 | ||||
|
公称压力 PN |
公称通径 DN |
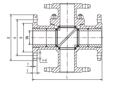
尺 寸(mm) | |||||||||
| L | L0 | D | K | d | Y | b | z-do | Hw | Hd | ||
| 1.6MPa | 50 | 260 | 130 | 165 | 125 | 100 |
|
16 | 4-ф18 | 205 | 265 |
| 65 | 320 | 160 | 185 | 145 | 120 |
|
18 | 4-ф18 | 245 | 295 | |
| 80 | 320 | 160 | 200 | 160 | 135 |
|
20 | 8-ф18 | 305 | 345 | |
| 100 | 370 | 185 | 220 | 180 | 155 |
|
20 | 8-ф18 | 340 | 420 | |
| 125 | 510 | 255 | 250 | 210 | 185 |
|
22 | 8-ф18 | 425 | 465 | |
| 150 | 510 | 255 | 285 | 240 | 2"0 |
|
24 | 8-ф23 | 450 | 505 | |
| 200 | 580 | 290 | 340 | 295 | 265 |
|
26 | 12-ф23 | 480 | 525 | |
| 250 | 670 | 335 | 405 | 355 | 320 |
|
30 | 12-ф25 | 530 | 565 | |
| 300 | 760 | 380 | 460 | 410 | 375 |
|
30 | 12-ф25 | 585 | 630 | |
| 350 | 850 | 425 | 520 | 470 | 435 |
|
34 | 16-ф25 | 625 | 675 | |
| 400 | 980 | 490 | 580 | 525 | 485 |
|
36 | 16-ф30 | 670 | 710 | |
| 450 | 1080 | 540 | 640 | 585 | 545 |
|
40 | 20-ф30 | 705 | 770 | |
| 500 | 1220 | 610 | 715 | 650 | 608 |
|
44 | 20-ф34 | 765 | 825 | |
| 600 | 1360 | 680 | 840 | 770 | 718 |
|
48 | 20-ф41 | 840 | 945 | |
| 700 | 1750 | 875 | 910 | 840 | 788 |
|
50 | 24-ф41 | 1050 | 1110 | |
| 800 | 1850 | 925 | 1025 | 950 | 898 |
|
52 | 24-ф41 | 1125 | 1220 | |
| 900 | 2050 | 1025 | 1125 | 1050 | 998 |
|
54 | 28-ф41 | 1260 | 1315 | |
| 1000 | 2150 | 1075 | 1255 | 1170 | 1110 |
|
56 | 28-ф48 | 1325 | 1385 | |
| 1200 | 2450 | 1225 | 1485 | 1390 | 1325 |
|
58 | 32-ф54 | 1395 | 1450 | |
| 2.5MPa | 50 | 260 | 130 | 165 | 125 | 100 |
|
20 | 4-ф18 | 205 | 265 |
| 65 | 320 | 160 | 185 | 145 | 120 |
|
22 | 8-ф18 | 245 | 295 | |
| 80 | 320 | 160 | 200 | 160 | 135 |
|
22 | 8-ф18 | 305 | 345 | |
| 100 | 370 | 185 | 230 | 190 | 160 |
|
24 | 8-ф23 | 340 | 420 | |
| 125 | 510 | 255 | 270 | 220 | 188 |
|
28 | 8-ф25 | 405 | 465 | |
| 150 | 510 | 255 | 300 | 250 | 218 |
|
30 | 8-ф25 | 450 | 505 | |
| 200 | 580 | 290 | 360 | 310 | 278 |
|
34 | 12-ф25 | 480 | 525 | |
| 250 | 670 | 335 | 425 | 370 | 332 |
|
36 | 12-ф30 | 530 | 565 | |
| 300 | 760 | 380 | 485 | 430 | 390 |
|
40 | 16-ф30 | 585 | 630 | |
| 350 | 850 | 425 | 555 | 490 | 448 |
|
44 | 16-ф34 | 625 | 675 | |
| 400 | 980 | 490 | 620 | 550 | 505 |
|
48 | 16-ф34 | 670 | 710 | |
| 450 | 1080 | 540 | 670 | 600 | 555 |
|
50 | 20-ф34 | 705 | 770 | |
| 500 | 1220 | 610 | 730 | 660 | 610 |
|
52 | 20-ф41 | 765 | 825 | |
| 600 | 1360 | 680 | 845 | 770 | 718 |
|
56 | 20-041 | 840 | 945 | |
| 700 | 1750 | 875 | 960 | 875 | 815 |
|
60 | 24-ф48 | 1050 | 1110 | |
| 800 | 1850 | 925 | 1085 | 990 | 930 |
|
64 | 24-ф48 | 1125 | 1220 | |
| 900 | 2050 | 1025 | 1185 | 1090 | 1025 |
|
66 | 28-ф54 | 1260 | 1315 | |
| 1000 | 2150 | 1075 | 1320 | 1210 | 1140 |
|
68 | 28-ф58 | 1325 | 1385 | |
| 1200 | 2450 | 1225 | 1520 | 1420 | 1350 |
|
72 | 32-ф58 | 1395 | 1450 | |
|
4.0MPa |
50 | 260 | 130 | 165 | 125 | 100 | 88 | 20 | 8-ф18 | 245 | 285 |
| 65 | 320 | 160 | 185 | 145 | 120 | 110 | 22 | 8-ф18 | 265 | 315 | |
| 80 | 320 | 160 | 200 | 160 | 135 | 121 | 22 | 8-ф18 | 320 | 365 | |
| 100 | 370 | 185 | 235 | 190 | 160 | 150 | 24 | 8-ф23 | 355 | 465 | |
| 125 | 510 | 255 | 270 | 220 | 188 | 176 | 28 | 8-ф25 | 425 | 495 | |
| 150 | 510 | 255 | 300 | 250 | 218 | 204 | 30 | 8-ф25 | 470 | 535 | |
| 200 | 580 | 290 | 375 | 320 | 282 | 260 | 38 | 12-ф30 | 480 | 565 | |
| 250 | 670 | 335 | 450 | 385 | 345 | 313 | 42 | 12-ф34 | 530 | 605 | |
| 300 | 760 | 380 | 515 | 450 | 408 | 364 | 46 | 16-ф34 | 585 | 675 | |
| 350 | 850 | 425 | 580 | 510 | 465 | 422 | 52 | 16-ф34 | 625 | 705 | |
| 400 | 980 | 490 | 660 | 585 | 535 | 474 | 58 | 16-ф41 | 670 | 745 | |
| 450 | 1080 | 540 | 685 | 610 | 560 | 524 | 60 | 20-ф41 | 705 | 795 | |
| 500 | 1220 | 610 | 755 | 670 | 612 | 576 | 62 | 20-ф48 | 765 | 855 | |
| 600 | 1360 | 680 | 890 | 795 | 730 | 678 | 62 | 20-ф54 | 840 | 985 | |
|
C1aSS150 |
2" | 260 | 130 | 152 | 120.5 | 92 | 16 | 伞φ19 | 205 | 265 | |
| 2 1/2" | 320 | 160 | 178 | 139.5 | 105 | 18 | 4-ф19 | 245 | 295 | ||
| 3" | 320 | 160 | 190 | 152.5 | 127 | 19 | 4-ф19 | 305 | 345 | ||
| 4" | 370 | 185 | 229 | 190.5 | 157 | 24 | 8-ф19 | 340 | 420 | ||
| 5" | 510 | 255 | 254 | 216 | 186 | 24 | 8-ф22 | 425 | 465 | ||
| 6" | 510 | 255 | 279 | 241.5 | 216 | 26 | 8-ф22 | 450 | 505 | ||
| 8" | 580 | 290 | 343 | 298.5 | 270 | 29 | 8-ф22 | 530 | 525 | ||
| 10" | 670 | 335 | 406 | 362 | 324 | 31 | 12-ф25 | 630 | 565 | ||
| 12" | 760 | 380 | 483 | 432 | 381 | 32 | 12-ф25 | 680 | 630 | ||
| 14" | 850 | 425 | 533 | 476 | 413 | 35 | 12-ф29 | 625 | 675 | ||
| 16" | 980 | 490 | 597 | 540 | 470 | 37 | 16-ф29 | 670 | 710 | ||
| 18" | 1080 | 540 | 635 | 578 | 533 | 40 | 16-ф32 | 705 | 770 | ||
| 20" | 1220 | 610 | 699 | 635 | 584 | 43 | 20-ф32 | 765 | 825 | ||
| 24" | 1360 | 680 | 813 | 749.5 | 692 | 48 | 20。ф35 | 840 | 945 | ||
| 28" | 1750 | 875 | 927 | 864 | 800 | 71 | 28-ф35 | 1050 | 1110 | ||
| 32" | 1850 | 925 | 1060 | 978 | 914 | 81 | 28-ф41 | 1125 | 1220 | ||
| 36" | 2050 | 1025 | 1168 | 1086 | 1022 | 90 | 32-ф41 | 1260 | 1315 | ||
| 40" | 2150 | 1075 | 1289 | 1200 | 1124 | 90 | 36-ф41 | 1325 | 1385 | ||
| 48" | 2450 | 1225 | 1511 | 1422 | 1359 | 108 | 44-ф41 | 1395 | 1450 | ||
QQ: 769693943
Phone: 13816746668
Tel: 021-31001158
Email: 769693943
Add: 上海市金山区沪杭公路4169号