| 设计与制造 | GB12237-89、API608、API 6D、JPI 7S-48、BS5351、DIN3357 |
| 法兰尺寸 | JB/T74~90(JB74~90)、GB9112~9131、HGJ44~76、SH3406、ANSI B16.5、JIS B2212~2214 |
| 结构长度 | GB12221-89、ANSI B16.10、JIS B2002、NF E29-305、DIN3202 |
| 检验与试验 | JB/T9113.1、API 598 |
| 公称通径DN(mm) | 15 | 20 | 25 | 32 | 40 | 50 | 65 | 80 | 100 | 125 | 150 | 200 |
| 额定流量系数KV | 21 | 38 | 72 | 112 | 170 | 273 | 384 | 512 | 940 | 1452 | 2222 | 3589 |
| 公称压力(MPa) | PN1.6、2.5、4.0、6.4 MPa;ANSI 150、300LB | |||||||||||
| 阀体形式 | 两段式铸造球阀 | |||||||||||
| 连接形式 | 法兰式、焊接式、对夹式、螺纹式 | |||||||||||
| 阀芯形式 | "O"型球形阀芯 | |||||||||||
| 密封填料 | V型聚四氟乙烯填料、柔性石墨填料等 | |||||||||||
| 流量特性 | 近似快开型 | |||||||||||
| 动作范围 | 0~90° | |||||||||||
| 泄露量Q | 按GB/T4213-92,小于额定KV0.01% | |||||||||||
| 基本误差 | 带定位器:小于全行程的±2% | |||||||||||
| 回差 | 带定位器:小于全行程的2% | |||||||||||
| 执行器型号 | GT、SR、ST、AT、AW系列单双作用气动执行器 |
| 供气压力 | 0.4~0.7MPa |
| 气源接口 | G1/4"、G1/8"、G3/8"、G1/2" |
| 环境温度 | -30~+70℃ |
| 作用形式 |
单作用执行机构:气关式(B)--失气时阀位开(FO);气开式(K)--失气时阀位关(FC) 双作用执行机构:气关式(B)--失气时阀位保持(FL);气开式(K)-- 失气时阀位保持(FL) |
| 可配附件 | 定位器、电磁阀、空气过滤减压器、保位阀、行程开关、阀位传送器、手轮机构等 |
| 零件名称 | 材料 | |||
| 阀体 | WCB | 304(CF8) | 316(CF8M) | 316L(CF3M) |
| 球体 | 2Cr13+氮化处理 | 304 | 316 | 316L |
| 阀杆 | 2Cr13 | 304 | 316 | 316L |
| 阀座密封圈 | PTFE(聚四氟乙烯)、PPL(对位聚苯)、金属密封(硬质合金) | |||
| 填料 | V型PTFE四氟填料、柔性石墨 | |||
| 试验标准 | 公称压力(Mpa) | 压力级(class) | JIS(Mpa) | |||||||
| 试验压力(Mpa) | 1.6 | 2.5 | 4.0 | 6.4 | 10.0 | 150 | 300 | 600 | 10K | 20K |
| 强度试验 | 2.4 | 3.8 | 6.0 | 9.6 | 15.0 | 3.1 | 7.8 | 15.3 | 2.4 | 3.8 |
| 密封试验 | 1.8 | 2.8 | 4.4 | 7.0 | 11.0 | 2.2 | 5.6 | 11.2 | 1.5 | 2.8 |
| 气密试验 | 0.5~0.7 | |||||||||
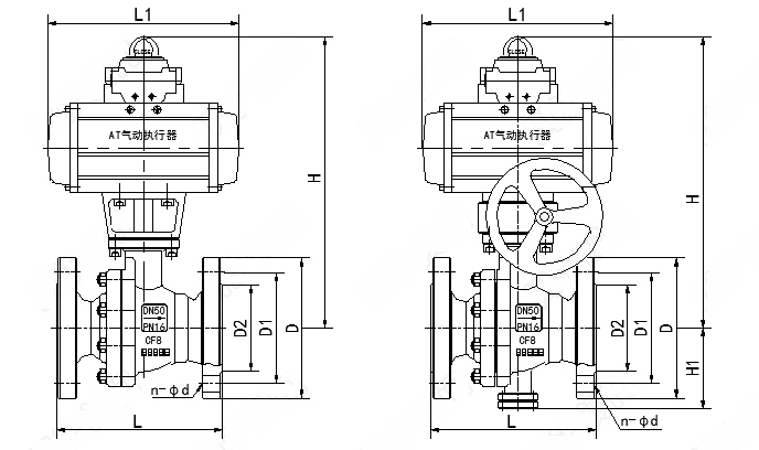
| 公称通径DN(mm) | 主要尺寸 | 法兰尺寸 | ||||||||||
| PN1.6MPa | PN2.5MPa | |||||||||||
| L | H | H1 | L1 | D | D1 | D2 | n-φd | D | D1 | D2 | n-φd | |
| 15 | 130 | 185 | / | 140 | 95 | 65 | 46 | 4-14 | 95 | 65 | 46 | 4-14 |
| 20 | 140 | 191 | / | 140 | 105 | 75 | 45 | 4-14 | 105 | 75 | 56 | 4-14 |
| 25 | 150 | 193 | / | 140 | 115 | 85 | 65 | 4-14 | 115 | 85 | 65 | 4-14 |
| 32 | 165 | 212 | / | 164 | 140 | 100 | 76 | 4-18 | 140 | 100 | 76 | 4-18 |
| 40 | 180 | 217 | / | 164 | 150 | 110 | 84 | 4-18 | 150 | 110 | 84 | 4-18 |
| 50 | 200 | 260 | 102 | 190 | 165 | 125 | 99 | 4-18 | 165 | 125 | 99 | 4-18 |
| 65 | 220 | 293 | 114 | 210 | 185 | 145 | 118 | 4-18 | 185 | 145 | 118 | 8-18 |
| 80 | 250 | 323 | 127 | 247 | 200 | 160 | 132 | 8-18 | 200 | 160 | 132 | 8-18 |
| 100 | 280 | 382 | 152 | 276 | 220 | 180 | 156 | 8-18 | 235 | 190 | 156 | 8-22 |
| 125 | 320 | 468 | 184 | 348 | 250 | 210 | 184 | 8-18 | 270 | 220 | 184 | 8-26 |
| 150 | 360 | 510 | 219 | 378 | 285 | 240 | 211 | 8-22 | 300 | 250 | 211 | 8-26 |
| 200 | 400 | 655 | 273 | 524 | 340 | 295 | 266 | 12-22 | 360 | 310 | 274 | 12-26 |
| 250 | 630 | / | 360 | / | 405 | 355 | 319 | 12-26 | 425 | 370 | 330 | 12-30 |
| 300 | 750 | / | 395 | / | 460 | 410 | 370 | 12-26 | 485 | 430 | 389 | 16-30 |
QQ: 769693943
Phone: 13816746668
Tel: 021-31001158
Email: 769693943
Add: 上海市金山区沪杭公路4169号