021-31001158  mmvalves@126.com

Q641F气动带手动球阀

更新时间:2024-04-13 10:04:26

Q641F气动带手动球阀

  • 1、产品型号:Q641F。
  • 2、公称通径:DN15~DN400。
  • 3、公称压力:1.6Mpa~32.0Mpa。
  • 4、适用温度:-29~180ºC~550ºC。
  • 5、阀体材质:铸钢、不锈钢。
  • 6、适用介质:水、油、气体、液体。
  • 7、结构形式:球形。
  • 8、连接方式:法兰、对夹、螺纹、焊接。
  • 9、驱动方式:气动(可佩带手操)。
  • 10、制造标准:国标GB、德国DIN、美国API、ANSI。

产品说明

Q641F气动带手动球阀采用高精度气动执行器及精铸球阀组成。主要分为气动带手动软密封球阀(≤180°)及气动带手动硬密封球阀(≤550°)两大类。气动带手动球阀具有结构紧凑、体积精小、运行可靠、流阻系数低、密封性好、维修容易、安装方便、适应性强等优点。气动带手动球阀可配行程限位开关、电磁阀、减压阀及0.4-0.7MPa气源可实现开关操作,并送出二对无源触点信号指示阀门的开关。气动球阀特别适合于介质是粘稠、含颗粒、纤维性质的场合。气动带手动球阀广泛应用于石油、化工、教学设备、轻工、高压设备、制药、造纸等工业自动控制系统中,作远距离集中控制或就地控制。
产品特点
(1)流体阻力小、球阀是所有阀类中流体阻力最小的一种,即使是缩径球阀,其流体阻力也相当小。
(2)止推轴承减小阀杆摩擦力矩,可使阀杆长期操作平衡灵活。
(3)阀座密封性能好,采用聚四氟乙烯等材料制成的密封圈,结构易于密封,而且球阀的阀封能力随着介质压力的增设而增大。
(4)阀杆密封可靠,由于阀杆只作旋转运动而不做升降运动,阀杆的填料密封不易破坏,且密封能力随着介质的压力增设而增大。
(5)由于聚四氟乙烯等材料具有良好的自润滑性,与球体的摩擦损失小,帮球阀的使用寿命长。
(6)下装式阀杆和阀杆头部凸阶防止阀杆喷出,如火灾造成阀杆密封破坏,凸阶与阀体间还可形成金属接触,确保阀杆密封。

技术参数

公称通径DN(mm) 15 20 25 32 40 50 65 80 100 125 150 200
额定流量系数KV 21 38 72 112 170 273 384 512 940 1452 2222 3589
公称压力(MPa) PN1.6、2.5、4.0、6.4 MPa;ANSI 150、300LB
允许压差(MPa) ≤公称压力
阀体形式 两段式铸造球阀
连接形式 法兰式、焊接式、螺纹式
阀芯形式 "O"型球形阀芯
密封填料 V型聚四氟乙烯填料、柔性石墨填料等
流量特性 近似快开型
动作范围 0~90°
泄露量Q 按GB/T4213-92,小于额定KV0.01%
可调范围 250:1 350:1
配置执行机构 可配GT、SR、ST、AT、AW等系列气动执行机构
控制方式 开关型(开关两位控制)、调节型(4~20mA控制)
执行器参数
执行器型号 GT、AT、AR、AW系列单双作用气动执行器
供气压力 0.4~0.7MPa
气源接口 G1/4"、G1/8"、G3/8"、G1/2"
环境温度 -30~+70℃
作用形式 单作用执行机构:气关式(B)--失气时阀位开(FO);气开式(K)--失气时阀位关(FC)
双作用执行机构:气关式(B)--失气时阀位保持(FL);气开式(K)-- 失气时阀位保持(FL)
可配附件 定位器、电磁阀、空气过滤减压器、保位阀、行程开关、阀位传送器、手轮机构等

零件材料

零件名称 材料
阀体 WCB 304(CF8) 316(CF8M) 316L(CF3M)
球体 2Cr13+氮化处理 304 316 316L
阀杆 2Cr13 304 316 316L
阀座密封圈 PTFE(聚四氟乙烯)、PPL(对位聚苯)、金属密封(硬质合金)
填料 V型PTFE四氟填料、柔性石墨

性能规范

公称通径DN(mm) DN15-300
公称压力 PN(MPa) 1.0 1.6 2.5 4.0 6.4
试验压力 强度试验 1.5 2.4 3.75 6.0 9.60
密封试验 1.1 1.76 2.75 4.4 7.04
低压气密试验 0.5~0.7
适用介质 水、油、蒸气、硝酸类(温度≤200℃)、醋酸类(温度≤200℃)

气动执行器主要部件材料

零件名称 缸体 端盖 活塞 O型圈 指示轴 螺栓
QW系列
AT系列
铝合金型材
(硬质阳极氧化)
压铸铝合金
(环氧树脂喷涂)
压铸铝
(镀镍磷合金)
NBR ABC SUS304
AW系列 铸钢
(硬质阳极氧化)
  压铸铝
(镀镍磷合金)
NBR ABC SUS304

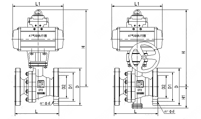
结构图

 

主要外形尺寸 (单位;mm)

DN L H D D1 L0 Z-φd 执行器型号
15 130 200 95 65 165 4-φ14 QW01/AT50D
20 140 204 105 75 165 4-φ14 QW01/AT50D
25 150 215 115 85 165 4-φ14 QW01/AT63D
32 165 240 135 100 225 4-φ18 QW02/AT63D
40 180 265 145 110 225 4-φ18 QW02/AT75D
50 200 275 160 125 225 4-φ18 QW02/AT75D
65 220 379 180 145 245 4-φ14/4-φ18 QW03/AT88D
80 250 390 195 160 330 8-φ18 QW04/AT100D
100 280/320 416 215/230 180/190 330 8-φ18/8-φ23 QW04/AT115D
125 320/381 542 245/270 210/220 380 8-φ18/8-φ25 QW05/AT145D
150 360/400 572 280/300 240/250 380 8-φ23/8-φ25 QW06/AT160D
200 400/500 736 335/360 295/310 440 12-φ25/12-φ25 AW17
250 530/568 926 405/425 355/370 580 12-φ25/12-φ30 AW20
300 600/648 1059 460/485 410/430 715 12-φ25/16-φ30 AW28
350 550/762 1127 520/550 470/490 875 16-φ25/16-φ34 AW28
400 600/838 1398 580/610 525/550 995 16-φ30/16-φ34 AW35