| 公称压力(Mpa) | 0.6 | 1.0 | 1.6 | 2.5 | 4.0 |
| 公称通经(mm) | 40-600 | 40-600 | 40-600 | 40-600 | 40-600 |
| 密封试验压力(Mpa) | 0.66 | 1.1 | 1.76 | 2.75 | 4.4 |
| 壳体试验压力(Mpa) | 0.9 | 1.5 | 2.4 | 3.75 | 6.0 |
| 适用温度(℃) | -29~300、-29~425、-29~540 | ||||
| 适用介质 | 清水、海水、污水、酸碱等液体、料浆、蒸汽、燃气、油类 | ||||
| 驱动方式 | 手动、电动、气动 | ||||
| 连接形式 | 法兰连接、对夹连接 | ||||
| 安装方式 | 立式安装、卧式安装 | ||||
| 序号 | 名称及规格 | 材料 |
| 1 | 底盖 | 25 |
| 2 | 内六角螺栓 | 35CrMo |
| 3 | 垫片 | 柔性石墨 |
| 4 | 阀体 | WCB |
| 5 | 下阀杆 | 2Cr13 |
| 6 | 球体 | WCB |
| 7 | 滑动轴承 | 铜基合金或不锈钢 |
| 8 | 垫片 | 柔性石墨 |
| 9 | 阀座+堆焊合金钢 | 25 |
| 10 | 阀座支承 | 25 |
| 11 | 内六角螺栓 | 35CrMo |
| 12 | 键 | 40Cr |
| 13 | 上阀杆 | 2Cr13 |
| 14 | 滑动轴承 | 铜基合金或不锈钢 |
| 15 | 填料垫 | 2Cr13 |
| 16 | 填料 | 柔性石墨 |
| 17 | 填料压盖 | WCB |
| 18 | 支架 | WCB |
| 19 | 螺柱 | 35CrMo |
| 20 | 螺母 | 45 |
| 21 | 螺柱 | 35CrMo |
| 22 | 螺母 | 45 |
| 23 | 螺柱 | 35CrMo |
| 24 | 螺母 | 45 |
| 25 | 键 | 40Cr |
| 26 | 手动操作器 | 组合件 |
| 阀体 阀盖 | GB | WCB | ZG1Cr18Ni9Ti | ZG0Cr18Ni12Mo2Ti | ZG15Cr1Mo1V | |||
| ASTM | WCB | CF8 | CF8M | WC9 | ||||
| 球体 | GB | ZG2Cr13 | ZG1Cr18Ni9Ti 表面特殊处理 | ZG0Cr18Ni12Mo2Ti 表面特殊处理 | ZG15Cr1Mo1V 表面特殊处理 | |||
| ASTM | CA15 | CF8+HF | CF8M+HF | WC9+HF | ||||
| 阀杆 | GB | 2Cr13 | 1Cr18Ni9Ti | 0Cr18Ni12Mo2Ti | 25Cr2Mo2V | |||
| ASTM | 420 | 304 | 316 | F22a | ||||
| 阀座 | GB | PTFE | 2Cr13 | PTFE | 1Cr18Ni9Ti | PTFE | 0Cr18Ni12Mo2Ti | D517 |
| ASTM | PTFE | 420 | PTFE | 304 | PTFE | 316 | HF | |
| 填料 | GB | PTFE | 柔性石墨 | PTFE | 柔性石墨 | PTFE | 柔性石墨 | 柔性石墨 |
| ASTM | PTFE | 柔性石墨 | PTFE | 柔性石墨 | PTFE | 柔性石墨 | 柔性石墨 | |
| 螺栓 | GB | 35 | 0Cr18Ni9 | 0Cr18Ni9 | 15Cr1Mo1V | |||
| ASTM | A193 B7 | A320-B8 | A320-B8 | A193 B16 | ||||
| 螺母 | GB | 45 | 0Cr18Ni9 | 0Cr18Ni9 | 20CrMo | |||
| ASTM | A194 2H | A194-8 | A194-8 | A194-4 | ||||
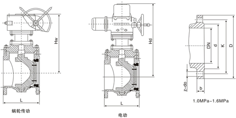
| 公称压力 PN | 公称通径 DN | 尺寸[mm] | |||||||||
| L | D | D1 | D2 | b | Z-Φd | Ws | Hs | Hw | Hd | ||
| 1.0Mpa | 50 | 124 | 160 | 125 | 100 | 16 | 4-Φ18 | 230 | 164 | 260 | 310 |
| 65 | 145 | 180 | 145 | 120 | 18 | 4-Φ18 | 250 | 180 | 275 | 330 | |
| 80 | 165 | 195 | 160 | 135 | 20 | 4-Φ18 | 300 | 200 | 300 | 360 | |
| 100 | 194 | 215 | 180 | 155 | 20 | 8-Φ18 | 320 | 235 | 335 | 390 | |
| 125 | 210 | 245 | 210 | 185 | 22 | 8-Φ18 | 400 | 260 | 355 | 405 | |
| 150 | 229 | 280 | 240 | 210 | 24 | 8-Φ18 | 500 | 280 | 375 | 440 | |
| 200 | 243 | 335 | 295 | 265 | 24 | 8-Φ23 | 800 | 320 | 410 | 470 | |
| 250 | 297 | 390 | 350 | 320 | 26 | 12-Φ23 | 1000 | 355 | 485 | 550 | |
| 300 | 338 | 440 | 400 | 368 | 26 | 12-Φ23 | 1200 | 400 | 530 | 595 | |
| 350 | 400 | 500 | 460 | 428 | 28 | 16-Φ23 | 580 | 650 | |||
| 400 | 420 | 565 | 515 | 482 | 28 | 16-Φ25 | 650 | 730 | |||
| 450 | 502 | 615 | 565 | 532 | 30 | 20-Φ25 | 710 | 790 | |||
| 500 | 533 | 670 | 620 | 585 | 30 | 20-Φ25 | 760 | 840 | |||
| 600 | 800 | 780 | 725 | 685 | 34 | 20-Φ30 | 870 | 960 | |||
| 700 | 900 | 895 | 840 | 800 | 38 | 24-Φ30 | 910 | 1080 | |||
| 800 | 1000 | 1010 | 950 | 905 | 42 | 24-Φ34 | 935 | 1125 | |||
| 公称压力 PN | 公称通径 DN | 尺寸[mm] | |||||||||
| L | D | D1 | D2 | b | Z-Φd | Ws | Hs | Hw | Hd | ||
| 1.6Mpa | 50 | 124 | 165 | 125 | 100 | 16 | 4-Φ18 | 230 | 164 | 260 | 310 |
| 65 | 145 | 185 | 145 | 120 | 18 | 4-Φ18 | 250 | 180 | 275 | 330 | |
| 80 | 165 | 200 | 160 | 135 | 20 | 8-Φ18 | 300 | 200 | 300 | 360 | |
| 100 | 194 | 220 | 180 | 155 | 20 | 8-Φ18 | 320 | 235 | 335 | 390 | |
| 125 | 210 | 250 | 210 | 185 | 22 | 8-Φ18 | 400 | 260 | 355 | 405 | |
| 150 | 229 | 285 | 240 | 210 | 24 | 8-Φ23 | 500 | 280 | 375 | 440 | |
| 200 | 243 | 340 | 295 | 265 | 26 | 12-Φ23 | 800 | 320 | 410 | 470 | |
| 250 | 297 | 405 | 355 | 320 | 30 | 12-Φ25 | 1000 | 355 | 485 | 550 | |
| 300 | 338 | 460 | 410 | 375 | 30 | 12-Φ25 | 1200 | 400 | 530 | 595 | |
| 350 | 400 | 520 | 470 | 435 | 34 | 16-Φ25 | 580 | 650 | |||
| 400 | 420 | 580 | 525 | 485 | 36 | 16-Φ30 | 650 | 730 | |||
| 450 | 502 | 640 | 585 | 545 | 40 | 20-Φ30 | 710 | 790 | |||
| 500 | 533 | 715 | 650 | 608 | 44 | 20-Φ34 | 760 | 840 | |||
| 600 | 800 | 840 | 770 | 718 | 48 | 20-Φ41 | 870 | 960 | |||
| 700 | 900 | 910 | 840 | 788 | 50 | 24-Φ41 | 910 | 1080 | |||
| 800 | 1000 | 1025 | 950 | 898 | 52 | 24-Φ41 | 935 | 1125 | |||
| 公称压力 PN | 公称通径 DN | 尺寸[mm] | ||||||||||
| L | D | D1 | D2 | D6 | b | Z-Φd | Ws | Hs | Hw | Hd | ||
| 2.5 Mpa | 50 | 124 | 165 | 125 | 100 | 20 | 4-Φ18 | 230 | 164 | 260 | 310 | |
| 65 | 145 | 185 | 145 | 120 | 22 | 8-Φ18 | 250 | 180 | 275 | 330 | ||
| 80 | 165 | 200 | 160 | 135 | 22 | 8-Φ18 | 300 | 200 | 300 | 360 | ||
| 100 | 194 | 230 | 190 | 160 | 24 | 8-Φ23 | 320 | 235 | 335 | 390 | ||
| 125 | 210 | 270 | 220 | 188 | 28 | 8-Φ25 | 400 | 260 | 355 | 405 | ||
| 150 | 229 | 300 | 250 | 218 | 30 | 8-Φ25 | 500 | 280 | 375 | 440 | ||
| 200 | 243 | 360 | 310 | 278 | 34 | 12-Φ25 | 800 | 320 | 410 | 470 | ||
| 250 | 297 | 425 | 370 | 332 | 36 | 12-Φ30 | 1000 | 355 | 485 | 550 | ||
| 300 | 338 | 485 | 430 | 390 | 40 | 16-Φ30 | 1200 | 400 | 530 | 595 | ||
| 350 | 400 | 555 | 490 | 448 | 44 | 16-Φ34 | 580 | 650 | ||||
| 400 | 420 | 620 | 550 | 505 | 48 | 16-Φ34 | 650 | 730 | ||||
| 450 | 502 | 670 | 600 | 555 | 50 | 20-Φ34 | 710 | 790 | ||||
| 500 | 533 | 730 | 660 | 610 | 52 | 20-Φ41 | 760 | 840 | ||||
| 600 | 800 | 845 | 770 | 718 | 56 | 20-Φ41 | 870 | 960 | ||||
| 700 | 900 | 960 | 875 | 815 | 60 | 24-Φ48 | 990 | 1080 | ||||
| 800 | 1000 | 1085 | 990 | 930 | 64 | 24-Φ48 | 935 | 1125 | ||||
| 公称压力 PN | 公称通径 DN | 尺寸[mm] | ||||||||||
| L | D | D1 | D2 | D6 | b | Z-Φd | Ws | Hs | Hw | Hd | ||
| 4.0 Mpa | 50 | 124 | 165 | 125 | 100 | 88 | 20 | 4-Φ18 | 250 | 180 | 275 | 325 |
| 65 | 145 | 185 | 145 | 120 | 110 | 22 | 8-Φ18 | 300 | 200 | 290 | 345 | |
| 80 | 165 | 200 | 160 | 135 | 121 | 22 | 8-Φ18 | 320 | 220 | 315 | 375 | |
| 100 | 194 | 235 | 190 | 160 | 150 | 24 | 8-Φ23 | 400 | 260 | 350 | 405 | |
| 125 | 210 | 270 | 220 | 188 | 176 | 28 | 8-Φ25 | 500 | 290 | 370 | 420 | |
| 150 | 229 | 300 | 250 | 218 | 204 | 30 | 8-Φ25 | 800 | 310 | 390 | 455 | |
| 200 | 245 | 375 | 320 | 282 | 260 | 38 | 12-Φ30 | 1000 | 350 | 435 | 495 | |
| 250 | 297 | 450 | 385 | 345 | 313 | 42 | 12-Φ34 | 1200 | 390 | 510 | 575 | |
| 300 | 338 | 515 | 450 | 408 | 364 | 46 | 16-Φ34 | 555 | 620 | |||
| 350 | 400 | 580 | 510 | 465 | 422 | 52 | 16-Φ34 | 605 | 675 | |||
| 400 | 420 | 660 | 585 | 535 | 474 | 58 | 16-Φ41 | 675 | 755 | |||
| 450 | 502 | 685 | 610 | 560 | 524 | 60 | 20-Φ41 | 735 | 815 | |||
| 500 | 533 | 755 | 670 | 612 | 576 | 62 | 20-Φ48 | 785 | 870 | |||
QQ: 769693943
Phone: 13816746668
Tel: 021-31001158
Email: 769693943
Add: 上海市金山区沪杭公路4169号