Q41F-ZL法兰铝合金球阀
更新时间:2024-04-13 10:04:58
Q41F-ZL法兰铝合金球阀
- 1、产品型号:Q41F-ZL。
- 2、公称通径:DN50~DN100。
- 3、公称压力:0.4Mpa~0.6MPa。
- 4、适用温度:≤60ºC。
- 5、阀体材质:铝合金。
- 6、适用介质:柴油、汽油、煤油。
- 7、结构形式:球形。
- 8、连接方式:圆法兰、方法兰。
- 9、驱动方式:手动。
- 10、制造标准:国标GB、德国DIN、美国API、ANSI、ISO。
产品说明
Q41F-ZL法兰铝合金球阀采用铝合金壳体,不锈钢球芯,具有材料配制合理结构紧凑,重量轻,体积小,使用方便等优点,设有限位和加锁装置,安全可靠。广泛用于非腐蚀性液体输送管道开闭控制(如油罐车,加油站等)调整:旋转法兰内密封座可调整板杆轻重和消除渗漏,当密封环与球面封部位有损伤时,要修正其密封面或者更换。
产品介绍
法兰铝合金球阀又名铝合金槽车球阀,按外形结构可分为铝直通槽车方球阀和铝直通槽车圆球阀,采用铝合金壳体,不锈钢球芯,具有结构紧凑,重量轻,体积小,使用方便等优点,设有限位和加锁装置,安全可靠。广泛用于非腐蚀性液体输送管道开闭控制(如油罐车,加油站等)旋转法兰内密封座可调整板杆轻重和消除渗漏,当密封环与球面部位有损伤时,要修正其密封面或者更换。
产品特点
1、铝合金球阀设有方法兰连接跟圆法兰连接,满足不同管道需求。
2、采用铝合金壳体,具有结构紧凑,重量轻,体积小。
3、结构紧凑,设有限位和加锁装置,旋转法兰内密封座可调整扳杆轻重和消除渗漏。
产品优点
1.流体阻力小,全通径的球阀基本没有流阻。
2.结构简单、体积小、重量轻。
3.紧密可靠。它有两个密封面,而且目前球阀的密封面材料广泛使用各种氟塑料,密封性好,能实现完全密封。在真空系统中也已广泛使用。
4.操作方便,开闭迅速,从全开到全关只要旋转90°,便于远距离的控制。
5.维护方便,球阀结构简单,密封圈一般都是活动的,拆卸更换都比较方便。
6.在全开或全闭时,球体和阀座的密封面与介质隔离,介质通过时,不会引起阀门密封面的侵蚀。
7.由于球阀在启闭过程中有擦拭性,所以可用于带悬浮固体颗粒的介质中。
方型法兰及圆型法兰对比图
材料及参数
|
壳体材质 |
铝合金 |
|
阀杆材质 |
45#镀铬 |
|
球心材质 |
不锈钢304 |
|
手柄材质 |
碳钢 |
|
密封圈材质 |
聚四氟乙烯 |
|
阀杆密封 |
耐油橡胶 |
|
公称压力 |
0.6MPa |
|
壳体试验压力 |
0.6MPa |
|
密封试验压力 |
0.45MPa |
|
适用介质 |
汽油、煤油、柴油 |
|
工作环境 |
-30~+60℃ |
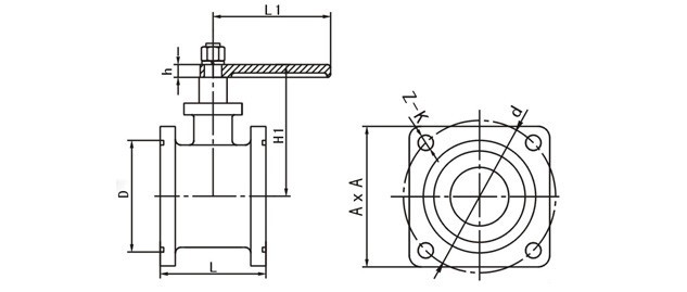
外形结构图
外形连接尺寸
|
公称口径 |
外形连接尺寸(mm) |
|
L |
A |
d |
D |
Z-K |
|
DN50 |
86 |
120 |
130 |
96 |
4-12 |
|
DN65 |
115 |
140 |
155 |
120 |
4-14 |
|
DN80 |
130 |
150 |
162 |
135 |
4-14 |
|
DN100 |
155 |
180 |
195 |
166 |
4-14 |
上一篇:没有了 下一篇:没有了
Top