| 设计依据 | GB标准 | ANSI标准 |
| 设计标准 | GB/12237 | ANSIB16.34 |
| 连接法兰尺寸 | GB/9113、JB/T79 | ANSIB16.5 |
| 试验和检验 | JB/T9002 | API598 |

| 金属密封阀座 | 高温型金属密封阀座 | 软阀座 | ||||||
| 序号 | 名称 | 温度范围℃ | 序号 | 名称 | 温度范围℃ | 序号 | 名称 | 温度范围℃ |
| 1 | 密封阀盖 |
-20~160℃ -20~230℃ |
1 | 密封阀盖 | -20~425℃ | 1 | 密封阀盖 | -20~160℃ |
| 2 | 弹簧 | 2 | 碟簧 | 2 | 弹簧 | |||
| 3 | O形圈 | 3 | 压圈 | 3 | O形圈 | |||
| 4 | 阀体 | 4 | 石墨环 | 4 | 阀体 | |||
| 5 | 密封座 | 5 | 阀座 | 5 | 密封座 | |||
| 6 | 阀芯 | 6 | 阀体 | 6 | 密封圈(PTFE) | |||
| 7 | 阀芯 | 7 | 阀芯 | |||||
| 序号 | 名称 | 数量(件) | 材料 | ||
| 1 | 阀体 | 1 | WCB | CF8 | CF8M |
| 2 | 阀芯 | 1 | CF8表面镀硬铬 | CF8表面镀硬铬 | CF8M表面镀硬铬 |
| 3 | 圆柱销 | 2 | 304 | 304 | 316 |
| 4 | 阀座 | 1 | 304堆焊硬质合金 | 304堆焊硬质合金 | 316 |
| 5 | 弹簧 | 1 | 316 | 316 | 316 |
| 6 | 0型圈 | 1 | 氟橡胶 | 氟橡胶 | 氟橡胶 |
| 7 | 自润滑轴承 | 304+PTFE | 304+PTFE | 316+PTFE | |
| 8 | 下阀杆 | 1 | 20Cr13 | 304 | 316 |
| 9 | O型圈 | 1 | 氟橡胶 | 氟橡胶 | 氟橡胶 |
| 10 | 后压盖 | 1 | WCB | CF8 | CF8M |
| 11 | 环垫 | 1 | PTFE | PTFE | PTFE |
| 12 | 调节垫片 | 1 | PTFE | PTFE | PTFE |
| 13 | 平垫片 | 4 | Q235 | 304 | 304 |
| 14 | 螺栓 | 4 | 25 | 304 | 304 |
| 15 | 双头螺柱 | 2 | 25 | 304 | 304 |
| 16 | 自润滑轴承 | 1 | 304+PTFE | 304+PTFE | 316+PTFE |
| 17 | 平键 | 1 | 20Cr13 | 304 | 316 |
| 18 | 下填料 | 1 | PTFE | PTFE | PTFE |
| 19 | 中填料 | 1组 | PTFE | PTFE | PTFE |
| 20 | 上填料 | 1 | PTFE | PTFE | PTFE |
| 21 | 填料压盖 | 1 | WCB | CF8 | CF8M |
| 22 | 螺母 | 2 | 35 | 304 | 304 |
| 23 | 上阀杆 | 1 | 20Cr13 | 304 | 316 |
| 公称通径DN | 25 | 32 | 40 | 50 | 65 | 80 | 100 | 125 | 150 | 200 | 250 | 300 | 350 | 400 |
| 额定流量系数Cv | 32 | 43 | 78 | 90 | 160 | 250 | 360 | 610 | 1120 | 1850 | 2950 | 3700 | 7195 | 11466 |
| 公称压力 | PN1.6、2.5、4.0、6.4MPa | |||||||||||||
| 强度试验 | 2.4~9.6MPa | |||||||||||||
| 密封试验 | 1.76~7.0MPa | |||||||||||||
| 流量特性 | 近似等百分比、直线特性 | |||||||||||||
| 阀板转角(度) | 0°~至90°(可调) | |||||||||||||
| 允许泄漏量等级 |
软密封:零泄露 硬密封:≤额定Cv×0.001% |
软密封:VI微气泡级,金属密封:≤额定CV×0.065% | ||||||||||||
| 动作时间(S/90度) | 8.5~30 | 36~60 | ||||||||||||
| 可调节比 | 250:1 | 300:1 | ||||||||||||
| 基本误差 | 全行程的≤±2% | |||||||||||||
| 回差 | 全行程的≤±2% | |||||||||||||
| 死区 | 全行程的≤0.8% | |||||||||||||
| 控制方式 | 开关到位灯(开关两位控制)、无源触点信号、1/5K电位计、智能调节(4~20mA模拟量信号控制) | |||||||||||||
| 执行器类别 | 引进型JOX系列执行器参数 | 引进型3610R系列执行器参数 | 引进型JHQ系列执行器参数 |
| 电源电压 | 标准:220V AC单相 可选:110V AC 单相、380/440V AC 三相、24V/110V/220V AC | ||
| 输出力矩 | 50N·M~2000N·M | 50N·M~1500N·M | 50N·M~3000N·M |
| 动作范围 | 0~90° 0~360° | 0~90° | 0~90°、0°~270°可选 |
| 控制方式 | 开关到位灯(开关两位控制)、无源触点信号、1/5K电位计、智能调节(4~20mA模拟量信号控制) | ||
| 动作时间 | 15秒/30秒/60秒 | 10秒/15秒/30秒 | 18S~112S |
| 保护装置 | 过热保护 | 过载保护 | 内置过热保护、过载保护 |
| 环境温度 | -30°~60° | -30°~60° | -20℃~+70℃ |
| 手动操作 | 同附带手柄操作 | 同附带手柄操作 | 机械离合机构,配手轮操作 |
| 机械限位 | 电气、机械二重限位 | 电气、机械二重限位 | 2个外部调整螺栓 |
| 防护等级 | IP65 | IP55 | IP65、IP67、可定制IP68 |
| 防爆等级 | 无防爆 | ExdⅡ BT4 | ExdⅡ BT4,ExdⅡ CT6 |
| 位置测量 | 可选装开关或电位计 | 比例控制单元 | 电位计、比例控制单元 |
| 驱动电机 | 8W/E | AC可逆电机 | 鼠笼式异步电机 |
| 进线接口 | PE1/2〞进线线锁 | 2-PF 1/2〞进线线锁 | 2个 PF 3/4” |
| 壳体材料 | 铝合金 | 钢,铝合金 | 钢,铝合金,铝青铜,聚碳酸脂 |
| 外涂层 | 干粉,环氧聚酯,具有超强防腐功能 | ||
| 采用独特的电制动线路,因而定位精度高,执行机构灵敏,启动停止迅速,运行平稳。同时具有抗干扰、抗浪涌电压、防击穿能力强的特点 | |||
| 适用于动作频繁的调节回路,当接通持续率为25%时,每小时动作次数可达630-1200次 | |||
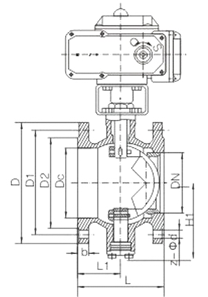
|
公称压力 PN(MPa) |
公称通径 DN(mm) |
尺寸(mm) | ||||||||
| L | L1 | D | D1 | D2 | b | Z-ød | Dc | H1 | ||
| 1.6 | 25 | - | - | - | - | - | - | - | 38 | 57 |
| 40 | - | - | - | - | - | - | - | 49 | 63 | |
| 50 | 124 | 62 | 160/165 | 125 | 100/102 | 16/18 | 4-ø18 | 60 | 92 | |
| 65 | 145 | 72.5 | 180/185 | 145 | 120/122 | 18 | 4-ø18 | 75 | 100 | |
| 80 | 165 | 82.5 | 195/200 | 160 | 135/138 | 20 | 8-ø18 | 89 | 108 | |
| 100 | 194 | 97 | 215/220 | 180 | 155/158 | 20 | 8-ø18 | 113 | 117 | |
| 125 | 210 | 105 | 245/250 | 210 | 185/188 | 22 | 8-ø18 | 140 | 140 | |
| 150 | 229 | 114.5 | 280/285 | 240 | 210/212 | 24/22 | 8-ø23/8-ø22 | 164 | 177 | |
| 200 | 243 | 121.5 | 335/340 | 295 | 265/268 | 26/24 | 12-ø23/12-ø22 | 205 | 200 | |
| 250 | 297 | 148.5 | 405 | 355 | 320 | 30/26 | 12-ø25/12-ø26 | 259 | 252 | |
| 300 | 338 | 169 | 460 | 410 | 375/378 | 30/28 | 12-ø25/12-ø26 | 300 | 270 | |
| 2.5 | 25 | - | - | - | - | - | - | - | 38 | 57 |
| 40 | - | - | - | - | - | - | - | 49 | 63 | |
| 50 | 124 | 62 | 160/165 | 125 | 100/102 | 20 | 4-ø18 | 60 | 92 | |
| 65 | 145 | 72.5 | 180/185 | 145 | 120/122 | 22 | 8-ø18 | 75 | 100 | |
| 80 | 165 | 82.5 | 195/200 | 160 | 135/138 | 22/24 | 8-ø18 | 89 | 108 | |
| 100 | 194 | 97 | 230/235 | 190 | 160/162 | 24 | 8-ø23/8-ø22 | 113 | 117 | |
| 125 | 210 | 105 | 270 | 220 | 188 | 28/26 | 8-ø25/8-ø26 | 140 | 140 | |
| 150 | 229 | 114.5 | 300 | 250 | 218 | 30/28 | 8-ø25/8-ø26 | 164 | 177 | |
| 200 | 243 | 121.5 | 360 | 310 | 278 | 34/30 | 12-ø25/12-ø26 | 205 | 200 | |
| 250 | 297 | 148.5 | 425 | 370 | 332/335 | 36/32 | 12-ø30 | 259 | 252 | |
| 300 | 338 | 169 | 485 | 430 | 390/395 | 40/36 | 16-ø30 | 300 | 270 | |
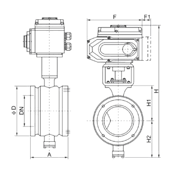
| 公称通径DN | 尺寸(mm) | ||||||
| A | ΦD | H1 | H2 | H | F | F1 | |
| 15 | 62 | Φ64 | 74 | 75 | 390 | 161 | 40 |
| 20 | 62 | Φ64 | 74 | 75 | 390 | 161 | 40 |
| 25 | 62 | Φ64 | 74 | 75 | 390 | 161 | 40 |
| 32 | 62 | Φ78 | 80 | 75 | 400 | 188 | 40 |
| 40 | 62 | Φ82 | 85 | 75 | 405 | 188 | 40 |
| 50 | 75 | Φ100 | 87 | 95 | 430 | 188 | 40 |
| 65 | 80 | Φ120 | 105 | 115 | 460 | 188 | 40 |
| 80 | 100 | Φ131 | 115 | 125 | 520 | 268 | 40 |
| 100 | 115 | Φ158 | 125 | 125 | 530 | 268 | 40 |
| 125 | 130 | Φ180 | 140 | 155 | 570 | 268 | 40 |
| 150 | 160 | Φ216 | 153 | 165 | 600 | 268 | 40 |
| 200 | 200 | Φ268 | 200 | 195 | 680 | 268 | 40 |
| 250 | 240 | Φ325 | 225 | 225 | 730 | 268 | 40 |
QQ: 769693943
Phone: 13816746668
Tel: 021-31001158
Email: 769693943
Add: 上海市金山区沪杭公路4169号