021-31001158  mmvalves@126.com

Q41F德标法兰球阀

更新时间:2024-04-13 10:04:33

Q41F德标法兰球阀

  • 1、产品型号:Q41F。
  • 2、公称通径:DN15~DN250。
  • 3、公称压力:PN10-PN40。
  • 4、适用温度:-29~180ºC~550ºC。
  • 5、阀体材质:铸铁、铸钢、不锈钢。
  • 6、适用介质:水、油、气体、液体。
  • 7、结构形式:球形。
  • 8、连接方式:法兰。
  • 9、驱动方式:手动、电动、气动。
  • 10、制造标准:国标GB、德国DIN、美国API、ANSI。

产品说明

Q41F德标法兰球阀用于截断或接通管路中的介质,选用不同的材质,可分别适用于水、蒸汽、油品、液化气、天然气、煤气、硝酸、醋酸、氧化性介质、尿素等多种介质。德标法兰球阀具有很小的转动力矩就能关闭严密。完全平等的阀体内腔为介质提供了阻力很小、直通的流道。德标法兰球阀的主要特点是本身结构紧凑,易于操作和维修,适用于水、溶剂、酸和天然气等一般工作介质,而且还适用于工作条件恶劣的介质,如氧气过氧化氢、甲烷和乙烯等。 

产品标准

设计标准Design: DIN 3357 EN 12516-1
壁厚标准Wall Thickness: ASME B16.34 EN 12516-1
防火标准Fire Safe: API 307 ISO 10497
结构长度Face to Face: DIN 3202
法兰标准End Flange: DIN EN 1092-1
检测标准/Inspection & Testing: DIN 3230 EN 12266

产品特点

阀杆带有防静电设置 Ante-Static Devices For Ball-Stem-Body
阀杆带有防脱出装置设计 Blow-out Proof stem
钢球球槽上有泄压孔设计 Pressure Balance Hole in Ball Slot
采用Iso 5211 支架安装执行器平台设计
Built in ISO 5211 Bracket Mount For Easy Automation

主要材料表

名称 材质
ANSI/JIS/DIN ANSI/JIS/DIN ANSI/JIS/DIN
阀体 A351-CF8M/SCS14A/1.4408 A351-CF8/SCS13A/1.4308 A216-WCB/SCPH2/1.0619
阀盖 A351-CF8M/SCS14A/1.4408 A351-CF8/SCS13A/1.4308 A216-WCB/SCPH2/1.0619
SUS316  SUS304
六角螺母 A194-8
弹性垫片 SUS304
密封圈 PTFE/VITON
阀座 PTFE/RPTFE/PPL
阀杆 SUS316  SUS304
O型圈 FKM(VITON)
止推垫 PTFE/RPTFE
填料 PTFE/GRAFOIL
蝶簧 SUS304
阀杆螺母 A194-8
填料压盖 SUS304
手柄 SUS201
定位杆 SUS304
内六角圆柱头螺钉 SUS304
六角螺母 A194-8
双头螺栓 A193-B8

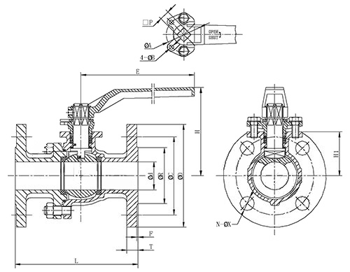
外形结构图

外形尺寸表

Size PN d L R C D H H1 E F T □P ø A ØB N ØX ISO 5211
DN15 10-40 15 115 45 65 95 78 34 150 2 14 11 42 4 4 14 F04
DN20 10-40 20 120 58 75 105 80 35 150 2 16 11 42 4 4 14 F04
DN25 10-40 25 125 68 85 115 88 45 150 2 16 11 42 4 4 14 F04
DN32 10-40 32 130 78 100 140 100 50 170 2 16 14 50 5 4 18 F05
DN40 10-40 38 140 88 110 150 122 60 230 3 16 17 70 6 4 18 F07
DN50 10-40 50 150 102 125 165 130 68 230 3 18 17 70 6 4 18 F07
DN65 10-16 65 170 122 145 185 148 86 230 3 18 17 70 6 4 18 F07
DN80 10-16 78 180 138 160 200 167 96 305 3 20 22 102 8 8 18 F10
DN100 10-16 100 190 158 180 220 188 117 305 3 20 22 102 8 8 18 F10
DN125 10-16 125 325 188 210 250 246 141 500 3 22 22 125 10 8 18 F12
DN150 10-16 150 350 212 240 285 288 172 650 3 22 27 125 10 8 22 F12
DN200 10-16 200 400 268 295 340 329 213 850 3 24 27 125 10 12 22 F12
DN250 10-16 250 450 320 355 405 396 255 1400 3 26 36 140 14 12 26 F14

上一篇:Q41F德标球阀 下一篇:没有了