021-31001158  mmvalves@126.com

FGP4X高压复合式高速进排气阀

更新时间:2024-04-13 10:04:42

FGP4X高压复合式高速进排气阀

  • 1、产品型号:FGP4X。
  • 2、公称通径:DN50~DN300。
  • 3、公称压力:1.6MPa~10.0MPa。
  • 4、适用温度:-29ºC~+180ºC。
  • 5、阀体材质:铸钢、不锈钢。
  • 6、适用介质:水、污水。
  • 7、结构形式:浮球式。
  • 8、连接方式:法兰。
  • 9、驱动方式:自动。
  • 10、制造标准:国标GB、德国DIN、美国API、ANSI。

产品说明

FGP4X高压复合式高速进排气阀可防止浮球在高速气流中被吹起而堵塞排气口,造成排气阀失效。 为防止阀口被吹堵,传统式高速进排气阀在入口设置护筒,使阀门在结构上变得复杂。

产品特点

1、充水时高速排气,不怕吹堵。
2、放水时高速吸气。
4、正常压力下微量排气。

工作原理

FGP4X高压复合式高速进排气阀是利用伯努利理论制造的一种能够在气流下保持全开,当实心水柱上升时,浮球能够马上被浮起并严密封闭排气口的浮球式排气阀。该阀采用特定的浮球直径,使得它产生的气流动力能维持浮球在气流经过时开启(悬浮),实心水柱上升时产生的浮力又能使其浮起,配之入口处以一个合适角度的圆锥体,可做到不管气压多大、气流速度多高,排气口也不会被吹堵。

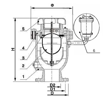
外形结构图

 

主要外形尺寸

通径 长度A 宽度B/L 高度H 外径D 螺栓孔径 法兰厚度 螺栓孔
DN50 250 130 260 195 125 28 4-26
DN80 315 170 340 230 160 34 8-26
DN100 413   334 265 180 38 8-30
DN150 580   520 265 355/350 46 8-34
DN200 668   640 340 430 54 8-36
DN250 770   780 395 505/500 60 12-41
DN300 850   920 445 585 70 12-42

安装要求

1、于安装前,请先检查并清除主体内的杂物。
2、在阀前装一只闸阀,以便下次的安装维修。阀如果安装于荫井内,应有足够空间以便容纳技术人员调整及维护工作。
3、若排气阀安装于室外,请注意阀门的保温,以防阀门内水结冰或冻裂阀门。
4、若排气阀所在管线送断水频繁,建议在排气阀前加装一个缓冲阀。
5、复合式高速进排气阀常见的安装地点有以下几个位置:局部最高点、下降坡度变大点、上升坡度变小点、长距离无折点上升或下降管段。

安装位置的选择

排气阀的安装位置直接影响着排气效果和管道的运行状态。设计人员在设计时,往往局限于局部最高点,排气阀的安装位置有多种,只有对整个管道综合考虑,才能使排气效果达到最佳。常见的安装地点有以下几个位置:局部最高点、下降坡度变大点、上升坡度变小点、长距离无折点上升或下降管段。

安装总图

上一篇:没有了 下一篇:没有了


CATEGORIES

CONTACT US

QQ: 769693943

Phone: 13816746668

Tel: 021-31001158

Email: 769693943

Add: 上海市金山区沪杭公路4169号