Writer: admin Time:2020-09-11 14:39 Browse:℃


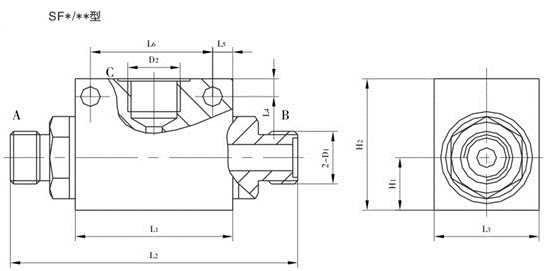
| 型号 | D1 | D2 | L1 | L2 | L3 | L4 | L5 | L6 | H1 | H1 |
| SF06/36W | M16×1.5 | M16×1.5 | 48 | 87 | 32 | - | - | - | 16 | 40 |
| SF12/31 | M22×1.5 | M18×1.5 | 65 | 115 | 35 | 8 | 10 | 45 | 18 | 48 |
QQ: 769693943
Phone: 13816746668
Tel: 021-31001158
Email: 769693943
Add: 上海市金山区沪杭公路4169号