Writer: admin Time:2020-09-11 14:42 Browse:℃


冷却水:淡水
油侧使用压力:≤1MPa
水侧使用压力:≤0.5MPa
选用方法:计算需交换的热量Q
a、根据油液温度要求和流量计算
Q = c×ρ×q ( T1—T2 )
式中c—油的比热容 ρ—油密度 q—油流量
T1—油入口温度 T2 —油出口温度
b、根据液压系统发热量计算
Q = P1—P2—P3
式中P1——液压系统输入功率
P2——输出有效功率
P3——油箱、管道散热功率

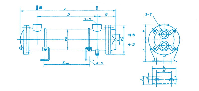
| 型号\尺寸 | A | C | D | E | G | H | J | K | L | M | N | P | Q | R | S | T |
质量 /kg |
| SL-303 | 309 | 45 | 152 | 107 | 81 | 87 | 35 | 15 | 95 | 56 | 11*20 | 62 | 120 | 87.9 | Rc3/4 | Rc3/4 | 5.5 |
| SL-304 | 381 | 224 | 179 | 6 | |||||||||||||
| SL-305 | 453 | 296 | 251 | 6.5 | |||||||||||||
| SL-307 | 597 | 440 | 395 | 7 | |||||||||||||
| SL-309 | 741 | 584 | 539 | 8 | |||||||||||||
| SL-311 | 885 | 728 | 683 | 9 | |||||||||||||
| SL-408 | 469 | 60 | 284 | 240 | 95 | 125 | 50 | 20 | 160 | 110 | 18*22 | 87 | 150 | 114.3 | Rc1 1/4 | Rc3/4 | 13 |
| SL-411 | 613 | 428 | 384 | 16 | |||||||||||||
| SL-415 | 757 | 572 | 528 | 18 | |||||||||||||
| SL-418 | 901 | 716 | 672 | 21 | |||||||||||||
| SL-421 | 1045 | 860 | 816 | 24 | |||||||||||||
| SL-509 | 484 | 70 | 270 | 206 | 121 | 160 | 50 | 20 | 180 | 120 | 18*25 | 105 | 180 | 139.8 | Rc1 1/2 | Rc1 | 24 |
| SL-518 | 638 | 406 | 342 | 26 | |||||||||||||
| SL-526 | 854 | 662 | 558 | 31 | |||||||||||||
| SL-534 | 1070 | 838 | 774 | 36 | |||||||||||||
| SL-542 | 1286 | 1054 | 990 | 42 |
QQ: 769693943
Phone: 13816746668
Tel: 021-31001158
Email: 769693943
Add: 上海市金山区沪杭公路4169号