021-31001158  mmvalves@126.com

YJF液压截止阀

更新时间:2024-04-13 10:04:31

YJF液压截止阀

  • 1、产品型号:YJF。
  • 2、公称通径:DN10~DN50。
  • 3、公称压力:32.0MPa。
  • 4、适用温度:-29ºC~+180ºC。
  • 5、阀体材质:铸钢、不锈钢。
  • 6、适用介质:水、油、蒸汽、空气。
  • 7、结构形式:截止式。
  • 8、连接方式:内螺纹、法兰、板式。
  • 9、驱动方式:手动。
  • 10、制造标准:国标GB、德国DIN、美国API、ANSI。

产品说明

YJF液压截止阀专为液压系统设计制造的,其阀芯为液压平衡式,开启力小,密封可靠、体积小,本产品有管式、法兰式、板式等连接形式,广泛使用于液压系统管理,集成油路等。
图形符号

型号说明
 
① 产品代号:YJF高压截止阀
② 连接形式:L-管式、F-法兰式、B-板式
③ 公称通径:10、15、20、25、32、40、50mm
④ 压力等级:H-32MPa

YJF-L内螺纹外形结构图

 

主要外形尺寸

型号 Hmax h L D d M
YJF-L10H 116.5 74 90 Ф100 □42 M18×1.5
YJF-L15H 116.5 74 90 Ф100 □42 M22×1.5
YJF-L20H 202 100 120 Ф120 Ф60 M27×2
YJF-L25H 220 93 135 Ф120 Ф70 M33×2
YJF-L32H 241 113 150 Ф160 Ф70 M42×2

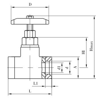
YJF-F法兰式外形结构图

 

主要外形尺寸

型号 Hmax H1 L L1 d1 d D A×A
YJF-F10H 162.5 74 120 10 Ф12.5 Ф18.5 100 54×54
YJF-F15H 181.5 82 132 11 Ф16 Ф22.5 120 54×54
YJF-F20H 202 100 140 12 Ф20 Ф28.5 120 58×58
YJF-F25H 220 93 185 13 Ф25 Ф34.5 120 68×68
YJF-F32H 241 113 204 16 Ф32 Ф43.5 160 76×76
YJF-F40H 280 120 230 18 Ф38 Ф51 180 92×92
YJF-F50H 318.5 138 245 20 Ф48 Ф61 200 100×100

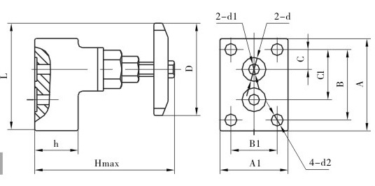
YJF-FB板式外形结构图

 

主要外形尺寸

型号 Hmax L D h A A1 B B1 C C1 d d1 d2
YJF-FB10H 113 106.5 Ф100 40 85 70 65 50 18.5 46.5 Ф22 Ф10 Ф11
YJF-FB20H 197 130 Ф120 70 113 97 81 65 22.2 68.5 Ф35 Ф20 Ф17
YJF-FB25H 225 135 Ф120 75 117 112 85 85 24 72 Ф40 Ф25 Ф17
YJF-FB32H 246 160 Ф160 80 127 127 92 92 20.6 71.4 Ф45 Ф30 Ф21

上一篇:没有了 下一篇:没有了


CATEGORIES

CONTACT US

QQ: 769693943

Phone: 13816746668

Tel: 021-31001158

Email: 769693943

Add: 上海市金山区沪杭公路4169号