
| 型号 | Hmax | h | L | D | d | M |
| YJF-L10H | 116.5 | 74 | 90 | Ф100 | □42 | M18×1.5 |
| YJF-L15H | 116.5 | 74 | 90 | Ф100 | □42 | M22×1.5 |
| YJF-L20H | 202 | 100 | 120 | Ф120 | Ф60 | M27×2 |
| YJF-L25H | 220 | 93 | 135 | Ф120 | Ф70 | M33×2 |
| YJF-L32H | 241 | 113 | 150 | Ф160 | Ф70 | M42×2 |
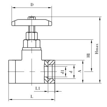
| 型号 | Hmax | H1 | L | L1 | d1 | d | D | A×A |
| YJF-F10H | 162.5 | 74 | 120 | 10 | Ф12.5 | Ф18.5 | 100 | 54×54 |
| YJF-F15H | 181.5 | 82 | 132 | 11 | Ф16 | Ф22.5 | 120 | 54×54 |
| YJF-F20H | 202 | 100 | 140 | 12 | Ф20 | Ф28.5 | 120 | 58×58 |
| YJF-F25H | 220 | 93 | 185 | 13 | Ф25 | Ф34.5 | 120 | 68×68 |
| YJF-F32H | 241 | 113 | 204 | 16 | Ф32 | Ф43.5 | 160 | 76×76 |
| YJF-F40H | 280 | 120 | 230 | 18 | Ф38 | Ф51 | 180 | 92×92 |
| YJF-F50H | 318.5 | 138 | 245 | 20 | Ф48 | Ф61 | 200 | 100×100 |
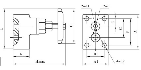
| 型号 | Hmax | L | D | h | A | A1 | B | B1 | C | C1 | d | d1 | d2 |
| YJF-FB10H | 113 | 106.5 | Ф100 | 40 | 85 | 70 | 65 | 50 | 18.5 | 46.5 | Ф22 | Ф10 | Ф11 |
| YJF-FB20H | 197 | 130 | Ф120 | 70 | 113 | 97 | 81 | 65 | 22.2 | 68.5 | Ф35 | Ф20 | Ф17 |
| YJF-FB25H | 225 | 135 | Ф120 | 75 | 117 | 112 | 85 | 85 | 24 | 72 | Ф40 | Ф25 | Ф17 |
| YJF-FB32H | 246 | 160 | Ф160 | 80 | 127 | 127 | 92 | 92 | 20.6 | 71.4 | Ф45 | Ф30 | Ф21 |
QQ: 769693943
Phone: 13816746668
Tel: 021-31001158
Email: 769693943
Add: 上海市金山区沪杭公路4169号