


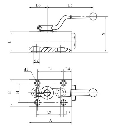
| 型号 | A | B | C | L1 | L2 | L3 | L4 | L5 | L6 | H | N | d1 | d2 |
| QJH-10B | 80 | 54 | 42 | 60 | 45 | 11 | 13 | 105 | 33 | 38 | 62 | Ф8.5 | Ф9 |
| QJH-15B | 92 | 58 | 44 | 56 | 52 | 6 | 18 | 147 | 39 | 42 | 77 | Ф8.5 | Ф14 |
| QJH-20B | 108 | 70 | 52 | 70 | 60 | 8.5 | 21.5 | 185 | 45 | 50 | 90 | Ф11 | Ф18 |
| QJH-25B | 125 | 75 | 60 | 80 | 72 | 11 | 20 | 185 | 54.5 | 55 | 99 | Ф11 | Ф24 |
| QJH-32B | 152 | 98 | 71 | 120 | 90 | 19 | 16 | 240 | 69.5 | 75 | 111 | Ф13 | Ф30 |
| QJH-40B | 185 | 120 | 93 | 150 | 110 | 23 | 20 | 240 | 80 | 90 | 129 | Ф17 | Ф38 |

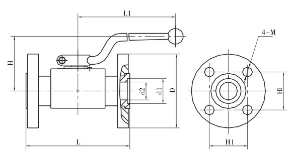
| 型号 | L | L1 | H | H1 | D | d1 | d2 | M |
| QJH-10F | 103 | 105 | 44 | 36 | Ф68 | Ф22 | Ф10 | M10 |
| QJH-15F | 113 | 147 | 46 | 40 | Ф75 | Ф24 | Ф15 | M10 |
| QJH-20F | 117 | 185 | 48 | 42 | Ф78 | Ф30 | Ф20 | M10 |
| QJH-25F | 133 | 185 | 56 | 56 | Ф100 | Ф35 | Ф23 | M12 |
| QJH-32F | 145 | 240 | 63 | 62 | Ф110 | Ф45 | Ф32 | M12 |
| QJH-40F | 175 | 240 | 74 | 73 | Ф130 | Ф50 | Ф38 | M16 |

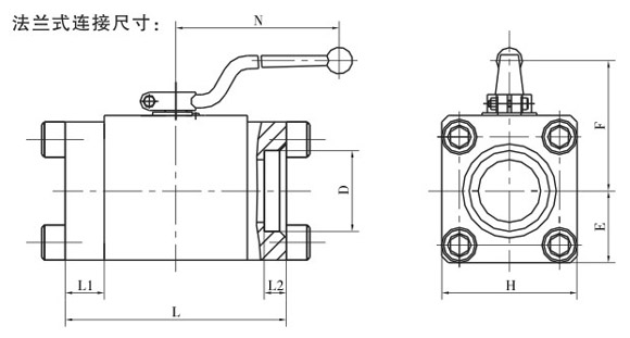
| 型号 | D | L | L1 | L2 | H | F | E | N |
| QJH-50F1 | Ф62 | 170 | 30 | 17 | 104 | 118 | 55 | 240 |
| QJH-65F1 | Ф77 | 220 | 45 | 22 | 126 | 132 | 67 | — |
| QJH-80F1 | Ф91 | 240 | 45 | 25 | 139 | 142 | 75 | — |

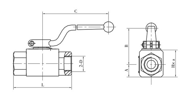
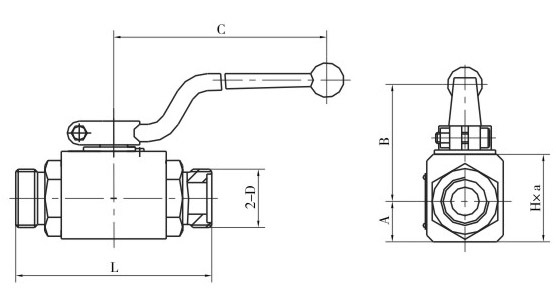
| 型号 | A | B | C | L | H×a | 2-D |
| QJH-06NL | 13.5 | 27 | 105 | 67 | 33×26 | M16×1.5 |
| QJH-10NL | 16 | 40 | 105 | 76 | 36×32 | M18×1.5 |
| QJH-15NL | 19 | 45 | 147 | 88 | 45×38 | M27×2 |
| QJH-20NL | 25 | 46 | 185 | 100 | 55×48 | M33×2 |
| QJH-25NL | 28.5 | 59 | 185 | 116 | 64×57 | M42×2 |
| QJH-32NL | 37.5 | 74 | 240 | 130 | 84×75 | M48×2 |
| QJH-40NL | 42.5 | 88 | 240 | 140 | 95×85 | M60×2 |

| 型号 | A | B | C | L | H×a | 2-D |
| QJH-06WL | 13.5 | 27 | 105 | 71 | 33×26 | M16×1.5 |
| QJH-10WL | 16 | 40 | 105 | 86 | 36×32 | M22×1.5 |
| QJH-1WNL | 19 | 45 | 147 | 96 | 45×38 | M30×1.5 |
| QJH-20WL | 25 | 46 | 185 | 112 | 55×48 | M36×2 |
| QJH-25WL | 28.5 | 59 | 185 | 122 | 64×57 | M42×2 |
| QJH-32WL | 37.5 | 74 | 240 | 145 | 84×75 | M52×2 |
| QJH-40WL | 42.5 | 88 | 240 | 163 | 95×85 | M60×2 |
QQ: 769693943
Phone: 13816746668
Tel: 021-31001158
Email: 769693943
Add: 上海市金山区沪杭公路4169号