
| Jis10K RF | DN | D | K | L | 螺栓n-Th | d | f | C |
| 100 | 210 | 175 | 19 | 8-M16 | 155 | 2 | 18 | |
| 125 | 250 | 210 | 23 | 8-M20 | 185 | 2 | 20 | |
| 150 | 280 | 240 | 23 | 8-M20 | 215 | 2 | 22 | |
| 200 | 330 | 290 | 23 | 12-M20 | 265 | 2 | 22 | |
| 250 | 400 | 355 | 25 | 12-M22 | 325 | 2 | 24 | |
| 300 | 445 | 400 | 25 | 16-M22 | 370 | 3 | 24 | |
| 350 | 490 | 445 | 25 | 16-M22 | 415 | 3 | 26 | |
| 400 | 560 | 510 | 27 | 16-M24 | 475 | 3 | 28 | |
| 450 | 620 | 565 | 27 | 20-M24 | 530 | 3 | 30 | |
| 500 | 675 | 620 | 27 | 20-M24 | 585 | 3 | 30 |
| Jis20K RF | DN | D | K | L | 螺栓n-Th | d | f | C |
| 100 | 255 | 185 | 23 | 8-M20 | 160 | 2 | 24 | |
| 125 | 270 | 225 | 25 | 8-M22 | 195 | 2 | 26 | |
| 150 | 305 | 260 | 25 | 12-M22 | 230 | 2 | 28 | |
| 200 | 350 | 305 | 25 | 12-M22 | 275 | 2 | 30 | |
| 250 | 430 | 380 | 27 | 12-M24 | 345 | 2 | 34 | |
| 300 | 480 | 430 | 27 | 16-M24 | 395 | 3 | 35 | |
| 350 | 540 | 480 | 33 | 16-M30×3 | 440 | 3 | 40 | |
| 400 | 605 | 540 | 33 | 16-M30×3 | 495 | 3 | 46 | |
| 450 | 675 | 605 | 33 | 20-M30×3 | 560 | 3 | 48 | |
| 500 | 730 | 660 | 33 | 20-M30×3 | 615 | 3 | 50 |
| 公称通径 | 外径 | 螺栓孔中心圆直径 | 连接凸出部分直径 | 内径 | 法兰厚度 | 连接部分凸出高度 | 螺栓孔数量与直径 | 螺栓直径 |
| DN | D | D1 | D2 | D3 | t* | f | n-d | M |
| 20 | 100 | 75 | 58 | 19 | 14 18 | 1 | 4-15 | 12 |
| 25 | 125 | 90 | 70 | 25 | 14 18 | 1 | 4-19 | 16 |
| 40 | 140 | 105 | 85 | 38 | 16 20 | 2 | 4-19 | 16 |
| 50 | 155 | 120 | 100 | 51 | 16 20 | 2 | 4-19 | 16 |
| 65 | 175 | 140 | 120 | 61 | 18 22 | 2 | 4-19 | 16 |
| 80 | 185 | 150 | 130 | 76 | 18 22 | 2 | 8-19 | 16 |
| 100 | 210 | 175 | 155 | 102 | 18 24 | 2 | 8-19 | 16 |
| 125 | 250 | 210 | 185 | 125 | 20 24 | 2 | 8-23 | 20 |
| 150 | 280 | 240 | 215 | 152 | 22 26 | 2 | 8-23 | 20 |
| 200 | 330 | 290 | 265 | 204 | 22 26 | 2 | 8-23 | 20 |
| 250 | 400 | 355 | 325 | 254 | 24 30 | 2 | 12-25 | 22 |
| 300 | 415 | 400 | 375 | 305 | 24 32 | 3 | 16-25 | 22 |
| 公称通径 | 外径 | 螺栓孔中心圆直径 | 连接凸出部分直径 | 内径 | 法兰厚度 | 连接部分凸出高度 | 螺栓孔数量与直径 | 螺栓直径 |
| DN | D | D1 | D2 | D3 | t* | f | n-d | M |
| 20 | 100 | 75 | 58 | 19 | 14 18 | 1 | 4-15 | 12 |
| 25 | 125 | 60 | 70 | 25 | 14 18 | 1 | 4-19 | 16 |
| 40 | 140 | 105 | 85 | 38 | 16 20 | 2 | 4-19 | 16 |
| 50 | 155 | 120 | 100 | 51 | 16 20 | 2 | 8-19 | 16 |
| 65 | 175 | 140 | 120 | 64 | 18 22 | 2 | 8-19 | 16 |
| 80 | 200 | 160 | 135 | 76 | 20 24 | 2 | 8-23 | 20 |
| 100 | 225 | 185 | 160 | 102 | 22 26 | 2 | 8-23 | 20 |
| 125 | 270 | 225 | 195 | 125 | 22 26 | 2 | 12-25 | 22 |
| 150 | 305 | 260 | 230 | 152 | 24 28 | 2 | 12-25 | 22 |
| 200 | 350 | 305 | 275 | 204 | 26 30 | 2 | 12-25 | 22 |
| 250 | 430 | 380 | 345 | 254 | 28 34 | 2 | 12-27 | 24 |
| 300 | 480 | 430 | 395 | 305 | 30 36 | 3 | 16-27 | 24 |
| 公称通径 | 外径 | 螺栓孔中心圆直径 | 连接凸出部分直径 | 内径 | 法兰厚度 | 连接部分凸出高度 | 螺栓孔数量与直径 | 螺栓直径 |
| DN | D | D1 | D2 | D3 | t* | f | n-d | M |
| 20 | 100 | 75 | 58 | 19 | 16 18 | 1 | 4-15 | 12 |
| 25 | 125 | 90 | 70 | 25 | 16 20 | 1 | 4-19 | 16 |
| 40 | 140 | 105 | 85 | 38 | 18 22 | 2 | 4-19 | 16 |
| 50 | 155 | 120 | 100 | 51 | 18 22 | 2 | 8-19 | 16 |
| 65 | 175 | 140 | 120 | 64 | 20 24 | 2 | 8-19 | 16 |
| 80 | 200 | 160 | 135 | 76 | 22 26 | 2 | 8-23 | 20 |
| 100 | 225 | 185 | 160 | 102 | 24 28 | 2 | 8-23 | 20 |
| 125 | 270 | 225 | 195 | 125 | 26 30 | 2 | 12-25 | 22 |
| 150 | 305 | 260 | 230 | 152 | 28 32 | 2 | 12-25 | 22 |
| 200 | 350 | 305 | 275 | 204 | 30 34 | 2 | 12-25 | 22 |
| 250 | 430 | 380 | 345 | 254 | 34 38 | 2 | 12-27 | 24 |
| 300 | 480 | 430 | 395 | 305 | 36 40 | 3 | 16-27 | 24 |
| 公称通径 | 外径 | 螺栓孔中心圆直径 | 连接凸出部分直径 | 内径 | 法兰厚度 | 连接部分凸出高度 | 螺栓孔数量与直径 | 螺栓直径 |
| DN | D | D1 | D2 | D3 | t* | f | n-d | M |
| 20 | 120 | 85 | 60 | 19 | 18 | 1 | 4-19 | 16 |
| 25 | 130 | 95 | 70 | 25 | 20 | 1 | 4-19 | 16 |
| 40 | 160 | 120 | 90 | 38 | 22 | 2 | 4-23 | 20 |
| 50 | 165 | 130 | 105 | 51 | 22 | 2 | 8-19 | 16 |
| 65 | 200 | 160 | 130 | 64 | 26 | 2 | 8-23 | 20 |
| 80 | 210 | 170 | 140 | 76 | 28 | 2 | 8-23 | 20 |
| 100 | 240 | 195 | 160 | 102 | 32 | 2 | 8-25 | 22 |
| 125 | 275 | 230 | 195 | 125 | 36 | 2 | 8-25 | 22 |
| 150 | 325 | 275 | 235 | 152 | 38 | 2 | 12-27 | 24 |
| 200 | 370 | 320 | 280 | 204 | 42 | 2 | 12-27 | 24 |
| 250 | 450 | 390 | 345 | 254 | 48 | 2 | 12-33 | 30 |
| 300 | 515 | 450 | 405 | 305 | 52 | 3 | 16-39 | 30 |
| 公称通径 | 外径 | 螺栓孔中心圆直径 | 连接凸出部分直径 | 内径 | 法兰厚度 | 连接部分凸出高度 | 螺栓孔数量与直径 | 螺栓直径 |
| DN | D | D1 | D2 | D3 | t* | f | n-d | M |
| 20 | 120 | 85 | 60 | 19 | 20 | 1 | 4-19 | 16 |
| 25 | 130 | 95 | 70 | 25 | 22 | 1 | 4-19 | 16 |
| 40 | 160 | 120 | 90 | 38 | 24 | 2 | 4-23 | 20 |
| 50 | 165 | 130 | 105 | 51 | 26 | 2 | 8-19 | 16 |
| 65 | 200 | 160 | 130 | 64 | 30 | 2 | 8-23 | 20 |
| 80 | 210 | 170 | 140 | 76 | 32 | 2 | 8-23 | 20 |
| 100 | 250 | 205 | 165 | 102 | 36 | 2 | 8-25 | 22 |
| 125 | 300 | 250 | 200 | 125 | 40 | 2 | 8-27 | 24 |
| 150 | 355 | 295 | 240 | 152 | 44 | 2 | 12-33 | 30 |
| 200 | 405 | 345 | 290 | 200 | 50 | 2 | 12-33 | 30 |
| 250 | 475 | 440 | 355 | 247.5 | 56 | 2 | 12-33 | 30 |
| 300 | 540 | 470 | 440 | 298.5 | 60 | 3 | 16-39 | 36 |
| 公称通径 | 外径 | 螺栓孔中心圆直径 | 连接凸出部分直径 | 内径 | 法兰厚度 | 连接部分凸出高度 | 螺栓孔数量与直径 | 螺栓直径 |
| DN | D | D1 | D2 | D3 | t | f | n-d | M |
| 25 | 140 | 100 | 70 | 22 | 27 | 1 | 40-23 | 20 |
| 40 | 175 | 130 | 90 | 35 | 32 | 2 | 4-25 | 22 |
| 50 | 185 | 145 | 105 | 48 | 34 | 2 | 8-23 | 20 |
| 65 | 220 | 175 | 130 | 57 | 38 | 2 | 8-25 | 22 |
| 80 | 230 | 185 | 140 | 73 | 40 | 2 | 8-25 | 22 |
| 100 | 270 | 220 | 165 | 99 | 44 | 2 | 8-27 | 24 |
| 125 | 325 | 265 | 200 | 121 | 50 | 2 | 8-33 | 30 |
| 150 | 365 | 305 | 240 | 146 | 52 | 2 | 12-33 | 30 |
| 200 | 425 | 360 | 290 | 190 | 58 | 2 | 12-33 | 30 |
| 250 | 500 | 430 | 355 | 238 | 68 | 2 | 12-39 | 36 |
| 300 | 560 | 485 | 410 | 283 | 77 | 3 | 16-39 | 36 |
| 公称通径 | 外径 | 螺栓孔中心圆直径 | 连接凸出部分直径 | 内径 | 法兰厚度 | 连接部分凸出高度 | 螺栓孔数量与直径 | 螺栓直径 |
| DN | D | D1 | D2 | D3 | t | f | n-d | M |
| 20 | 98 | 70.0 | 43 | 19 | 12.7 | 1.6 | 4-15 | 12 |
| 25 | 108 | 79.5 | 51 | 25 | 14.3 | 1.6 | 4-15 | 12 |
| 40 | 127 | 98.5 | 73 | 38 | 17.5 | 1.6 | 4-15 | 12 |
| 50 | 152 | 120.5 | 92 | 51 | 19.1 | 1.6 | 4-19 | 16 |
| 65 | 178 | 139.5 | 105 | 64 | 22.3 | 1.6 | 4-19 | 16 |
| 80 | 190 | 152.5 | 127 | 76 | 23.9 | 1.6 | 4-19 | 16 |
| 100 | 229 | 190.5 | 157 | 102 | 23.9 | 1.6 | 8-19 | 16 |
| 125 | 254 | 216.0 | 186 | 125 | 23.9 | 1.6 | 8-22 | 20 |
| 150 | 279 | 241.5 | 216 | 152 | 25.4 | 1.6 | 8-22 | 20 |
| 200 | 343 | 298.5 | 270 | 204 | 28.6 | 1.6 | 8-22 | 20 |
| 250 | 406 | 362.0 | 324 | 254 | 30.2 | 1.6 | 12-25 | 22 |
| 300 | 483 | 432.0 | 381 | 305 | 31.8 | 1.6 | 12-25 | 22 |
| 公称通径 | 外径 | 螺栓孔中心圆直径 | 连接凸出部分直径 | 内径 | 法兰厚度 | 连接部分凸出高度 | 螺栓孔数量与直径 | 螺栓直径 |
| DN | D | D1 | D2 | D3 | t | f | n-d | M |
| 20 | 117 | 82.5 | 43 | 19 | 15.9 | 1.6 | 4-19 | 16 |
| 25 | 124 | 89.0 | 51 | 25 | 17.5 | 1.6 | 4-19 | 16 |
| 40 | 156 | 114.5 | 73 | 38 | 20.7 | 1.6 | 4-22 | 20 |
| 50 | 165 | 127.0 | 92 | 51 | 22.3 | 1.6 | 8-19 | 16 |
| 65 | 190 | 149.0 | 105 | 64 | 25.4 | 1.6 | 8-22 | 20 |
| 80 | 210 | 168.0 | 127 | 76 | 28.6 | 1.6 | 8-22 | 20 |
| 100 | 254 | 200.0 | 157 | 102 | 31.8 | 1.6 | 8-22 | 20 |
| 125 | 279 | 235.0 | 186 | 125 | 35.0 | 1.6 | 8-22 | 20 |
| 150 | 318 | 270.0 | 216 | 152 | 36.6 | 1.6 | 12-22 | 20 |
| 200 | 381 | 330.0 | 270 | 204 | 41.3 | 1.6 | 12-25 | 22 |
| 250 | 444 | 387.5 | 324 | 254 | 47.7 | 1.6 | 16-29 | 27 |
| 300 | 521 | 451.0 | 381 | 305 | 50.8 | 1.6 | 16-32 | 30 |
| 公称通径 | 外径 | 螺栓孔中心圆直径 | 连接凸出部分直径 | 内径 | 法兰厚度 | 连接部分凸出高度 | 螺栓孔数量与直径 | 螺栓直径 |
| DN | D | D1 | D2 | D3 | t | f | n-d | M |
| 20 | 117 | 82.5 | 43 | 19 | 22.3 | 1.6 | 4-19 | 16 |
| 25 | 124 | 89.0 | 51 | 25 | 23.9 | 1.6 | 4-19 | 16 |
| 40 | 156 | 114.5 | 73 | 38 | 28.7 | 1.6 | 4-22 | 20 |
| 50 | 165 | 127 | 92 | 51 | 31.8 | 1.6 | 8-19 | 16 |
| 65 | 190 | 149 | 105 | 64 | 35 | 1.6 | 8-22 | 20 |
| 80 | 210 | 168 | 127 | 76 | 38.2 | 1.6 | 8-22 | 20 |
| 100 | 273 | 216 | 157 | 102 | 44.5 | 1.6 | 8-25 | 22 |
| 125 | 330 | 266.5 | 186 | 125 | 50.9 | 1.6 | 8-29 | 27 |
| 150 | 356 | 292.0 | 216 | 152 | 54.1 | 1.6 | 12-29 | 27 |
| 200 | 419 | 349 | 270 | 200 | 62 | 1.6 | 12-32 | 30 |
| 250 | 508 | 432 | 324 | 247.5 | 69.9 | 1.6 | 16-35 | 33 |
| 300 | 559 | 489 | 381 | 298.5 | 73.1 | 1.6 | 16-35 | 33 |
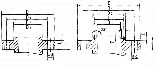
| 公称通径 | 外径 | 螺栓孔中心圆直径 | 连接凸出部分直径 | 内径 | 梯形槽中心圆直径 | 梯形槽深度 | 梯形槽宽度 | 法兰厚度 | 连接部分凸出高度 | 螺栓孔数量与直径 | 螺栓直径 |
| DN | D | D1 | D2 | D3 | L | F | E | t | f | n-d | M |
| 25 | 108 | 79.5 | 63.5 | 25 | 47.625 | 8.731 | 6.4 | 20.7 | 6.4 | 4-15 | 12 |
| 40 | 127 | 98.5 | 82.6 | 38 | 65.088 | 8.831 | 6.4 | 23.9 | 6.4 | 4-15 | 12 |
| 50 | 152 | 120.5 | 101.6 | 51 | 82.550 | 8.731 | 6.4 | 25.5 | 6.4 | 4-15 | 16 |
| 65 | 178 | 139.5 | 120.6 | 64 | 101.600 | 8.731 | 6.4 | 28.7 | 6.4 | 4-19 | 16 |
| 80 | 190 | 152.5 | 133.1 | 76 | 114.300 | 8.731 | 6.4 | 30.3 | 6.4 | 4-19 | 16 |
| 100 | 229 | 190.5 | 171.1 | 102 | 149.225 | 8.731 | 6.4 | 30.3 | 6.4 | 8-19 | 16 |
| 125 | 254 | 216.0 | 193.7 | 125 | 171.150 | 8.731 | 6.4 | 30.3 | 6.4 | 8-22 | 20 |
| 150 | 279 | 241.5 | 219.1 | 152 | 193.675 | 8.731 | 6.4 | 31.8 | 6.4 | 8-22 | 20 |
| 200 | 343 | 298.5 | 273.0 | 204 | 247.650 | 8.731 | 6.4 | 35 | 6.4 | 8-22 | 20 |
| 250 | 406 | 362.0 | 330.2 | 254 | 304.200 | 8.731 | 6.4 | 36.6 | 6.4 | 12-25 | 22 |
| 300 | 483 | 432.0 | 406.1 | 305 | 381.000 | 8.731 | 6.4 | 38.2 | 6.4 | 12-25 | 22 |
| 公称通径 | 外径 | 螺栓孔中心圆直径 | 连接凸出部分直径 | 内径 | 梯形槽中心圆直径 | 梯形槽深度 | 梯形槽宽度 | 法兰厚度 | 连接部分凸出高度 | 螺栓孔数量与直径 | 螺栓直径 |
| DN | D | D1 | D2 | D3 | L | F | E | t | f | n-d | M |
| 20 | 117 | 82.5 | 63.5 | 19 | 42.862 | 8.731 | 6.4 | 22.3 | 6.4 | 4-19 | 16 |
| 25 | 124 | 89.0 | 69.8 | 25 | 50.800 | 8.731 | 6.4 | 23.9 | 6.4 | 4-19 | 16 |
| 40 | 156 | 114.5 | 90.5 | 38 | 68.262 | 11.906 | 6.4 | 27.1 | 6.4 | 4-22 | 20 |
| 50 | 165 | 127.0 | 108.0 | 51 | 82.550 | 11.906 | 8.0 | 28.7 | 8.0 | 8-19 | 16 |
| 65 | 190 | 149.0 | 127.0 | 64 | 101.600 | 11.906 | 8.0 | 31.8 | 8.0 | 8-22 | 20 |
| 80 | 210 | 168.0 | 146.0 | 76 | 123.825 | 11.906 | 8.0 | 35 | 8.0 | 8-22 | 20 |
| 100 | 254 | 200.0 | 174.6 | 102 | 149.225 | 11.906 | 8.0 | 38.2 | 8.0 | 8-22 | 20 |
| 125 | 279 | 235.0 | 209.6 | 125 | 180.975 | 11.906 | 8.0 | 41.4 | 8.0 | 8-22 | 20 |
| 150 | 318 | 270.0 | 241.3 | 152 | 211.138 | 11.906 | 8.0 | 43 | 8.0 | 12-22 | 20 |
| 200 | 381 | 330.0 | 301.6 | 204 | 269.875 | 11.906 | 8.0 | 47.7 | 8.0 | 12-25 | 22 |
| 250 | 444 | 387.0 | 355.6 | 254 | 323.850 | 11.906 | 8.0 | 54.1 | 8.0 | 16-29 | 27 |
| 300 | 521 | 451.0 | 412.8 | 305 | 381.000 | 11.906 | 8.0 | 57.2 | 8.0 | 16-32 | 30 |
| 公称通径 | 外径 | 螺栓孔中心圆直径 | 连接凸出部分直径 | 内径 | 梯形槽中心圆直径 | 梯形槽深度 | 梯形槽宽度 | 法兰厚度 | 连接部分凸出高度 | 螺栓孔数量与直径 | 螺栓直径 |
| DN | D | D1 | D2 | D3 | L | F | E | t | f | n-d | M |
| 20 | 117 | 82.5 | 63.5 | 19 | 42.862 | 8.731 | 6.4 | 22.3 | 6.4 | 4-19 | 16 |
| 25 | 124 | 89.0 | 69.8 | 25 | 50.800 | 8.731 | 6.4 | 23.9 | 6.4 | 4-19 | 16 |
| 40 | 156 | 114.5 | 90.5 | 38 | 68.262 | 8.731 | 6.4 | 28.7 | 6.4 | 4-22 | 20 |
| 50 | 165 | 127.0 | 108.0 | 51 | 82.550 | 11.906 | 8.0 | 31.8 | 8.0 | 8-19 | 16 |
| 65 | 190 | 149.0 | 127.0 | 64 | 101.600 | 11.906 | 8.0 | 35.0 | 8.0 | 8-22 | 20 |
| 80 | 210 | 168.0 | 146.0 | 76 | 123.825 | 11.906 | 8.0 | 38.2 | 8.0 | 8-22 | 20 |
| 100 | 270 | 216.0 | 174.6 | 102 | 149.225 | 11.906 | 8.0 | 44.5 | 8.0 | 8-25 | 22 |
| 125 | 330 | 266.5 | 209.6 | 125 | 180.975 | 11.906 | 8.0 | 50.9 | 8.0 | 8-29 | 27 |
| 150 | 356 | 292 | 241.3 | 152 | 211.138 | 11.906 | 8.0 | 54.1 | 8.0 | 12-29 | 27 |
| 200 | 419 | 349 | 301.6 | 200 | 269.875 | 11.906 | 8.0 | 62.0 | 8.0 | 12-32 | 30 |
| 250 | 508 | 432 | 355.6 | 247.5 | 323.850 | 11.906 | 8.0 | 69.9 | 8.0 | 16-35 | 33 |
| 300 | 559 | 489 | 412.8 | 298.5 | 381.000 | 11.906 | 8.0 | 73.1 | 8.0 | 20-35 | 33 |
QQ: 769693943
Phone: 13816746668
Tel: 021-31001158
Email: 769693943
Add: 上海市金山区沪杭公路4169号