
| INCH | D | B1 | t | T1 | X | t2 | t1 | A | R | h | No | K | G | f | KG |
| 1/2 | 88.90 | 15.75 | 11.18 | 47.75 | 30.23 | 29.21 | 7.37 | 21.34 | 3.05 | 15.75 | 4 | 60.45 | 35.05 | 1.52 | 0.49 |
| 3/4 | 98.55 | 20.83 | 12.70 | 52.32 | 38.10 | 31.75 | 7.87 | 26.67 | 3.05 | 15.75 | 4 | 69.85 | 42.93 | 1.52 | 0.72 |
| 1 | 107.95 | 26.67 | 14.22 | 55.63 | 49.28 | 33.02 | 8.38 | 33.53 | 3.05 | 15.75 | 4 | 79.25 | 50.80 | 1.52 | 1.03 |
| 1.1/4 | 117.35 | 35.05 | 15.75 | 57.15 | 58.67 | 33.02 | 8.38 | 42.16 | 4.83 | 15.75 | 4 | 88.90 | 63.50 | 1.52 | 1.34 |
| 1.1/2 | 127.00 | 40.89 | 17.53 | 61.98 | 65.02 | 35.56 | 8.89 | 48.26 | 6.35 | 15.75 | 4 | 98.55 | 73.15 | 1.52 | 1.74 |
| 2 | 152.40 | 52.58 | 19.05 | 63.50 | 77.72 | 35.56 | 8.89 | 60.45 | 7.87 | 19.05 | 4 | 120.65 | 91.95 | 1.52 | 2.6 |
| 2.1/2 | 177.80 | 62.74 | 22.35 | 69.85 | 90.42 | 38.10 | 9.40 | 73.15 | 7.87 | 19.05 | 4 | 139.70 | 104.65 | 1.52 | 4.17 |
| 3 | 190.50 | 77.98 | 23.88 | 69.85 | 107.95 | 36.83 | 9.14 | 88.90 | 9.65 | 19.05 | 4 | 152.40 | 127.00 | 1.52 | 4.99 |
| 3.1/2 | 215.90 | 90.17 | 23.88 | 71.37 | 122.17 | 38.10 | 9.40 | 101.60 | 9.65 | 19.05 | 8 | 177.80 | 139.70 | 1.52 | 6.18 |
| 4 | 228.60 | 102.36 | 23.88 | 76.20 | 134.87 | 41.91 | 10.41 | 114.30 | 11.18 | 19.05 | 8 | 190.50 | 157.23 | 1.52 | 6.97 |
| 5 | 254.00 | 128.27 | 23.88 | 88.90 | 163.58 | 52.07 | 12.95 | 141.22 | 11.18 | 22.35 | 8 | 215.90 | 185.67 | 1.52 | 8.71 |
| 6 | 279.40 | 154.18 | 25.40 | 88.90 | 192.02 | 50.80 | 12.70 | 168.40 | 12.70 | 22.35 | 8 | 241.30 | 215.90 | 1.52 | 10.72 |
| 8 | 342.90 | 202.69 | 28.45 | 101.60 | 246.13 | 58.42 | 14.73 | 219.20 | 12.70 | 22.35 | 8 | 298.45 | 269.75 | 1.52 | 17.69 |
| 10 | 406.40 | 254.51 | 30.23 | 101.60 | 304.80 | 57.15 | 14.22 | 273.05 | 12.70 | 25.40 | 12 | 361.95 | 323.85 | 1.52 | 24.25 |
| 12 | 482.60 | 304.80 | 31.75 | 114.30 | 365.25 | 66.04 | 16.51 | 323.85 | 12.70 | 25.40 | 12 | 431.80 | 381.00 | 1.52 | 36.93 |
| 14 | 533.40 | 336.55 | 35.05 | 127.00 | 400.05 | 73.66 | 18.29 | 355.60 | 12.70 | 28.45 | 12 | 476.25 | 412.75 | 1.52 | 48.88 |
| 16 | 596.90 | 387.35 | 36.58 | 127.00 | 457.20 | 72.39 | 18.03 | 406.40 | 12.70 | 28.45 | 16 | 539.75 | 469.90 | 1.52 | 60.47 |
| 18 | 635.00 | 438.15 | 39.62 | 139.70 | 504.95 | 80.01 | 20.07 | 457.20 | 12.70 | 31.75 | 16 | 577.85 | 533.40 | 1.52 | 68.37 |
| 20 | 698.50 | 488.95 | 42.93 | 144.53 | 558.80 | 81.28 | 20.32 | 508.00 | 12.70 | 31.75 | 20 | 635.00 | 584.20 | 1.52 | 84.60 |
| 24 | 812.80 | 590.55 | 47.75 | 152.40 | 663.45 | 83.82 | 20.83 | 609.60 | 12.70 | 35.05 | 20 | 749.30 | 692.15 | 1.52 | 115.33 |
| INCH | D | B1 | t | T1 | X | t2 | t1 | A | R | h | No. | K | G | f | KG |
| 1/2 | 95.25 | 15.75 | 14.22 | 52.32 | 38.10 | 30.48 | 7.62 | 21.34 | 3.05 | 15.75 | 4 | 66.55 | 35.05 | 1.52 | 0.76 |
| 3/4 | 117.35 | 20.83 | 15.75 | 57.15 | 47.75 | 33.12 | 8.28 | 26.67 | 3.05 | 19.05 | 4 | 82.55 | 42.93 | 1.52 | 1.27 |
| 1 | 123.95 | 26.67 | 17.53 | 61.98 | 53.85 | 35.56 | 8.89 | 33.53 | 3.05 | 19.05 | 4 | 88.90 | 50.80 | 1.52 | 1.61 |
| 1.1/4 | 133.35 | 35.05 | 19.05 | 65.02 | 63.50 | 36.78 | 9.19 | 42.16 | 4.83 | 19.05 | 4 | 98.55 | 63.50 | 1.52 | 2.05 |
| 1.1/2 | 155.45 | 40.89 | 20.57 | 68.33 | 69.85 | 38.20 | 9.55 | 48.26 | 6.35 | 22.35 | 4 | 114.30 | 73.15 | 1.52 | 2.92 |
| 2 | 165.10 | 52.58 | 22.35 | 69.85 | 84.07 | 38.00 | 9.50 | 60.45 | 7.87 | 19.05 | 8 | 127.00 | 91.95 | 1.52 | 3.46 |
| 2.1/2 | 190.50 | 62.74 | 25.40 | 76.20 | 100.08 | 40.64 | 10.16 | 73.15 | 7.87 | 22.35 | 8 | 149.35 | 104.65 | 1.52 | 5.24 |
| 3 | 209.55 | 77.98 | 28.45 | 79.25 | 117.35 | 40.64 | 10.16 | 88.90 | 9.65 | 22.35 | 8 | 168.15 | 127.00 | 1.52 | 6.98 |
| 3.1/2 | 228.60 | 90.17 | 30.23 | 81.03 | 133.35 | 40.64 | 10.16 | 101.60 | 9.65 | 22.35 | 8 | 184.15 | 139.70 | 1.52 | 8.79 |
| 4 | 254.00 | 102.36 | 31.75 | 85.85 | 146.05 | 43.28 | 10.82 | 114.30 | 11.18 | 22.35 | 8 | 200.15 | 157.23 | 1.52 | 11.38 |
| 5 | 279.40 | 128.27 | 35.05 | 98.55 | 177.80 | 50.80 | 12.70 | 141.22 | 11.18 | 22.35 | 8 | 234.95 | 185.67 | 1.52 | 15.20 |
| 6 | 317.50 | 154.18 | 36.58 | 98.55 | 206.25 | 49.58 | 12.40 | 168.40 | 12.70 | 22.35 | 12 | 269.75 | 215.90 | 1.52 | 19.42 |
| 8 | 381.00 | 202.69 | 41.15 | 111.25 | 260.35 | 56.08 | 14.02 | 219.20 | 12.70 | 25.40 | 12 | 330.20 | 269.75 | 1.52 | 30.16 |
| 10 | 444.50 | 254.51 | 47.75 | 117.35 | 320.55 | 55.68 | 13.92 | 273.05 | 12.70 | 28.45 | 16 | 387.35 | 323.85 | 1.52 | 43.45 |
| 12 | 520.70 | 304.80 | 50.80 | 130.05 | 374.65 | 63.40 | 15.85 | 323.85 | 12.70 | 31.75 | 16 | 450.85 | 381.00 | 1.52 | 62.36 |
| 14 | 584.20 | 336.55 | 53.85 | 142.75 | 425.45 | 71.12 | 17.78 | 355.60 | 12.70 | 31.75 | 20 | 514.35 | 412.75 | 1.52 | 86.43 |
| 16 | 647.70 | 387.35 | 57.15 | 146.05 | 482.60 | 71.12 | 17.78 | 406.40 | 12.70 | 35.05 | 20 | 571.50 | 469.90 | 1.52 | 107.38 |
| 18 | 711.20 | 438.15 | 60.45 | 158.75 | 533.40 | 78.64 | 19.66 | 457.20 | 12.70 | 35.05 | 24 | 628.65 | 533.40 | 1.52 | 132.34 |
| 20 | 774.70 | 488.95 | 63.50 | 162.05 | 587.25 | 78.84 | 19.71 | 508.00 | 12.70 | 35.05 | 24 | 685.80 | 584.20 | 1.52 | 159.80 |
| 24 | 914.40 | 590.55 | 69.85 | 168.15 | 701.55 | 78.64 | 19.66 | 609.60 | 12.70 | 41.15 | 24 | 812.80 | 692.15 | 1.52 | 231.82 |
| INCH | D | B1 | t | T1 | X | t2 | t1 | A | R | h | No | K | G | f | KG |
| 1/2 | 95.25 | 15.75 | 14.22 | 52.32 | 38.10 | 30.48 | 7.62 | 21.34 | 3.05 | 15.75 | 4 | 66.55 | 35.05 | 6.35 | 0.86 |
| 3/4 | 117.35 | 20.83 | 15.75 | 57.15 | 47.75 | 33.02 | 8.38 | 26.67 | 3.05 | 19.05 | 4 | 82.55 | 42.93 | 6.35 | 1.42 |
| 1 | 123.95 | 26.67 | 17.53 | 61.98 | 53.85 | 35.56 | 8.89 | 33.53 | 3.05 | 19.05 | 4 | 88.90 | 50.80 | 6.35 | 1.79 |
| 1.1/4 | 133.35 | 35.05 | 20.57 | 66.55 | 63.50 | 36.83 | 9.14 | 42.16 | 4.83 | 19.05 | 4 | 98.55 | 63.50 | 6.35 | 2.42 |
| 1.1/2 | 155.45 | 40.89 | 22.35 | 69.85 | 69.85 | 38.10 | 9.40 | 48.26 | 6.35 | 22.35 | 4 | 114.30 | 73.15 | 6.35 | 3.44 |
| 2 | 165.10 | 52.58 | 25.40 | 73.15 | 84.07 | 38.10 | 9.65 | 60.45 | 7.87 | 19.05 | 8 | 127.00 | 91.95 | 6.35 | 4.24 |
| 2.1/2 | 190.50 | 62.74 | 28.45 | 79.25 | 100.08 | 40.64 | 10.16 | 73.15 | 7.87 | 22.35 | 8 | 149.35 | 104.65 | 6.35 | 6.25 |
| 3 | 209.55 | 77.98 | 31.75 | 82.55 | 117.35 | 40.64 | 10.16 | 88.90 | 9.65 | 22.35 | 8 | 168.15 | 127.00 | 6.35 | 8.29 |
| 3.1/2 | 228.60 | 90.17 | 35.05 | 85.85 | 133.35 | 40.64 | 10.16 | 101.60 | 9.65 | 25.40 | 8 | 184.15 | 139.70 | 6.35 | 10.45 |
| 4 | 273.05 | 102.36 | 38.10 | 101.60 | 152.40 | 50.80 | 12.70 | 114.30 | 11.18 | 25.40 | 8 | 215.90 | 157.23 | 6.35 | 16.93 |
| 5 | 330.20 | 128.27 | 44.45 | 114.30 | 188.98 | 55.88 | 13.97 | 141.22 | 11.18 | 28.45 | 8 | 266.70 | 185.67 | 6.35 | 28.39 |
| 6 | 355.60 | 154.18 | 47.75 | 117.35 | 222.25 | 55.63 | 13.97 | 168.40 | 12.70 | 28.45 | 12 | 292.10 | 215.90 | 6.35 | 33.67 |
| 8 | 419.10 | 202.69 | 55.63 | 133.35 | 273.05 | 62.23 | 15.49 | 219.20 | 12.70 | 31.75 | 12 | 349.25 | 269.75 | 6.35 | 51.48 |
| 10 | 508.00 | 254.51 | 63.50 | 152.40 | 342.90 | 71.12 | 17.78 | 273.05 | 12.70 | 35.05 | 16 | 431.80 | 323.85 | 6.35 | 83.98 |
| 12 | 558.80 | 304.80 | 66.55 | 155.45 | 400.05 | 71.12 | 17.78 | 323.85 | 12.70 | 35.05 | 20 | 488.95 | 381.00 | 6.35 | 100.20 |
| 14 | 603.25 | 336.55 | 69.85 | 165.10 | 431.80 | 76.20 | 19.05 | 355.60 | 12.70 | 38.10 | 20 | 527.05 | 412.75 | 6.35 | 119.06 |
| 16 | 685.80 | 387.35 | 76.20 | 177.80 | 495.30 | 81.28 | 20.32 | 406.40 | 12.70 | 41.15 | 20 | 603.25 | 469.90 | 6.35 | 166.23 |
| 18 | 742.95 | 438.15 | 82.55 | 184.15 | 546.10 | 81.28 | 20.32 | 457.20 | 12.70 | 44.45 | 20 | 654.05 | 533.40 | 6.35 | 199.11 |
| 20 | 812.80 | 488.95 | 88.90 | 190.50 | 609.60 | 81.28 | 20.32 | 508.00 | 12.70 | 44.45 | 24 | 723.90 | 584.20 | 6.35 | 248.56 |
| 24 | 939.80 | 590.55 | 101.60 | 203.20 | 717.55 | 81.28 | 20.32 | 609.60 | 12.70 | 50.80 | 24 | 838.20 | 692.15 | 6.35 | 350.35 |
| INCH | D | B1 | t | T1 | X | t2 | t1 | A | R | h | No | K | G | f | KG |
| 1/2 | 120.65 | 15.80 | 22.35 | 60.45 | 38.10 | 30.48 | 7.62 | 21.34 | 3.05 | 22.35 | 4 | 82.55 | 35.05 | 6.35 | 1.87 |
| 3/4 | 130.05 | 20.93 | 25.40 | 69.85 | 44.45 | 35.56 | 8.89 | 26.67 | 3.05 | 22.35 | 4 | 88.90 | 42.93 | 6.35 | 2.52 |
| 1 | 149.35 | 26.64 | 28.45 | 73.15 | 52.32 | 35.76 | 8.94 | 33.53 | 3.05 | 25.40 | 4 | 101.60 | 50.80 | 6.35 | 3.69 |
| 1.1/4 | 158.75 | 35.05 | 28.45 | 73.15 | 63.50 | 35.76 | 8.94 | 42.16 | 4.83 | 25.40 | 4 | 111.25 | 63.50 | 6.35 | 4.25 |
| 1.1/2 | 177.80 | 40.89 | 31.75 | 82.55 | 69.85 | 40.64 | 10.16 | 48.26 | 6.35 | 28.45 | 4 | 123.95 | 73.15 | 6.35 | 5.88 |
| 2 | 215.90 | 52.50 | 38.10 | 101.60 | 104.65 | 50.80 | 12.70 | 60.45 | 7.87 | 25.40 | 8 | 165.10 | 91.95 | 6.35 | 10.71 |
| 2.1/2 | 244.35 | 62.71 | 41.15 | 104.65 | 123.95 | 50.80 | 12.70 | 73.15 | 7.87 | 28.45 | 8 | 190.50 | 104.65 | 6.35 | 14.77 |
| 3 | 241.30 | 77.93 | 38.10 | 101.60 | 127.00 | 50.80 | 12.70 | 88.90 | 9.65 | 25.40 | 8 | 190.50 | 127.00 | 6.35 | 13.36 |
| 4 | 292.10 | 102.26 | 44.45 | 114.30 | 158.75 | 55.88 | 13.97 | 114.30 | 11.18 | 31.75 | 8 | 234.95 | 157.23 | 6.35 | 21.97 |
| 5 | 349.25 | 128.19 | 50.80 | 127.00 | 190.50 | 60.96 | 15.24 | 141.22 | 11.18 | 35.05 | 8 | 279.40 | 185.67 | 6.35 | 35.25 |
| 6 | 381.00 | 154.05 | 55.63 | 139.70 | 234.95 | 67.26 | 16.81 | 168.40 | 12.70 | 31.75 | 12 | 317.50 | 215.90 | 6.35 | 46.05 |
| 8 | 469.90 | 202.72 | 63.50 | 162.05 | 298.45 | 78.84 | 19.71 | 219.20 | 12.70 | 38.10 | 12 | 393.70 | 269.75 | 6.35 | 78.46 |
| 10 | 546.10 | 254.51 | 69.85 | 184.15 | 368.30 | 91.44 | 22.86 | 273.05 | 12.70 | 38.10 | 16 | 469.90 | 323.85 | 6.35 | 115.36 |
| 12 | 609.60 | 304.80 | 79.25 | 200.15 | 419.10 | 96.72 | 24.18 | 323.85 | 12.70 | 38.10 | 20 | 533.40 | 381.00 | 6.35 | 153.16 |
| 14 | 641.35 | 336.55 | 85.85 | 212.85 | 450.85 | 101.60 | 25.40 | 355.60 | 12.70 | 41.15 | 20 | 558.80 | 412.75 | 6.35 | 175.51 |
| 16 | 704.85 | 387.35 | 88.90 | 215.90 | 508.00 | 101.60 | 25.40 | 406.40 | 12.70 | 44.45 | 20 | 615.95 | 469.90 | 6.35 | 211.04 |
| 18 | 787.40 | 438.15 | 101.60 | 228.60 | 565.15 | 101.60 | 25.40 | 457.20 | 12.70 | 50.80 | 20 | 685.80 | 533.40 | 6.35 | 286.11 |
| 20 | 857.25 | 488.95 | 107.95 | 247.65 | 622.30 | 111.76 | 27.94 | 508.00 | 12.70 | 53.85 | 20 | 749.30 | 584.20 | 6.35 | 354.75 |
| 24 | 1041.40 | 590.55 | 139.70 | 292.10 | 749.30 | 121.92 | 30.48 | 609.60 | 12.70 | 66.55 | 20 | 901.70 | 692.15 | 6.35 | 652.91 |
| INCH | D | B1 | t | T1 | X | t2 | t1 | A | R | h | No | K | G | f | KG |
| 1/2 | 120.65 | 15.80 | 22.35 | 60.45 | 38.10 | 30.48 | 7.62 | 21.34 | 3.05 | 22.35 | 4 | 82.55 | 35.05 | 6.35 | 1.87 |
| 3/4 | 130.05 | 20.93 | 25.40 | 69.85 | 44.45 | 35.56 | 8.89 | 26.67 | 3.05 | 22.35 | 4 | 88.90 | 42.93 | 6.35 | 2.52 |
| 1 | 149.35 | 26.64 | 28.45 | 73.15 | 52.32 | 35.76 | 8.94 | 33.53 | 3.05 | 25.40 | 4 | 101.60 | 50.80 | 6.35 | 3.69 |
| 1.1/4 | 158.75 | 35.05 | 28.45 | 73.15 | 63.50 | 35.76 | 8.94 | 42.16 | 4.83 | 25.40 | 4 | 111.25 | 63.50 | 6.35 | 4.25 |
| 1.1/2 | 177.80 | 40.89 | 31.75 | 82.55 | 69.85 | 40.64 | 10.16 | 48.26 | 6.35 | 28.45 | 4 | 123.95 | 73.15 | 6.35 | 5.88 |
| 2 | 215.90 | 52.50 | 38.10 | 101.60 | 104.65 | 50.80 | 12.70 | 60.45 | 7.87 | 25.40 | 8 | 165.10 | 91.95 | 6.35 | 10.71 |
| 2.1/2 | 244.35 | 62.71 | 41.15 | 104.65 | 123.95 | 50.80 | 12.70 | 73.15 | 7.87 | 28.45 | 8 | 190.50 | 104.65 | 6.35 | 14.77 |
| 3 | 266.70 | 77.93 | 47.75 | 117.35 | 133.35 | 55.68 | 13.92 | 88.90 | 9.65 | 31.75 | 8 | 203.20 | 127.00 | 6.35 | 19.54 |
| 4 | 311.15 | 102.26 | 53.85 | 123.95 | 162.05 | 56.08 | 14.02 | 114.30 | 11.18 | 35.05 | 8 | 241.30 | 157.23 | 6.35 | 29.24 |
| 5 | 374.65 | 128.19 | 73.15 | 155.45 | 196.85 | 65.84 | 16.46 | 141.22 | 11.18 | 41.15 | 8 | 292.10 | 185.67 | 6.35 | 55.88 |
| 6 | 393.70 | 154.05 | 82.55 | 171.45 | 228.60 | 71.12 | 17.78 | 168.40 | 12.70 | 38.10 | 12 | 317.50 | 215.90 | 6.35 | 66.35 |
| 8 | 482.60 | 202.72 | 91.95 | 212.85 | 292.10 | 96.72 | 24.18 | 219.20 | 12.70 | 44.45 | 12 | 393.70 | 269.75 | 6.35 | 112.30 |
| 10 | 584.20 | 254.51 | 107.95 | 254.00 | 368.30 | 116.84 | 29.21 | 273.05 | 12.70 | 50.80 | 12 | 482.60 | 323.85 | 6.35 | 194.72 |
| 12 | 673.10 | 304.80 | 123.95 | 282.45 | 450.85 | 126.80 | 31.70 | 323.85 | 12.70 | 53.85 | 16 | 571.50 | 381.00 | 6.35 | 289.88 |
| 14 | 749.30 | 336.55 | 133.35 | 298.45 | 495.30 | 132.08 | 33.02 | 355.60 | 12.70 | 60.45 | 16 | 635.00 | 412.75 | 6.35 | 381.82 |
| 16 | 825.50 | 387.35 | 146.05 | 311.15 | 552.45 | 132.08 | 33.02 | 406.40 | 12.70 | 66.55 | 16 | 704.85 | 469.90 | 6.35 | 486.99 |
| 18 | 914.40 | 438.15 | 162.05 | 327.15 | 596.90 | 132.08 | 33.02 | 457.20 | 12.70 | 73.15 | 16 | 774.70 | 533.40 | 6.35 | 636.33 |
| 20 | 984.25 | 488.95 | 177.80 | 355.60 | 641.35 | 142.24 | 35.56 | 508.00 | 12.70 | 79.25 | 16 | 831.85 | 584.20 | 6.35 | 779.14 |
| 24 | 1168.40 | 590.55 | 203.20 | 406.40 | 762.00 | 162.56 | 40.64 | 609.60 | 12.70 | 91.95 | 16 | 990.60 | 692.15 | 6.35 | 1238.50 |
| INCH | D | B1 | t | T1 | X | t2 | t1 | A | R | h | No | K | G | f | KG |
| 1/2 | 133.35 | 15.75 | 30.23 | 73.15 | 42.93 | 34.29 | 8.64 | 21.34 | 3.05 | 22.35 | 4 | 88.90 | 35.05 | 6.35 | 3.12 |
| 3/4 | 139.70 | 20.83 | 31.75 | 79.25 | 50.80 | 38.10 | 9.40 | 26.67 | 3.05 | 22.35 | 4 | 95.25 | 42.93 | 6.35 | 3.68 |
| 1 | 158.75 | 26.67 | 35.05 | 88.90 | 57.15 | 43.18 | 10.67 | 33.53 | 3.05 | 25.40 | 4 | 107.95 | 50.80 | 6.35 | 5.21 |
| 1.1/4 | 184.15 | 35.05 | 38.10 | 95.25 | 73.15 | 45.72 | 11.43 | 42.16 | 4.83 | 28.45 | 4 | 130.05 | 63.50 | 6.35 | 7.68 |
| 1.1/2 | 203.20 | 40.89 | 44.45 | 111.25 | 79.25 | 53.34 | 13.46 | 48.26 | 6.35 | 31.75 | 4 | 146.05 | 73.15 | 6.35 | 10.76 |
| 2 | 234.95 | 52.58 | 50.80 | 127.00 | 95.25 | 60.96 | 15.24 | 60.45 | 7.87 | 28.45 | 8 | 171.45 | 91.95 | 6.35 | 15.98 |
| 2.1/2 | 266.70 | 62.74 | 57.15 | 142.75 | 114.30 | 68.58 | 17.02 | 73.15 | 7.87 | 31.75 | 8 | 196.85 | 104.65 | 6.35 | 23.37 |
| 3 | 304.80 | 77.98 | 66.55 | 168.15 | 133.35 | 81.28 | 20.32 | 88.90 | 9.65 | 35.05 | 8 | 228.60 | 127.00 | 6.35 | 35.44 |
| 4 | 355.60 | 102.36 | 76.20 | 190.50 | 165.10 | 91.44 | 22.86 | 114.30 | 11.18 | 41.15 | 8 | 273.05 | 157.23 | 6.35 | 54.26 |
| 5 | 419.10 | 128.27 | 91.95 | 228.60 | 203.20 | 109.22 | 27.43 | 141.22 | 11.18 | 47.75 | 8 | 323.85 | 185.67 | 6.35 | 90.31 |
| 6 | 482.60 | 154.18 | 107.95 | 273.05 | 234.95 | 132.08 | 33.02 | 168.40 | 12.70 | 53.85 | 8 | 368.30 | 215.90 | 6.35 | 139.64 |
| 8 | 552.45 | 202.69 | 127.00 | 317.50 | 304.80 | 152.40 | 38.10 | 219.20 | 12.70 | 53.85 | 12 | 438.15 | 269.75 | 6.35 | 208.90 |
| 10 | 673.10 | 254.51 | 165.10 | 419.10 | 374.65 | 203.20 | 50.80 | 273.05 | 12.70 | 66.55 | 12 | 539.75 | 323.85 | 6.35 | 397.09 |
| 12 | 762.00 | 304.80 | 184.15 | 463.55 | 441.45 | 223.52 | 55.88 | 323.85 | 12.70 | 73.15 | 12 | 619.25 | 381.00 | 6.35 | 562.37 |

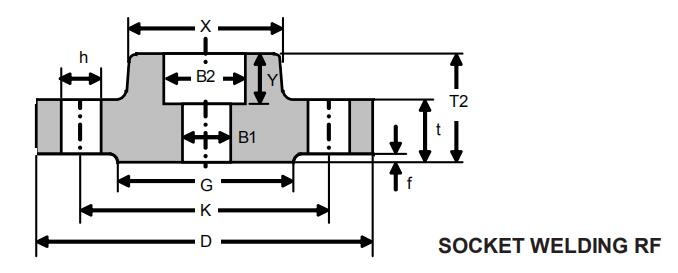
| INCH | D | B2 | B1 | t | Y | T2 | X | h | No | K | G | f | KG |
| 1/2 | 88.90 | 22.35 | 15.75 | 11.18 | 9.65 | 15.75 | 30.23 | 15.75 | 4 | 60.45 | 35.05 | 1.52 | 0.41 |
| 3/4 | 98.55 | 27.69 | 20.83 | 12.70 | 11.18 | 15.75 | 38.10 | 15.75 | 4 | 69.85 | 42.93 | 1.52 | 0.58 |
| 1 | 107.95 | 34.54 | 26.67 | 14.22 | 12.70 | 17.53 | 49.28 | 15.75 | 4 | 79.25 | 50.80 | 1.52 | 0.79 |
| 1.1/4 | 117.35 | 43.18 | 35.05 | 15.75 | 14.22 | 20.57 | 58.67 | 15.75 | 4 | 88.90 | 63.50 | 1.52 | 1.05 |
| 1.1/2 | 127.00 | 49.53 | 40.89 | 17.53 | 15.75 | 22.35 | 65.02 | 15.75 | 4 | 98.55 | 73.15 | 1.52 | 1.36 |
| 2 | 152.40 | 61.98 | 52.58 | 19.05 | 17.53 | 25.40 | 77.72 | 19.05 | 4 | 120.65 | 91.95 | 1.52 | 2.12 |
| 2.1/2 | 177.80 | 74.68 | 62.74 | 22.35 | 19.05 | 28.45 | 90.42 | 19.05 | 4 | 139.70 | 104.65 | 1.52 | 3.40 |
| 3 | 190.50 | 90.68 | 77.98 | 23.88 | 20.57 | 30.23 | 107.95 | 19.05 | 4 | 152.40 | 127.00 | 1.52 | 4.01 |
| 3.1/2 | 215.90 | 103.38 | 90.17 | 23.88 | 22.35 | 31.75 | 122.17 | 19.05 | 8 | 177.80 | 139.70 | 1.52 | 4.99 |
| 4 | 228.60 | 116.08 | 102.36 | 23.88 | 23.88 | 33.27 | 134.87 | 19.05 | 8 | 190.50 | 157.23 | 1.52 | 5.50 |
| 5 | 254.00 | 143.76 | 128.27 | 23.88 | 23.88 | 36.58 | 163.58 | 22.35 | 8 | 215.90 | 185.67 | 1.52 | 6.43 |
| 6 | 279.40 | 170.69 | 154.18 | 25.40 | 26.92 | 39.62 | 192.02 | 22.35 | 8 | 241.30 | 215.90 | 1.52 | 7.88 |
| 8 | 342.90 | 221.49 | 202.69 | 28.45 | 31.75 | 44.45 | 246.13 | 22.35 | 8 | 298.45 | 269.75 | 1.52 | 12.70 |
| 10 | 406.40 | 276.35 | 254.51 | 30.23 | 33.27 | 49.28 | 304.80 | 25.40 | 12 | 361.95 | 323.85 | 1.52 | 17.70 |
| 12 | 482.60 | 327.15 | 304.80 | 31.75 | 39.62 | 55.63 | 365.25 | 25.40 | 12 | 431.80 | 381.00 | 1.52 | 27.65 |
| 14 | 533.40 | 359.16 | 336.55 | 35.05 | 41.40 | 57.15 | 400.05 | 28.45 | 12 | 476.25 | 412.75 | 1.52 | 36.29 |
| 16 | 596.90 | 410.46 | 387.35 | 36.58 | 44.45 | 63.50 | 457.20 | 28.45 | 16 | 539.75 | 469.90 | 1.52 | 47.18 |
| 18 | 635.00 | 461.77 | 438.15 | 39.62 | 49.28 | 68.33 | 504.95 | 31.75 | 16 | 577.85 | 533.40 | 1.52 | 51.39 |
| 20 | 698.50 | 513.08 | 488.95 | 42.93 | 54.10 | 73.15 | 558.80 | 31.75 | 20 | 635.00 | 584.20 | 1.52 | 64.91 |
| 24 | 812.80 | 615.95 | 590.55 | 47.75 | 63.50 | 82.55 | 663.45 | 35.05 | 20 | 749.30 | 692.15 | 1.52 | 90.73 |
| INCH | D | B2 | B1 | t | Y | T2 | X | h | No | K | G | f | KG |
| 1/2 | 95.25 | 22.35 | 15.75 | 14.22 | 9.65 | 22.35 | 38.10 | 15.75 | 4 | 66.55 | 35.05 | 1.52 | 0.67 |
| 3/4 | 117.35 | 27.69 | 20.83 | 15.75 | 11.18 | 25.40 | 47.75 | 19.05 | 4 | 82.55 | 42.93 | 1.52 | 1.14 |
| 1 | 123.95 | 34.54 | 26.67 | 17.53 | 12.70 | 26.92 | 53.85 | 19.05 | 4 | 88.90 | 50.80 | 1.52 | 1.41 |
| 1.1/4 | 133.35 | 43.18 | 35.05 | 19.05 | 14.22 | 26.92 | 63.50 | 19.05 | 4 | 98.55 | 63.50 | 1.52 | 1.74 |
| 1.1/2 | 155.45 | 49.53 | 40.89 | 20.57 | 15.75 | 30.23 | 69.85 | 22.35 | 4 | 114.30 | 73.15 | 1.52 | 2.56 |
| 2 | 165.10 | 61.98 | 52.58 | 22.35 | 17.53 | 33.27 | 84.07 | 19.05 | 8 | 127.00 | 91.95 | 1.52 | 3.00 |
| 2.1/2 | 190.50 | 74.68 | 62.74 | 25.40 | 19.05 | 38.10 | 100.08 | 22.35 | 8 | 149.35 | 104.65 | 1.52 | 4.52 |
| 3 | 209.55 | 90.68 | 77.98 | 28.45 | 20.57 | 42.93 | 117.35 | 22.35 | 8 | 168.15 | 127.00 | 1.52 | 6.13 |
| 3.1/2 | 228.60 | 103.38 | 90.17 | 30.23 | 22.35 | 44.45 | 133.35 | 22.35 | 8 | 184.15 | 139.70 | 1.52 | 7.70 |
| 4 | 254.00 | 116.08 | 102.36 | 31.75 | 23.88 | 47.75 | 146.05 | 22.35 | 8 | 200.15 | 157.23 | 1.52 | 10.09 |
| 5 | 279.40 | 143.76 | 128.27 | 35.05 | 23.88 | 50.80 | 177.80 | 22.35 | 8 | 234.95 | 185.67 | 1.52 | 12.93 |
| 6 | 317.50 | 170.69 | 154.18 | 36.58 | 26.92 | 52.32 | 206.25 | 22.35 | 12 | 269.75 | 215.90 | 1.52 | 16.50 |
| 8 | 381.00 | 221.49 | 202.69 | 41.15 | 31.75 | 61.98 | 260.35 | 25.40 | 12 | 330.20 | 269.75 | 1.52 | 25.70 |
| 10 | 444.50 | 276.35 | 254.51 | 47.75 | 33.27 | 66.55 | 320.55 | 28.45 | 16 | 387.35 | 323.85 | 1.52 | 36.56 |
| 12 | 520.70 | 327.15 | 304.80 | 50.80 | 39.62 | 73.15 | 374.65 | 31.75 | 16 | 450.85 | 381.00 | 1.52 | 52.83 |
| 14 | 584.20 | 359.16 | 336.55 | 53.85 | 41.40 | 76.20 | 425.45 | 31.75 | 20 | 514.35 | 412.75 | 1.52 | 72.92 |
| 16 | 647.70 | 410.46 | 387.35 | 57.15 | 44.45 | 82.55 | 482.60 | 35.05 | 20 | 571.50 | 469.90 | 1.52 | 92.58 |
| 18 | 711.20 | 461.77 | 438.15 | 60.45 | 49.28 | 88.90 | 533.40 | 35.05 | 24 | 628.65 | 533.40 | 1.52 | 113.95 |
| 20 | 774.70 | 513.08 | 488.95 | 63.50 | 54.10 | 95.25 | 587.25 | 35.05 | 24 | 685.80 | 584.20 | 1.52 | 140.32 |
| 24 | 914.40 | 615.95 | 590.55 | 69.85 | 63.50 | 106.43 | 701.55 | 41.15 | 24 | 812.80 | 692.15 | 1.52 | 209.77 |
| INCH | D | B2 | B1 | t | Y | T2 | X | h | No | K | G | f | KG |
| 1/2 | 95.25 | 22.35 | 15.75 | 14.22 | 9.65 | 22.35 | 38.10 | 15.75 | 4 | 66.55 | 35.05 | 6.35 | 0.77 |
| 3/4 | 117.35 | 27.69 | 20.83 | 15.75 | 11.18 | 25.40 | 47.75 | 19.05 | 4 | 82.55 | 42.93 | 6.35 | 1.30 |
| 1 | 123.95 | 34.54 | 26.67 | 17.53 | 12.70 | 26.92 | 53.85 | 19.05 | 4 | 88.90 | 50.80 | 6.35 | 1.59 |
| 1.1/4 | 133.35 | 43.18 | 35.05 | 20.57 | 14.22 | 28.45 | 63.50 | 19.05 | 4 | 98.55 | 63.50 | 6.35 | 2.11 |
| 1.1/2 | 155.45 | 49.53 | 40.89 | 22.35 | 15.75 | 31.75 | 69.85 | 22.35 | 4 | 114.30 | 73.15 | 6.35 | 3.08 |
| 2 | 165.10 | 61.98 | 52.58 | 25.40 | 17.53 | 36.58 | 84.07 | 19.05 | 8 | 127.00 | 91.95 | 6.35 | 3.78 |
| 2.1/2 | 190.50 | 74.68 | 62.74 | 28.45 | 19.05 | 41.15 | 100.08 | 22.35 | 8 | 149.35 | 104.65 | 6.35 | 5.53 |
| 3 | 209.55 | 90.68 | 77.98 | 31.75 | 20.57 | 45.97 | 117.35 | 22.35 | 8 | 168.15 | 127.00 | 6.35 | 7.42 |
| 3.1/2 | 228.60 | 103.38 | 90.17 | 35.05 | 22.35 | 49.28 | 133.35 | 25.40 | 8 | 184.15 | 139.70 | 6.35 | 9.36 |
| 4 | 273.05 | 116.08 | 102.36 | 38.10 | 23.88 | 53.85 | 152.40 | 25.40 | 8 | 215.90 | 157.23 | 6.35 | 15.19 |
| 5 | 330.20 | 143.76 | 128.27 | 44.45 | 23.88 | 60.45 | 188.98 | 28.45 | 8 | 266.70 | 185.67 | 6.35 | 25.58 |
| 6 | 355.60 | 170.69 | 154.18 | 47.75 | 26.92 | 66.55 | 222.25 | 28.45 | 12 | 292.10 | 215.90 | 6.35 | 30.34 |
| 8 | 419.10 | 221.49 | 202.69 | 55.63 | 31.75 | 76.20 | 273.05 | 31.75 | 12 | 349.25 | 269.75 | 6.35 | 45.93 |
| 10 | 508.00 | 276.35 | 254.51 | 63.50 | 33.27 | 85.85 | 342.90 | 35.05 | 16 | 431.80 | 323.85 | 6.35 | 74.45 |
| 12 | 558.80 | 327.15 | 304.80 | 66.55 | 39.62 | 91.95 | 400.05 | 35.05 | 20 | 488.95 | 381.00 | 6.35 | 89.03 |
| 14 | 603.25 | 359.16 | 336.55 | 69.85 | 41.40 | 93.73 | 431.80 | 38.10 | 20 | 527.05 | 412.75 | 6.35 | 104.43 |
| 16 | 685.80 | 410.46 | 387.35 | 76.20 | 44.45 | 106.43 | 495.30 | 41.15 | 20 | 603.25 | 469.90 | 6.35 | 150.03 |
| 18 | 742.95 | 461.77 | 438.15 | 82.55 | 49.28 | 117.35 | 546.10 | 44.45 | 20 | 654.05 | 533.40 | 6.35 | 183.07 |
| 20 | 812.80 | 513.08 | 488.95 | 88.90 | 54.10 | 127.00 | 609.60 | 44.45 | 24 | 723.90 | 584.20 | 6.35 | 232.14 |
| 24 | 939.80 | 615.95 | 590.55 | 101.60 | 63.50 | 139.70 | 717.55 | 50.80 | 24 | 838.20 | 692.15 | 6.35 | 328.13 |
| INCH | D | B2 | B1 | t | Y | T2 | X | h | No | K | G | f | KG |
| 1/2 | 120.65 | 22.35 | 15.80 | 22.35 | 9.65 | 31.75 | 38.10 | 22.35 | 4 | 82.55 | 35.05 | 6.35 | 1.79 |
| 3/4 | 130.05 | 27.69 | 20.93 | 25.40 | 11.18 | 35.05 | 44.45 | 22.35 | 4 | 88.90 | 42.93 | 6.35 | 2.39 |
| 1 | 149.35 | 34.54 | 26.64 | 28.45 | 12.70 | 41.15 | 52.32 | 25.40 | 4 | 101.60 | 50.80 | 6.35 | 3.53 |
| 1.1/4 | 158.75 | 43.18 | 35.05 | 28.45 | 14.22 | 41.15 | 63.50 | 25.40 | 4 | 111.25 | 63.50 | 6.35 | 4.03 |
| 1.1/2 | 177.80 | 49.53 | 40.89 | 31.75 | 15.75 | 44.45 | 69.85 | 28.45 | 4 | 123.95 | 73.15 | 6.35 | 5.55 |
| 2 | 215.90 | 61.98 | 52.50 | 38.10 | 17.53 | 57.15 | 104.65 | 25.40 | 8 | 165.10 | 91.95 | 6.35 | 10.16 |
| 2.1/2 | 244.35 | 74.68 | 62.71 | 41.15 | 19.05 | 63.50 | 123.95 | 28.45 | 8 | 190.50 | 104.65 | 6.35 | 14.16 |
| 3 | 266.70 | 90.68 | 77.93 | 47.75 | 20.57 | 73.15 | 133.35 | 31.75 | 8 | 203.20 | 127.00 | 6.35 | 18.73 |
| 4 | 311.15 | 116.08 | 102.26 | 53.85 | 23.88 | 90.42 | 162.05 | 35.05 | 8 | 241.30 | 157.23 | 6.35 | 29.08 |
| 5 | 374.65 | 143.76 | 128.19 | 73.15 | 23.88 | 104.65 | 196.85 | 41.15 | 8 | 292.10 | 185.67 | 6.35 | 54.20 |
| 6 | 393.70 | 170.69 | 154.05 | 82.55 | 26.92 | 119.13 | 228.60 | 38.10 | 12 | 317.50 | 215.90 | 6.35 | 64.38 |
| 8 | 482.60 | 221.49 | 202.72 | 91.95 | 31.75 | 142.75 | 292.10 | 44.45 | 12 | 393.70 | 269.75 | 6.35 | 108.83 |
| 10 | 584.20 | 276.35 | 254.51 | 107.95 | 33.27 | 158.75 | 368.30 | 50.80 | 12 | 482.60 | 323.85 | 6.35 | 184.81 |
| 12 | 673.10 | 327.15 | 304.80 | 123.95 | 39.62 | 180.85 | 450.85 | 53.85 | 16 | 571.50 | 381.00 | 6.35 | 277.09 |

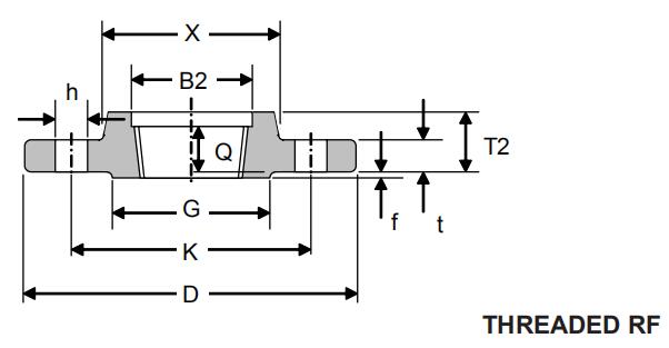
| INCH | D | B2 | t | T2 | X | Q | h | No | K | G | f | KG |
| 1/2 | 88.90 | 22.35 | 11.18 | 15.75 | 30.23 | 15.75 | 15.75 | 4 | 60.45 | 35.05 | 1.52 | 0.40 |
| 3/4 | 98.55 | 27.69 | 12.70 | 15.75 | 38.10 | 15.75 | 15.75 | 4 | 69.85 | 42.93 | 1.52 | 0.57 |
| 1 | 107.95 | 34.54 | 14.22 | 17.53 | 49.28 | 17.53 | 15.75 | 4 | 79.25 | 50.80 | 1.52 | 0.78 |
| 1.1/4 | 117.35 | 43.18 | 15.75 | 20.57 | 58.67 | 20.57 | 15.75 | 4 | 88.90 | 63.50 | 1.52 | 1.02 |
| 1.1/2 | 127.00 | 49.53 | 17.53 | 22.35 | 65.02 | 22.35 | 15.75 | 4 | 98.55 | 73.15 | 1.52 | 1.33 |
| 2 | 152.40 | 61.98 | 19.05 | 25.40 | 77.72 | 25.40 | 19.05 | 4 | 120.65 | 91.95 | 1.52 | 2.07 |
| 2.1/2 | 177.80 | 74.68 | 22.35 | 28.45 | 90.42 | 28.45 | 19.05 | 4 | 139.70 | 104.65 | 1.52 | 3.31 |
| 3 | 190.50 | 90.68 | 23.88 | 30.23 | 107.95 | 30.23 | 19.05 | 4 | 152.40 | 127.00 | 1.52 | 3.88 |
| 3.1/2 | 215.90 | 103.38 | 23.88 | 31.75 | 122.17 | 31.75 | 19.05 | 8 | 177.80 | 139.70 | 1.52 | 4.84 |
| 4 | 228.60 | 116.08 | 23.88 | 33.27 | 134.87 | 33.27 | 19.05 | 8 | 190.50 | 157.23 | 1.52 | 5.32 |
| 5 | 254.00 | 143.76 | 23.88 | 36.58 | 163.58 | 36.58 | 22.35 | 8 | 215.90 | 185.67 | 1.52 | 6.10 |
| 6 | 279.40 | 170.69 | 25.40 | 39.62 | 192.02 | 39.62 | 22.35 | 8 | 241.30 | 215.90 | 1.52 | 7.46 |
| 8 | 342.90 | 221.49 | 28.45 | 44.45 | 246.13 | 44.45 | 22.35 | 8 | 298.45 | 269.75 | 1.52 | 12.07 |
| 10 | 406.40 | 276.35 | 30.23 | 49.28 | 304.80 | 49.28 | 25.40 | 12 | 361.95 | 323.85 | 1.52 | 16.56 |
| 12 | 482.60 | 327.15 | 31.75 | 55.63 | 365.25 | 55.63 | 25.40 | 12 | 431.80 | 381.00 | 1.52 | 26.26 |
| 14 | 533.40 | 359.16 | 35.05 | 57.15 | 400.05 | 57.15 | 28.45 | 12 | 476.25 | 412.75 | 1.52 | 34.76 |
| 16 | 596.90 | 410.46 | 36.58 | 63.50 | 457.20 | 63.50 | 28.45 | 16 | 539.75 | 469.90 | 1.52 | 45.02 |
| 18 | 635.00 | 461.77 | 39.62 | 68.33 | 504.95 | 68.33 | 31.75 | 16 | 577.85 | 533.40 | 1.52 | 48.90 |
| 20 | 698.50 | 513.08 | 42.93 | 73.15 | 558.80 | 73.15 | 31.75 | 20 | 635.00 | 584.20 | 1.52 | 62.07 |
| 24 | 812.80 | 615.95 | 47.75 | 82.55 | 663.45 | 82.55 | 35.05 | 20 | 749.30 | 692.15 | 1.52 | 87.13 |
| INCH | D | B2 | t | T2 | X | Q | h | No | K | G | f | KG |
| 1/2 | 95.25 | 22.35 | 14.22 | 22.35 | 38.10 | 15.75 | 15.75 | 4 | 66.55 | 35.05 | 1.52 | 0.65 |
| 3/4 | 117.35 | 27.69 | 15.75 | 25.40 | 47.75 | 15.75 | 19.05 | 4 | 82.55 | 42.93 | 1.52 | 1.11 |
| 1 | 123.95 | 34.54 | 17.53 | 26.92 | 53.85 | 17.53 | 19.05 | 4 | 88.90 | 50.80 | 1.52 | 1.37 |
| 1.1/4 | 133.35 | 43.18 | 19.05 | 26.92 | 63.50 | 20.57 | 19.05 | 4 | 98.55 | 63.50 | 1.52 | 1.69 |
| 1.1/2 | 155.45 | 49.53 | 20.57 | 30.23 | 69.85 | 22.35 | 22.35 | 4 | 114.30 | 73.15 | 1.52 | 2.49 |
| 2 | 165.10 | 61.98 | 22.35 | 33.27 | 84.07 | 28.45 | 19.05 | 8 | 127.00 | 91.95 | 1.52 | 2.89 |
| 2.1/2 | 190.50 | 74.68 | 25.40 | 38.10 | 100.08 | 31.75 | 22.35 | 8 | 149.35 | 104.65 | 1.52 | 4.33 |
| 3 | 209.55 | 90.68 | 28.45 | 42.93 | 117.35 | 31.75 | 22.35 | 8 | 168.15 | 127.00 | 1.52 | 5.83 |
| 3.1/2 | 228.60 | 103.38 | 30.23 | 44.45 | 133.35 | 36.58 | 22.35 | 8 | 184.15 | 139.70 | 1.52 | 7.36 |
| 4 | 254.00 | 116.08 | 31.75 | 47.75 | 146.05 | 36.58 | 22.35 | 8 | 200.15 | 157.23 | 1.52 | 9.65 |
| 5 | 279.40 | 143.76 | 35.05 | 50.80 | 177.80 | 42.93 | 22.35 | 8 | 234.95 | 185.67 | 1.52 | 12.23 |
| 6 | 317.50 | 170.69 | 36.58 | 52.32 | 206.25 | 45.97 | 22.35 | 12 | 269.75 | 215.90 | 1.52 | 15.6 |
| 8 | 381.00 | 221.49 | 41.15 | 61.98 | 260.35 | 50.80 | 25.40 | 12 | 330.20 | 269.75 | 1.52 | 24.22 |
| 10 | 444.50 | 276.35 | 47.75 | 66.55 | 320.55 | 55.63 | 28.45 | 16 | 387.35 | 323.85 | 1.52 | 34.18 |
| 12 | 520.70 | 327.15 | 50.80 | 73.15 | 374.65 | 60.45 | 31.75 | 16 | 450.85 | 381.00 | 1.52 | 49.91 |
| 14 | 584.20 | 359.16 | 53.85 | 76.20 | 425.45 | 63.50 | 31.75 | 20 | 514.35 | 412.75 | 1.52 | 69.54 |
| 16 | 647.70 | 410.46 | 57.15 | 82.55 | 482.60 | 68.33 | 35.05 | 20 | 571.50 | 469.90 | 1.52 | 88.25 |
| 18 | 711.20 | 461.77 | 60.45 | 88.90 | 533.40 | 69.85 | 35.05 | 24 | 628.65 | 533.40 | 1.52 | 108.76 |
| 20 | 774.70 | 513.08 | 63.50 | 95.25 | 587.25 | 73.15 | 35.05 | 24 | 685.80 | 584.20 | 1.52 | 134.18 |
| 24 | 914.40 | 615.95 | 69.85 | 106.43 | 701.55 | 82.55 | 41.15 | 24 | 812.80 | 692.15 | 1.52 | 201.66 |
| INCH | D | B2 | t | T2 | X | Q | h | No | K | G | f | KG |
| 1/2 | 95.25 | 22.35 | 14.22 | 22.35 | 38.10 | 15.75 | 15.75 | 4 | 66.55 | 35.05 | 6.35 | 0.74 |
| 3/4 | 117.35 | 27.69 | 15.75 | 25.40 | 47.75 | 15.75 | 19.05 | 4 | 82.55 | 42.93 | 6.35 | 1.25 |
| 1 | 123.95 | 34.54 | 17.53 | 26.92 | 53.85 | 17.53 | 19.05 | 4 | 88.90 | 50.80 | 6.35 | 1.53 |
| 1.1/4 | 133.35 | 43.18 | 20.57 | 28.45 | 63.50 | 20.57 | 19.05 | 4 | 98.55 | 63.50 | 6.35 | 2.02 |
| 1.1/2 | 155.45 | 49.53 | 22.35 | 31.75 | 69.85 | 22.35 | 22.35 | 4 | 114.30 | 73.15 | 6.35 | 2.97 |
| 2 | 165.10 | 61.98 | 25.40 | 36.58 | 84.07 | 28.45 | 19.05 | 8 | 127.00 | 91.95 | 6.35 | 3.62 |
| 2.1/2 | 190.50 | 74.68 | 28.45 | 41.15 | 100.08 | 31.75 | 22.35 | 8 | 149.35 | 104.65 | 6.35 | 5.24 |
| 3 | 209.55 | 90.68 | 31.75 | 45.97 | 117.35 | 35.05 | 22.35 | 8 | 168.15 | 127.00 | 6.35 | 7.00 |
| 3.1/2 | 228.60 | 103.38 | 35.05 | 49.28 | 133.35 | 39.62 | 25.40 | 8 | 184.15 | 139.70 | 6.35 | 8.84 |
| 4 | 273.05 | 116.08 | 38.10 | 53.85 | 152.40 | 41.15 | 25.40 | 8 | 215.90 | 157.23 | 6.35 | 14.52 |
| 5 | 330.20 | 143.76 | 44.45 | 60.45 | 188.98 | 47.75 | 28.45 | 8 | 266.70 | 185.67 | 6.35 | 24.47 |
| 6 | 355.60 | 170.69 | 47.75 | 66.55 | 222.25 | 50.80 | 28.45 | 12 | 292.10 | 215.90 | 6.35 | 28.82 |
| 8 | 419.10 | 221.49 | 55.63 | 76.20 | 273.05 | 57.15 | 31.75 | 12 | 349.25 | 269.75 | 6.35 | 43.43 |
| 10 | 508.00 | 276.35 | 63.50 | 85.85 | 342.90 | 65.02 | 35.05 | 16 | 431.80 | 323.85 | 6.35 | 70.23 |
| 12 | 558.80 | 327.15 | 66.55 | 91.95 | 400.05 | 69.85 | 35.05 | 20 | 488.95 | 381.00 | 6.35 | 83.92 |
| 14 | 603.25 | 359.16 | 69.85 | 93.73 | 431.80 | 60.45 | 38.10 | 20 | 527.05 | 412.75 | 6.35 | 98.74 |
| 16 | 685.80 | 410.46 | 76.20 | 106.43 | 495.30 | 77.72 | 41.15 | 20 | 603.25 | 469.90 | 6.35 | 142.27 |
| 18 | 742.95 | 461.77 | 82.55 | 117.35 | 546.10 | 79.25 | 44.45 | 20 | 654.05 | 533.40 | 6.35 | 173.32 |
| 20 | 812.80 | 513.08 | 88.90 | 127.00 | 609.60 | 82.55 | 44.45 | 24 | 723.90 | 584.20 | 6.35 | 220.33 |
| 24 | 939.80 | 615.95 | 101.60 | 139.70 | 717.55 | 91.95 | 50.80 | 24 | 838.20 | 692.15 | 6.35 | 312.53 |
| INCH | D | B2 | t | T2 | X | Q | h | No | K | G | f | KG |
| 1/2 | 120.65 | 22.35 | 22.35 | 31.75 | 38.10 | 22.35 | 22.35 | 4 | 82.55 | 35.05 | 6.35 | 1.75 |
| 3/4 | 130.05 | 27.69 | 25.40 | 35.05 | 44.45 | 25.40 | 22.35 | 4 | 88.90 | 42.93 | 6.35 | 2.33 |
| 1 | 149.35 | 34.54 | 28.45 | 41.15 | 52.32 | 28.45 | 25.40 | 4 | 101.60 | 50.80 | 6.35 | 3.43 |
| 1.1/4 | 158.75 | 43.18 | 28.45 | 41.15 | 63.50 | 30.23 | 25.40 | 4 | 111.25 | 63.50 | 6.35 | 3.90 |
| 1.1/2 | 177.80 | 49.53 | 31.75 | 44.45 | 69.85 | 31.75 | 28.45 | 4 | 123.95 | 73.15 | 6.35 | 5.38 |
| 2 | 215.90 | 61.98 | 38.10 | 57.15 | 104.65 | 38.10 | 25.40 | 8 | 165.10 | 91.95 | 6.35 | 9.85 |
| 2.1/2 | 244.35 | 74.68 | 41.15 | 63.50 | 123.95 | 47.75 | 28.45 | 8 | 190.50 | 104.65 | 6.35 | 13.65 |
| 3 | 241.30 | 90.68 | 38.10 | 53.85 | 127.00 | 41.15 | 25.40 | 8 | 190.50 | 127.00 | 6.35 | 11.61 |
| 4 | 292.10 | 116.08 | 44.45 | 69.85 | 158.75 | 47.75 | 31.75 | 8 | 234.95 | 157.23 | 6.35 | 19.76 |
| 5 | 349.25 | 143.76 | 50.80 | 79.25 | 190.50 | 53.85 | 35.05 | 8 | 279.40 | 185.67 | 6.35 | 31.93 |
| 6 | 381.00 | 170.69 | 55.63 | 85.85 | 234.95 | 57.15 | 31.75 | 12 | 317.50 | 215.90 | 6.35 | 41.19 |
| 8 | 469.90 | 221.49 | 63.50 | 101.60 | 298.45 | 63.50 | 38.10 | 12 | 393.70 | 269.75 | 6.35 | 70.75 |
| 10 | 546.10 | 276.35 | 69.85 | 107.95 | 368.30 | 71.37 | 38.10 | 16 | 469.90 | 323.85 | 6.35 | 100.58 |
| 12 | 609.60 | 327.15 | 79.25 | 117.35 | 419.10 | 76.20 | 38.10 | 20 | 533.40 | 381.00 | 6.35 | 132.70 |
| 14 | 641.35 | 359.16 | 85.85 | 130.05 | 450.85 | 82.55 | 41.15 | 20 | 558.80 | 412.75 | 6.35 | 153.37 |
| 16 | 704.85 | 410.46 | 88.90 | 133.35 | 508.00 | 85.85 | 44.45 | 20 | 615.95 | 469.90 | 6.35 | 184.90 |
| 18 | 787.40 | 461.77 | 101.60 | 152.40 | 565.15 | 88.90 | 50.80 | 20 | 685.80 | 533.40 | 6.35 | 258.51 |
| 20 | 857.25 | 513.08 | 107.95 | 158.75 | 622.30 | 91.95 | 53.85 | 20 | 749.30 | 584.20 | 6.35 | 317.19 |
| 24 | 1041.40 | 615.95 | 139.70 | 203.20 | 749.30 | 101.60 | 66.55 | 20 | 901.70 | 692.15 | 6.35 | 606.21 |
| INCH | D | B2 | t | T2 | X | Q | h | No | K | G | f | KG |
| 1/2 | 120.65 | 22.35 | 22.35 | 31.75 | 38.10 | 22.35 | 22.35 | 4 | 82.55 | 35.05 | 6.35 | 1.75 |
| 3/4 | 130.05 | 27.69 | 25.40 | 35.05 | 44.45 | 25.40 | 22.35 | 4 | 88.90 | 42.93 | 6.35 | 2.33 |
| 1 | 149.35 | 34.54 | 28.45 | 41.15 | 52.32 | 28.45 | 25.40 | 4 | 101.60 | 50.80 | 6.35 | 3.43 |
| 1.1/4 | 158.75 | 43.18 | 28.45 | 41.15 | 63.50 | 30.23 | 25.40 | 4 | 111.25 | 63.50 | 6.35 | 3.90 |
| 1.1/2 | 177.80 | 49.53 | 31.75 | 44.45 | 69.85 | 31.75 | 28.45 | 4 | 123.95 | 73.15 | 6.35 | 5.38 |
| 2 | 215.90 | 61.98 | 38.10 | 57.15 | 104.65 | 38.10 | 25.40 | 8 | 165.10 | 91.95 | 6.35 | 9.85 |
| 2.1/2 | 244.35 | 74.68 | 41.15 | 63.50 | 123.95 | 47.75 | 28.45 | 8 | 190.50 | 104.65 | 6.35 | 13.65 |
| 3 | 266.70 | 90.68 | 47.75 | 73.15 | 133.35 | 50.80 | 31.75 | 8 | 203.20 | 127.00 | 6.35 | 17.95 |
| 4 | 311.15 | 116.08 | 53.85 | 90.42 | 162.05 | 57.15 | 35.05 | 8 | 241.30 | 157.23 | 6.35 | 27.73 |
| 5 | 374.65 | 143.76 | 73.15 | 104.65 | 196.85 | 63.50 | 41.15 | 8 | 292.10 | 185.67 | 6.35 | 51.93 |
| 6 | 393.70 | 170.69 | 82.55 | 119.13 | 228.60 | 69.85 | 38.10 | 12 | 317.50 | 215.90 | 6.35 | 61.09 |
| 8 | 482.60 | 221.49 | 91.95 | 142.75 | 292.10 | 76.20 | 44.45 | 12 | 393.70 | 269.75 | 6.35 | 103.07 |
| 10 | 584.20 | 276.35 | 107.95 | 158.75 | 368.30 | 84.07 | 50.80 | 12 | 482.60 | 323.85 | 6.35 | 175.39 |
| 12 | 673.10 | 327.15 | 123.95 | 180.85 | 450.85 | 91.95 | 53.85 | 16 | 571.50 | 381.00 | 6.35 | 264.24 |
| INCH | D | B2 | t | T2 | X | Q | h | No | K | G | f | KG |
| 1/2 | 133.35 | 22.35 | 30.23 | 39.62 | 42.93 | 28.45 | 22.35 | 4 | 88.90 | 35.05 | 6.35 | 2.96 |
| 3/4 | 139.70 | 27.69 | 31.75 | 42.93 | 50.80 | 31.75 | 22.35 | 4 | 95.25 | 42.93 | 6.35 | 3.45 |
| 1 | 158.75 | 34.54 | 35.05 | 47.75 | 57.15 | 35.05 | 25.40 | 4 | 107.95 | 50.80 | 6.35 | 4.85 |
| 1.1/4 | 184.15 | 43.18 | 38.10 | 52.32 | 73.15 | 38.10 | 28.45 | 4 | 130.05 | 63.50 | 6.35 | 7.16 |
| 1.1/2 | 203.20 | 49.53 | 44.45 | 60.45 | 79.25 | 44.45 | 31.75 | 4 | 146.05 | 73.15 | 6.35 | 10.03 |
| 2 | 234.95 | 61.98 | 50.80 | 69.85 | 95.25 | 50.80 | 28.45 | 8 | 171.45 | 91.95 | 6.35 | 14.85 |
| 2.1/2 | 266.70 | 74.68 | 57.15 | 79.25 | 114.30 | 57.15 | 31.75 | 8 | 196.85 | 104.65 | 6.35 | 21.49 |
| 3 | 304.80 | 90.68 | 66.55 | 91.95 | 133.35 | 63.50 | 35.05 | 8 | 228.60 | 127.00 | 6.35 | 32.52 |
| 4 | 355.60 | 116.08 | 76.20 | 107.95 | 165.10 | 69.85 | 41.15 | 8 | 273.05 | 157.23 | 6.35 | 49.85 |
| 5 | 419.10 | 143.76 | 91.95 | 130.05 | 203.20 | 76.20 | 47.75 | 8 | 323.85 | 185.67 | 6.35 | 82.90 |
| 6 | 482.60 | 170.69 | 107.95 | 152.40 | 234.95 | 82.55 | 53.85 | 8 | 368.30 | 215.90 | 6.35 | 128.01 |
| 8 | 552.45 | 221.49 | 127.00 | 177.80 | 304.80 | 95.25 | 53.85 | 12 | 438.15 | 269.75 | 6.35 | 187.97 |
| 10 | 673.10 | 276.35 | 165.10 | 228.60 | 374.65 | 107.95 | 66.55 | 12 | 539.75 | 323.85 | 6.35 | 355.51 |
| 12 | 762.00 | 327.15 | 184.15 | 254.00 | 441.45 | 120.65 | 73.15 | 12 | 619.25 | 381.00 | 6.35 | 504.15 |

| INCH | D | B3 | t | T3 | X | h | No | K | R | KG |
| 1/2 | 88.90 | 22.86 | 11.18 | 15.75 | 30.23 | 15.75 | 4 | 60.45 | 3.05 | 0.45 |
| 3/4 | 98.55 | 28.19 | 12.70 | 15.75 | 38.10 | 15.75 | 4 | 69.85 | 3.05 | 0.63 |
| 1 | 107.95 | 35.05 | 14.22 | 17.53 | 49.28 | 15.75 | 4 | 79.25 | 3.05 | 0.85 |
| 1.1/4 | 117.35 | 43.69 | 15.75 | 20.57 | 58.67 | 15.75 | 4 | 88.90 | 4.83 | 1.10 |
| 1.1/2 | 127.00 | 50.04 | 17.53 | 22.35 | 65.02 | 15.75 | 4 | 98.55 | 6.35 | 1.42 |
| 2 | 152.40 | 62.48 | 19.05 | 25.40 | 77.72 | 19.05 | 4 | 120.65 | 7.87 | 2.18 |
| 2.1/2 | 177.80 | 75.44 | 22.35 | 28.45 | 90.42 | 19.05 | 4 | 139.70 | 7.87 | 3.47 |
| 3 | 190.50 | 91.44 | 23.88 | 30.23 | 107.95 | 19.05 | 4 | 152.40 | 9.65 | 4.03 |
| 3.1/2 | 215.90 | 104.14 | 23.88 | 31.75 | 122.17 | 19.05 | 8 | 177.80 | 9.65 | 5.04 |
| 4 | 228.60 | 116.84 | 23.88 | 33.27 | 134.87 | 19.05 | 8 | 190.50 | 11.18 | 5.52 |
| 5 | 254.00 | 144.53 | 23.88 | 36.58 | 163.58 | 22.35 | 8 | 215.90 | 11.18 | 6.29 |
| 6 | 279.40 | 171.45 | 25.40 | 39.62 | 192.02 | 22.35 | 8 | 241.30 | 12.70 | 7.65 |
| 8 | 342.90 | 222.25 | 28.45 | 44.45 | 246.13 | 22.35 | 8 | 298.45 | 12.70 | 12.36 |
| 10 | 406.40 | 277.37 | 30.23 | 49.28 | 304.80 | 25.40 | 12 | 361.95 | 12.70 | 16.88 |
| 12 | 482.60 | 328.17 | 31.75 | 55.63 | 365.25 | 25.40 | 12 | 431.80 | 12.70 | 26.78 |
| 14 | 533.40 | 360.17 | 35.05 | 79.25 | 400.05 | 28.45 | 12 | 476.25 | 12.70 | 39.61 |
| 16 | 596.90 | 411.23 | 36.58 | 87.38 | 457.20 | 28.45 | 16 | 539.75 | 12.70 | 51.80 |
| 18 | 635.00 | 462.28 | 39.62 | 96.77 | 504.95 | 31.75 | 16 | 577.85 | 12.70 | 56.90 |
| 20 | 698.50 | 514.35 | 42.93 | 103.12 | 558.80 | 31.75 | 20 | 635.00 | 12.70 | 71.48 |
| 24 | 812.80 | 615.95 | 47.75 | 111.25 | 663.45 | 35.05 | 20 | 749.30 | 12.70 | 99.36 |
| INCH | D | B3 | t | T3 | X | h | No | K | R | Kg |
| 1/2 | 95.25 | 22.86 | 14.22 | 22.35 | 38.10 | 15.75 | 4 | 66.55 | 3.05 | 0.71 |
| 3/4 | 117.35 | 28.19 | 15.75 | 25.40 | 47.75 | 19.05 | 4 | 82.55 | 3.05 | 1.21 |
| 1 | 123.95 | 35.05 | 17.53 | 26.92 | 53.85 | 19.05 | 4 | 88.90 | 3.05 | 1.47 |
| 1.1/4 | 133.35 | 43.69 | 19.05 | 26.92 | 63.50 | 19.05 | 4 | 98.55 | 4.83 | 1.80 |
| 1.1/2 | 155.45 | 50.04 | 20.57 | 30.23 | 69.85 | 22.35 | 4 | 114.30 | 6.35 | 2.64 |
| 2 | 165.10 | 62.48 | 22.35 | 33.27 | 84.07 | 19.05 | 8 | 127.00 | 7.87 | 3.03 |
| 2.1/2 | 190.50 | 75.44 | 25.40 | 38.10 | 100.08 | 22.35 | 8 | 149.35 | 7.87 | 4.50 |
| 3 | 209.55 | 91.44 | 28.45 | 42.93 | 117.35 | 22.35 | 8 | 168.15 | 9.65 | 6.02 |
| 3.1/2 | 228.60 | 104.14 | 30.23 | 44.45 | 133.35 | 22.35 | 8 | 184.15 | 9.65 | 7.58 |
| 4 | 254.00 | 116.84 | 31.75 | 47.75 | 146.05 | 22.35 | 8 | 200.15 | 11.18 | 9.93 |
| 5 | 279.40 | 144.53 | 35.05 | 50.80 | 177.80 | 22.35 | 8 | 234.95 | 11.18 | 12.53 |
| 6 | 317.50 | 171.45 | 36.58 | 52.32 | 206.25 | 22.35 | 12 | 269.75 | 12.70 | 16.03 |
| 8 | 381.00 | 222.25 | 41.15 | 61.98 | 260.35 | 25.40 | 12 | 330.20 | 12.70 | 24.69 |
| 10 | 444.50 | 277.37 | 47.75 | 95.25 | 320.55 | 28.45 | 16 | 387.35 | 12.70 | 39.27 |
| 12 | 520.70 | 328.17 | 50.80 | 101.60 | 374.65 | 31.75 | 16 | 450.85 | 12.70 | 56.37 |
| 14 | 584.20 | 360.17 | 53.85 | 111.25 | 425.45 | 31.75 | 20 | 514.35 | 12.70 | 81.70 |
| 16 | 647.70 | 411.23 | 57.15 | 120.65 | 482.60 | 35.05 | 20 | 571.50 | 12.70 | 104.55 |
| 18 | 711.20 | 462.28 | 60.45 | 130.05 | 533.40 | 35.05 | 24 | 628.65 | 12.70 | 128.26 |
| 20 | 774.70 | 514.35 | 63.50 | 139.70 | 587.25 | 35.05 | 24 | 685.80 | 12.70 | 157.57 |
| 24 | 914.40 | 615.95 | 69.85 | 152.40 | 701.55 | 41.15 | 24 | 812.80 | 12.70 | 236.59 |
| INCH | D | B3 | t | T3 | X | h | No | K | R | KG |
| 1/2 | 95.25 | 22.86 | 14.22 | 22.35 | 38.10 | 15.75 | 4 | 66.55 | 3.05 | 0.71 |
| 3/4 | 117.35 | 28.19 | 15.75 | 25.40 | 47.75 | 19.05 | 4 | 82.55 | 3.05 | 1.21 |
| 1 | 123.95 | 35.05 | 17.53 | 26.92 | 53.85 | 19.05 | 4 | 88.90 | 3.05 | 1.47 |
| 1.1/4 | 133.35 | 43.69 | 20.57 | 28.45 | 63.50 | 19.05 | 4 | 98.55 | 4.83 | 1.93 |
| 1.1/2 | 155.45 | 50.04 | 22.35 | 31.75 | 69.85 | 22.35 | 4 | 114.30 | 6.35 | 2.85 |
| 2 | 165.10 | 62.48 | 25.40 | 36.58 | 84.07 | 19.05 | 8 | 127.00 | 7.87 | 3.42 |
| 2.1/2 | 190.50 | 75.44 | 28.45 | 41.15 | 100.08 | 22.35 | 8 | 149.35 | 7.87 | 5.00 |
| 3 | 209.55 | 91.44 | 31.75 | 45.97 | 117.35 | 22.35 | 8 | 168.15 | 9.65 | 6.65 |
| 3.1/2 | 228.60 | 104.14 | 35.05 | 49.28 | 133.35 | 25.40 | 8 | 184.15 | 9.65 | 8.44 |
| 4 | 273.05 | 116.84 | 38.10 | 53.85 | 152.40 | 25.40 | 8 | 215.90 | 11.18 | 14.02 |
| 5 | 330.20 | 144.53 | 44.45 | 60.45 | 188.98 | 28.45 | 8 | 266.70 | 11.18 | 23.84 |
| 6 | 355.60 | 171.45 | 47.75 | 66.55 | 222.25 | 28.45 | 12 | 292.10 | 12.70 | 28.03 |
| 8 | 419.10 | 222.25 | 55.63 | 76.20 | 273.05 | 31.75 | 12 | 349.25 | 12.70 | 42.34 |
| 10 | 508.00 | 277.37 | 63.50 | 111.25 | 342.90 | 35.05 | 16 | 431.80 | 12.70 | 75.18 |
| 12 | 558.80 | 328.17 | 66.55 | 117.35 | 400.05 | 35.05 | 20 | 488.95 | 12.70 | 90.25 |
| 14 | 603.25 | 360.17 | 69.85 | 127.00 | 431.80 | 38.10 | 20 | 527.05 | 12.70 | 108.34 |
| 16 | 685.80 | 411.23 | 76.20 | 139.70 | 495.30 | 41.15 | 20 | 603.25 | 12.70 | 155.44 |
| 18 | 742.95 | 462.28 | 82.55 | 152.40 | 546.10 | 44.45 | 20 | 654.05 | 12.70 | 188.45 |
| 20 | 812.80 | 514.35 | 88.90 | 165.10 | 609.60 | 44.45 | 24 | 723.90 | 12.70 | 241.40 |
| 24 | 939.80 | 615.95 | 101.60 | 184.15 | 717.55 | 50.80 | 24 | 838.20 | 12.70 | 345.76 |
| INCH | D | B3 | t | T3 | X | h | No | K | R | KG |
| 1/2 | 120.65 | 22.86 | 22.35 | 31.75 | 38.10 | 22.35 | 4 | 82.55 | 3.05 | 1.71 |
| 3/4 | 130.05 | 28.19 | 25.40 | 35.05 | 44.45 | 22.35 | 4 | 88.90 | 3.05 | 2.28 |
| 1 | 149.35 | 35.05 | 28.45 | 41.15 | 52.32 | 25.40 | 4 | 101.60 | 3.05 | 3.36 |
| 1.1/4 | 158.75 | 43.69 | 28.45 | 41.15 | 63.50 | 25.40 | 4 | 111.25 | 4.83 | 3.80 |
| 1.1/2 | 177.80 | 50.04 | 31.75 | 44.45 | 69.85 | 28.45 | 4 | 123.95 | 6.35 | 5.25 |
| 2 | 215.90 | 62.48 | 38.10 | 57.15 | 104.65 | 25.40 | 8 | 165.10 | 7.87 | 9.65 |
| 2.1/2 | 244.35 | 75.44 | 41.15 | 63.50 | 123.95 | 28.45 | 8 | 190.50 | 7.87 | 13.39 |
| 3 | 241.30 | 91.44 | 38.10 | 53.85 | 127.00 | 25.40 | 8 | 190.50 | 9.65 | 11.26 |
| 4 | 292.10 | 116.84 | 44.45 | 69.85 | 158.75 | 31.75 | 8 | 234.95 | 11.18 | 19.24 |
| 5 | 349.25 | 144.53 | 50.80 | 79.25 | 190.50 | 35.05 | 8 | 279.40 | 11.18 | 31.28 |
| 6 | 381.00 | 171.45 | 55.63 | 85.85 | 234.95 | 31.75 | 12 | 317.50 | 12.70 | 40.36 |
| 8 | 469.90 | 222.25 | 63.50 | 114.30 | 298.45 | 38.10 | 12 | 393.70 | 12.70 | 72.71 |
| 10 | 546.10 | 277.37 | 69.85 | 127.00 | 368.30 | 38.10 | 16 | 469.90 | 12.70 | 105.98 |
| 12 | 609.60 | 328.17 | 79.25 | 142.75 | 419.10 | 38.10 | 20 | 533.40 | 12.70 | 141.37 |
| 14 | 641.35 | 360.17 | 85.85 | 155.45 | 450.85 | 41.15 | 20 | 558.80 | 12.70 | 162.69 |
| 16 | 704.85 | 411.23 | 88.90 | 165.10 | 508.00 | 44.45 | 20 | 615.95 | 12.70 | 199.75 |
| 18 | 787.40 | 462.28 | 101.60 | 190.50 | 565.15 | 50.80 | 20 | 685.80 | 12.70 | 280.10 |
| 20 | 857.25 | 514.35 | 107.95 | 209.55 | 622.30 | 53.85 | 20 | 749.30 | 12.70 | 351.28 |
| 24 | 1041.40 | 615.95 | 139.70 | 266.70 | 749.30 | 66.55 | 20 | 901.70 | 12.70 | 673.58 |
| INCH | D | B3 | t | T3 | X | h | No | K | R | Kg |
| 1/2 | 120.65 | 22.86 | 22.35 | 31.75 | 38.10 | 22.35 | 4 | 82.55 | 3.05 | 1.71 |
| 3/4 | 130.05 | 28.19 | 25.40 | 35.05 | 44.45 | 22.35 | 4 | 88.90 | 3.05 | 2.28 |
| 1 | 149.35 | 35.05 | 28.45 | 41.15 | 52.32 | 25.40 | 4 | 101.60 | 3.05 | 3.36 |
| 1.1/4 | 158.75 | 43.69 | 28.45 | 41.15 | 63.50 | 25.40 | 4 | 111.25 | 4.83 | 3.8 |
| 1.1/2 | 177.80 | 50.04 | 31.75 | 44.45 | 69.85 | 28.45 | 4 | 123.95 | 6.35 | 5.2 |
| 2 | 215.90 | 62.48 | 38.10 | 57.15 | 104.65 | 25.40 | 8 | 165.10 | 7.87 | 9.65 |
| 2.1/2 | 244.35 | 75.44 | 41.15 | 63.50 | 123.95 | 28.45 | 8 | 190.50 | 7.87 | 13.39 |
| 3 | 266.70 | 91.44 | 47.75 | 73.15 | 133.35 | 31.75 | 8 | 203.20 | 9.65 | 17.5 |
| 4 | 311.15 | 116.84 | 53.85 | 90.42 | 162.05 | 35.05 | 8 | 241.30 | 11.18 | 27.19 |
| 5 | 374.65 | 144.53 | 73.15 | 104.65 | 196.85 | 41.15 | 8 | 292.10 | 11.18 | 51.2 |
| 6 | 393.70 | 171.45 | 82.55 | 119.13 | 228.60 | 38.10 | 12 | 317.50 | 12.70 | 60.22 |
| 8 | 482.60 | 222.25 | 91.95 | 142.75 | 292.10 | 44.45 | 12 | 393.70 | 12.70 | 101.84 |
| 10 | 584.20 | 277.37 | 107.95 | 177.80 | 368.30 | 50.80 | 12 | 482.60 | 12.70 | 180.62 |
| 12 | 673.10 | 328.17 | 123.95 | 218.95 | 450.85 | 53.85 | 16 | 571.50 | 12.70 | 284.45 |
| 14 | 749.30 | 360.17 | 133.35 | 241.30 | 495.30 | 60.45 | 16 | 635.00 | 12.70 | 383.82 |
| 16 | 825.50 | 411.23 | 146.05 | 260.35 | 552.45 | 66.55 | 16 | 704.85 | 12.70 | 493.43 |
| 18 | 914.40 | 462.28 | 162.05 | 276.35 | 596.90 | 73.15 | 16 | 774.70 | 12.70 | 636.81 |
| 20 | 984.25 | 514.35 | 177.80 | 292.10 | 641.35 | 79.25 | 16 | 831.85 | 12.70 | 765.21 |
| 24 | 1168.40 | 615.95 | 203.20 | 330.20 | 762.00 | 91.95 | 16 | 990.60 | 12.70 | 1223.07 |
| INCH | D | B3 | t | T3 | X | h | No | K | R | KG |
| 1/2 | 133.35 | 22.86 | 30.23 | 39.62 | 42.93 | 22.35 | 4 | 88.90 | 3.05 | 2.92 |
| 3/4 | 139.70 | 28.19 | 31.75 | 42.93 | 50.80 | 22.35 | 4 | 95.25 | 3.05 | 3.40 |
| 1 | 158.75 | 35.05 | 35.05 | 47.75 | 57.15 | 25.40 | 4 | 107.95 | 3.05 | 4.78 |
| 1.1/4 | 184.15 | 43.69 | 38.10 | 52.32 | 73.15 | 28.45 | 4 | 130.05 | 4.83 | 7.06 |
| 1.1/2 | 203.20 | 50.04 | 44.45 | 60.45 | 79.25 | 31.75 | 4 | 146.05 | 6.35 | 9.90 |
| 2 | 234.95 | 62.48 | 50.80 | 69.85 | 95.25 | 28.45 | 8 | 171.45 | 7.87 | 14.65 |
| 2.1/2 | 266.70 | 75.44 | 57.15 | 79.25 | 114.30 | 31.75 | 8 | 196.85 | 7.87 | 21.22 |
| 3 | 304.80 | 91.44 | 66.55 | 91.95 | 133.35 | 35.05 | 8 | 228.60 | 9.65 | 32.13 |
| 4 | 355.60 | 116.84 | 76.20 | 107.95 | 165.10 | 41.15 | 8 | 273.05 | 11.18 | 49.2 |
| 5 | 419.10 | 144.53 | 91.95 | 130.05 | 203.20 | 47.75 | 8 | 323.85 | 11.18 | 82.18 |
| 6 | 482.60 | 171.45 | 107.95 | 152.40 | 234.95 | 53.85 | 8 | 368.30 | 12.70 | 127.08 |
| 8 | 552.45 | 222.25 | 127.00 | 177.80 | 304.80 | 53.85 | 12 | 438.15 | 12.70 | 186.68 |
| 10 | 673.10 | 277.37 | 165.10 | 228.60 | 374.65 | 66.55 | 12 | 539.75 | 12.70 | 353.60 |
| 12 | 762.00 | 328.17 | 184.15 | 254.00 | 441.45 | 73.15 | 12 | 619.25 | 12.70 | 501.61 |

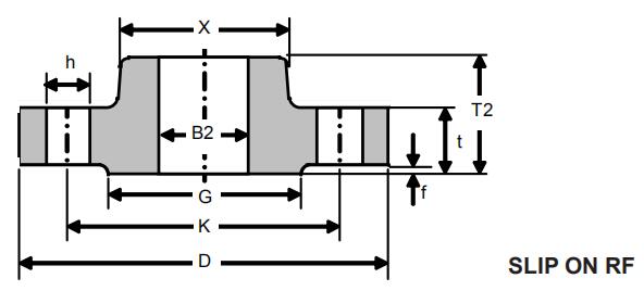
| INCH | D | t | h | No | K | G | f | KG |
| 1/2 | 88.90 | 11.18 | 15.75 | 4 | 60.45 | 35.05 | 1.52 | 0.42 |
| 3/4 | 98.55 | 12.70 | 15.75 | 4 | 69.85 | 42.93 | 1.52 | 0.62 |
| 1 | 107.95 | 14.22 | 15.75 | 4 | 79.25 | 50.80 | 1.52 | 0.86 |
| 1.1/4 | 117.35 | 15.75 | 15.75 | 4 | 88.90 | 63.50 | 1.52 | 1.16 |
| 1.1/2 | 127.00 | 17.53 | 15.75 | 4 | 98.55 | 73.15 | 1.52 | 1.54 |
| 2 | 152.40 | 19.05 | 19.05 | 4 | 120.65 | 91.95 | 1.52 | 2.43 |
| 2.1/2 | 177.80 | 22.35 | 19.05 | 4 | 139.70 | 104.65 | 1.52 | 3.98 |
| 3 | 190.50 | 23.88 | 19.05 | 4 | 152.40 | 127.00 | 1.52 | 4.95 |
| 3.1/2 | 215.90 | 23.88 | 19.05 | 8 | 177.80 | 139.70 | 1.52 | 6.21 |
| 4 | 228.60 | 23.88 | 19.05 | 8 | 190.50 | 157.23 | 1.52 | 7.04 |
| 5 | 254.00 | 23.88 | 22.35 | 8 | 215.90 | 185.67 | 1.52 | 8.67 |
| 6 | 279.40 | 25.40 | 22.35 | 8 | 241.30 | 215.90 | 1.52 | 11.34 |
| 8 | 342.90 | 28.45 | 22.35 | 8 | 298.45 | 269.75 | 1.52 | 19.54 |
| 10 | 406.40 | 30.23 | 25.40 | 12 | 361.95 | 323.85 | 1.52 | 28.85 |
| 12 | 482.60 | 31.75 | 25.40 | 12 | 431.80 | 381.00 | 1.52 | 43.33 |
| 14 | 533.40 | 35.05 | 28.45 | 12 | 476.25 | 412.75 | 1.52 | 58.41 |
| 16 | 596.90 | 36.58 | 28.45 | 16 | 539.75 | 469.90 | 1.52 | 76.28 |
| 18 | 635.00 | 39.62 | 31.75 | 16 | 577.85 | 533.40 | 1.52 | 93.60 |
| 20 | 698.50 | 42.93 | 31.75 | 20 | 635.00 | 584.20 | 1.52 | 122.62 |
| 24 | 812.80 | 47.75 | 35.05 | 20 | 749.30 | 692.15 | 1.52 | 185.79 |
| INCH | D | t | h | No | K | G | f | KG |
| 1/2 | 95.25 | 14.22 | 15.75 | 4 | 66.55 | 35.05 | 1.52 | 0.64 |
| 3/4 | 117.35 | 15.75 | 19.05 | 4 | 82.55 | 42.93 | 1.52 | 1.10 |
| 1 | 123.95 | 17.53 | 19.05 | 4 | 88.90 | 50.80 | 1.52 | 1.40 |
| 1.1/4 | 133.35 | 19.05 | 19.05 | 4 | 98.55 | 63.50 | 1.52 | 1.80 |
| 1.1/2 | 155.45 | 20.57 | 22.35 | 4 | 114.30 | 73.15 | 1.52 | 2.65 |
| 2 | 165.10 | 22.35 | 19.05 | 8 | 127.00 | 91.95 | 1.52 | 3.21 |
| 2.1/2 | 190.50 | 25.40 | 22.35 | 8 | 149.35 | 104.65 | 1.52 | 4.86 |
| 3 | 209.55 | 28.45 | 22.35 | 8 | 168.15 | 127.00 | 1.52 | 6.78 |
| 3.1/2 | 228.60 | 30.23 | 22.35 | 8 | 184.15 | 139.70 | 1.52 | 8.73 |
| 4 | 254.00 | 31.75 | 22.35 | 8 | 200.15 | 157.23 | 1.52 | 11.51 |
| 5 | 279.40 | 35.05 | 22.35 | 8 | 234.95 | 185.67 | 1.52 | 15.63 |
| 6 | 317.50 | 36.58 | 22.35 | 12 | 269.75 | 215.90 | 1.52 | 20.93 |
| 8 | 381.00 | 41.15 | 25.40 | 12 | 330.20 | 269.75 | 1.52 | 34.26 |
| 10 | 444.50 | 47.75 | 28.45 | 16 | 387.35 | 323.85 | 1.52 | 53.61 |
| 12 | 520.70 | 50.80 | 31.75 | 16 | 450.85 | 381.00 | 1.52 | 78.84 |
| 14 | 584.20 | 53.85 | 31.75 | 20 | 514.35 | 412.75 | 1.52 | 105.20 |
| 16 | 647.70 | 57.15 | 35.05 | 20 | 571.50 | 469.90 | 1.52 | 137.53 |
| 18 | 711.20 | 60.45 | 35.05 | 24 | 628.65 | 533.40 | 1.52 | 175.73 |
| 20 | 774.70 | 63.50 | 35.05 | 24 | 685.80 | 584.20 | 1.52 | 221.27 |
| 24 | 914.40 | 69.85 | 41.15 | 24 | 812.80 | 692.15 | 1.52 | 339.61 |
| INCH | D | t | h | No | K | G | f | KG |
| 1/2 | 95.25 | 14.22 | 15.75 | 4 | 66.55 | 35.05 | 6.35 | 0.76 |
| 3/4 | 117.35 | 15.75 | 19.05 | 4 | 82.55 | 42.93 | 6.35 | 1.27 |
| 1 | 123.95 | 17.53 | 19.05 | 4 | 88.90 | 50.80 | 6.35 | 1.60 |
| 1.1/4 | 133.35 | 20.57 | 19.05 | 4 | 98.55 | 63.50 | 6.35 | 2.23 |
| 1.1/2 | 155.45 | 22.35 | 22.35 | 4 | 114.30 | 73.15 | 6.35 | 3.26 |
| 2 | 165.10 | 25.40 | 19.05 | 8 | 127.00 | 91.95 | 6.35 | 4.14 |
| 2.1/2 | 190.50 | 28.45 | 22.35 | 8 | 149.35 | 104.65 | 6.35 | 6.09 |
| 3 | 209.55 | 31.75 | 22.35 | 8 | 168.15 | 127.00 | 6.35 | 8.44 |
| 3.1/2 | 228.60 | 35.05 | 25.40 | 8 | 184.15 | 139.70 | 6.35 | 10.94 |
| 4 | 273.05 | 38.10 | 25.40 | 8 | 215.90 | 157.23 | 6.35 | 17.27 |
| 5 | 330.20 | 44.45 | 28.45 | 8 | 266.70 | 185.67 | 6.35 | 29.46 |
| 6 | 355.60 | 47.75 | 28.45 | 12 | 292.10 | 215.90 | 6.35 | 36.1 |
| 8 | 419.10 | 55.63 | 31.75 | 12 | 349.25 | 269.75 | 6.35 | 58.94 |
| 10 | 508.00 | 63.50 | 35.05 | 16 | 431.80 | 323.85 | 6.35 | 97.44 |
| 12 | 558.80 | 66.55 | 35.05 | 20 | 488.95 | 381.00 | 6.35 | 123.72 |
| 14 | 603.25 | 69.85 | 38.10 | 20 | 527.05 | 412.75 | 6.35 | 150.89 |
| 16 | 685.80 | 76.20 | 41.15 | 20 | 603.25 | 469.90 | 6.35 | 213.69 |
| 18 | 742.95 | 82.55 | 44.45 | 20 | 654.05 | 533.40 | 6.35 | 271.96 |
| 20 | 812.80 | 88.90 | 44.45 | 24 | 723.90 | 584.20 | 6.35 | 349.47 |
| 24 | 939.80 | 101.60 | 50.80 | 24 | 838.20 | 692.15 | 6.35 | 533.21 |
| INCH | D | t | h | No | K | G | f | KG |
| 1/2 | 120.65 | 22.35 | 22.35 | 4 | 82.55 | 35.05 | 6.35 | 1.78 |
| 3/4 | 130.05 | 25.40 | 22.35 | 4 | 88.90 | 42.93 | 6.35 | 2.41 |
| 1 | 149.35 | 28.45 | 25.40 | 4 | 101.60 | 50.80 | 6.35 | 3.56 |
| 1.1/4 | 158.75 | 28.45 | 25.40 | 4 | 111.25 | 63.50 | 6.35 | 4.13 |
| 1.1/2 | 177.80 | 31.75 | 28.45 | 4 | 123.95 | 73.15 | 6.35 | 5.76 |
| 2 | 215.90 | 38.10 | 25.40 | 8 | 165.10 | 91.95 | 6.35 | 10.07 |
| 2.1/2 | 244.35 | 41.15 | 28.45 | 8 | 190.50 | 104.65 | 6.35 | 13.9 |
| 3 | 241.30 | 38.10 | 25.40 | 8 | 190.50 | 127.00 | 6.35 | 13.10 |
| 4 | 292.10 | 44.45 | 31.75 | 8 | 234.95 | 157.23 | 6.35 | 22.14 |
| 5 | 349.25 | 50.80 | 35.05 | 8 | 279.40 | 185.67 | 6.35 | 36.47 |
| 6 | 381.00 | 55.63 | 31.75 | 12 | 317.50 | 215.90 | 6.35 | 47.46 |
| 8 | 469.90 | 63.50 | 38.10 | 12 | 393.70 | 269.75 | 6.35 | 82.47 |
| 10 | 546.10 | 69.85 | 38.10 | 16 | 469.90 | 323.85 | 6.35 | 122.54 |
| 12 | 609.60 | 79.25 | 38.10 | 20 | 533.40 | 381.00 | 6.35 | 173.07 |
| 14 | 641.35 | 85.85 | 41.15 | 20 | 558.80 | 412.75 | 6.35 | 206.46 |
| 16 | 704.85 | 88.90 | 44.45 | 20 | 615.95 | 469.90 | 6.35 | 259.29 |
| 18 | 787.40 | 101.60 | 50.80 | 20 | 685.80 | 533.40 | 6.35 | 367.18 |
| 20 | 857.25 | 107.95 | 53.85 | 20 | 749.30 | 584.20 | 6.35 | 463.86 |
| 24 | 1041.40 | 139.70 | 66.55 | 20 | 901.70 | 692.15 | 6.35 | 876.56 |
| INCH | D | t | h | No | K | G | f | KG |
| 1/2 | 120.65 | 22.35 | 22.35 | 4 | 82.55 | 35.05 | 6.35 | 1.78 |
| 3/4 | 130.05 | 25.40 | 22.35 | 4 | 88.90 | 42.93 | 6.35 | 2.41 |
| 1 | 149.35 | 28.45 | 25.40 | 4 | 101.60 | 50.80 | 6.35 | 3.56 |
| 1.1/4 | 158.75 | 28.45 | 25.40 | 4 | 111.25 | 63.50 | 6.35 | 4.13 |
| 1.1/2 | 177.80 | 31.75 | 28.45 | 4 | 123.95 | 73.15 | 6.35 | 5.76 |
| 2 | 215.90 | 38.10 | 25.40 | 8 | 165.10 | 91.95 | 6.35 | 10.07 |
| 2.1/2 | 244.35 | 41.15 | 28.45 | 8 | 190.50 | 104.65 | 6.35 | 13.93 |
| 3 | 266.70 | 47.75 | 31.75 | 8 | 203.20 | 127.00 | 6.35 | 19.20 |
| 4 | 311.15 | 53.85 | 35.05 | 8 | 241.30 | 157.23 | 6.35 | 29.85 |
| 5 | 374.65 | 73.15 | 41.15 | 8 | 292.10 | 185.67 | 6.35 | 58.54 |
| 6 | 393.70 | 82.55 | 38.10 | 12 | 317.50 | 215.90 | 6.35 | 71.85 |
| 8 | 482.60 | 91.95 | 44.45 | 12 | 393.70 | 269.75 | 6.35 | 121.44 |
| 10 | 584.20 | 107.95 | 50.80 | 12 | 482.60 | 323.85 | 6.35 | 210.64 |
| 12 | 673.10 | 123.95 | 53.85 | 16 | 571.50 | 381.00 | 6.35 | 316.46 |
| 14 | 749.30 | 133.35 | 60.45 | 16 | 635.00 | 412.75 | 6.35 | 420.20 |
| 16 | 825.50 | 146.05 | 66.55 | 16 | 704.85 | 469.90 | 6.35 | 558.45 |
| 18 | 914.40 | 162.05 | 73.15 | 16 | 774.70 | 533.40 | 6.35 | 760.98 |
| 20 | 984.25 | 177.80 | 79.25 | 16 | 831.85 | 584.20 | 6.35 | 965.15 |
| 24 | 1168.40 | 203.20 | 91.95 | 16 | 990.60 | 692.15 | 6.35 | 1559.56 |
| INCH | D | t | h | No | K | G | f | KG |
| 1/2 | 133.35 | 30.23 | 22.35 | 4 | 88.90 | 35.05 | 6.35 | 2.99 |
| 3/4 | 139.70 | 31.75 | 22.35 | 4 | 95.25 | 42.93 | 6.35 | 3.50 |
| 1 | 158.75 | 35.05 | 25.40 | 4 | 107.95 | 50.80 | 6.35 | 4.99 |
| 1.1/4 | 184.15 | 38.10 | 28.45 | 4 | 130.05 | 63.50 | 6.35 | 7.36 |
| 1.1/2 | 203.20 | 44.45 | 31.75 | 4 | 146.05 | 73.15 | 6.35 | 10.42 |
| 2 | 234.95 | 50.80 | 28.45 | 8 | 171.45 | 91.95 | 6.35 | 15.59 |
| 2.1/2 | 266.70 | 57.15 | 31.75 | 8 | 196.85 | 104.65 | 6.35 | 22.65 |
| 3 | 304.80 | 66.55 | 35.05 | 8 | 228.60 | 127.00 | 6.35 | 34.72 |
| 4 | 355.60 | 76.20 | 41.15 | 8 | 273.05 | 157.23 | 6.35 | 54.01 |
| 5 | 419.10 | 91.95 | 47.75 | 8 | 323.85 | 185.67 | 6.35 | 90.58 |
| 6 | 482.60 | 107.95 | 53.85 | 8 | 368.30 | 215.90 | 6.35 | 141.39 |
| 8 | 552.45 | 127.00 | 53.85 | 12 | 438.15 | 269.75 | 6.35 | 214.58 |
| 10 | 673.10 | 165.10 | 66.55 | 12 | 539.75 | 323.85 | 6.35 | 411.18 |
| 12 | 762.00 | 184.15 | 73.15 | 12 | 619.25 | 381.00 | 6.35 | 592.02 |

| INCH | D | B2 | t | T2 | X | h | No | K | G | f | KG |
| 1/2 | 88.90 | 22.35 | 11.18 | 15.75 | 30.23 | 15.75 | 4 | 60.45 | 35.05 | 1.52 | 0.40 |
| 3/4 | 98.55 | 27.69 | 12.70 | 15.75 | 38.10 | 15.75 | 4 | 69.85 | 42.93 | 1.52 | 0.57 |
| 1 | 107.95 | 34.54 | 14.22 | 17.53 | 49.28 | 15.75 | 4 | 79.25 | 50.80 | 1.52 | 0.78 |
| 1.1/4 | 117.35 | 43.18 | 15.75 | 20.57 | 58.67 | 15.75 | 4 | 88.90 | 63.50 | 1.52 | 1.02 |
| 1.1/2 | 127.00 | 49.53 | 17.53 | 22.35 | 65.02 | 15.75 | 4 | 98.55 | 73.15 | 1.52 | 1.33 |
| 2 | 152.40 | 61.98 | 19.05 | 25.40 | 77.72 | 19.05 | 4 | 120.65 | 91.95 | 1.52 | 2.07 |
| 2.1/2 | 177.80 | 74.68 | 22.35 | 28.45 | 90.42 | 19.05 | 4 | 139.70 | 104.65 | 1.52 | 3.31 |
| 3 | 190.50 | 90.68 | 23.88 | 30.23 | 107.95 | 19.05 | 4 | 152.40 | 127.00 | 1.52 | 3.88 |
| 3.1/2 | 215.90 | 103.38 | 23.88 | 31.75 | 122.17 | 19.05 | 8 | 177.80 | 139.70 | 1.52 | 4.84 |
| 4 | 228.60 | 116.08 | 23.88 | 33.27 | 134.87 | 19.05 | 8 | 190.50 | 157.23 | 1.52 | 5.32 |
| 5 | 254.00 | 143.76 | 23.88 | 36.58 | 163.58 | 22.35 | 8 | 215.90 | 185.67 | 1.52 | 6.10 |
| 6 | 279.40 | 170.69 | 25.40 | 39.62 | 192.02 | 22.35 | 8 | 241.30 | 215.90 | 1.52 | 7.46 |
| 8 | 342.90 | 221.49 | 28.45 | 44.45 | 246.13 | 22.35 | 8 | 298.45 | 269.75 | 1.52 | 12.07 |
| 10 | 406.40 | 276.35 | 30.23 | 49.28 | 304.80 | 25.40 | 12 | 361.95 | 323.85 | 1.52 | 16.56 |
| 12 | 482.60 | 327.15 | 31.75 | 55.63 | 365.25 | 25.40 | 12 | 431.80 | 381.00 | 1.52 | 26.26 |
| 14 | 533.40 | 359.16 | 35.05 | 57.15 | 400.05 | 28.45 | 12 | 476.25 | 412.75 | 1.52 | 34.76 |
| 16 | 596.90 | 410.46 | 36.58 | 63.50 | 457.20 | 28.45 | 16 | 539.75 | 469.90 | 1.52 | 45.02 |
| 18 | 635.00 | 461.77 | 39.62 | 68.33 | 504.95 | 31.75 | 16 | 577.85 | 533.40 | 1.52 | 48.90 |
| 20 | 698.50 | 513.08 | 42.93 | 73.15 | 558.80 | 31.75 | 20 | 635.00 | 584.20 | 1.52 | 62.07 |
| 24 | 812.80 | 615.95 | 47.75 | 82.55 | 663.45 | 35.05 | 20 | 749.30 | 692.15 | 1.52 | 87.13 |
| INCH | D | B2 | t | T2 | X | h | No | K | G | f | KG |
| 1/2 | 95.25 | 22.35 | 14.22 | 22.35 | 38.10 | 15.75 | 4 | 66.55 | 35.05 | 1.52 | 0.65 |
| 3/4 | 117.35 | 27.69 | 15.75 | 25.40 | 47.75 | 19.05 | 4 | 82.55 | 42.93 | 1.52 | 1.11 |
| 1 | 123.95 | 34.54 | 17.53 | 26.92 | 53.85 | 19.05 | 4 | 88.90 | 50.80 | 1.52 | 1.37 |
| 1.1/4 | 133.35 | 43.18 | 19.05 | 26.92 | 63.50 | 19.05 | 4 | 98.55 | 63.50 | 1.52 | 1.6 |
| 1.1/2 | 155.45 | 49.53 | 20.57 | 30.23 | 69.85 | 22.35 | 4 | 114.30 | 73.15 | 1.52 | 2.4 |
| 2 | 165.10 | 61.98 | 22.35 | 33.27 | 84.07 | 19.05 | 8 | 127.00 | 91.95 | 1.52 | 2.89 |
| 2.1/2 | 190.50 | 74.68 | 25.40 | 38.10 | 100.08 | 22.35 | 8 | 149.35 | 104.65 | 1.52 | 4.33 |
| 3 | 209.55 | 90.68 | 28.45 | 42.93 | 117.35 | 22.35 | 8 | 168.15 | 127.00 | 1.52 | 5.83 |
| 3.1/2 | 228.60 | 103.38 | 30.23 | 44.45 | 133.35 | 22.35 | 8 | 184.15 | 139.70 | 1.52 | 7.36 |
| 4 | 254.00 | 116.08 | 31.75 | 47.75 | 146.05 | 22.35 | 8 | 200.15 | 157.23 | 1.52 | 9.65 |
| 5 | 279.40 | 143.76 | 35.05 | 50.80 | 177.80 | 22.35 | 8 | 234.95 | 185.67 | 1.52 | 12.23 |
| 6 | 317.50 | 170.69 | 36.58 | 52.32 | 206.25 | 22.35 | 12 | 269.75 | 215.90 | 1.52 | 15.66 |
| 8 | 381.00 | 221.49 | 41.15 | 61.98 | 260.35 | 25.40 | 12 | 330.20 | 269.75 | 1.52 | 24.22 |
| 10 | 444.50 | 276.35 | 47.75 | 66.55 | 320.55 | 28.45 | 16 | 387.35 | 323.85 | 1.52 | 34.18 |
| 12 | 520.70 | 327.15 | 50.80 | 73.15 | 374.65 | 31.75 | 16 | 450.85 | 381.00 | 1.52 | 49.91 |
| 14 | 584.20 | 359.16 | 53.85 | 76.20 | 425.45 | 31.75 | 20 | 514.35 | 412.75 | 1.52 | 69.54 |
| 16 | 647.70 | 410.46 | 57.15 | 82.55 | 482.60 | 35.05 | 20 | 571.50 | 469.90 | 1.52 | 88.25 |
| 18 | 711.20 | 461.77 | 60.45 | 88.90 | 533.40 | 35.05 | 24 | 628.65 | 533.40 | 1.52 | 108.76 |
| 20 | 774.70 | 513.08 | 63.50 | 95.25 | 587.25 | 35.05 | 24 | 685.80 | 584.20 | 1.52 | 134.18 |
| 24 | 914.40 | 615.95 | 69.85 | 106.43 | 701.55 | 41.15 | 24 | 812.80 | 692.15 | 1.52 | 201.66 |
| INCH | D | B2 | t | T2 | X | h | No | K | G | f | KG |
| 1/2 | 95.25 | 22.35 | 14.22 | 22.35 | 38.10 | 15.75 | 4 | 66.55 | 35.05 | 6.35 | 0.74 |
| 3/4 | 117.35 | 27.69 | 15.75 | 25.40 | 47.75 | 19.05 | 4 | 82.55 | 42.93 | 6.35 | 1.25 |
| 1 | 123.95 | 34.54 | 17.53 | 26.92 | 53.85 | 19.05 | 4 | 88.90 | 50.80 | 6.35 | 1.53 |
| 1.1/4 | 133.35 | 43.18 | 20.57 | 28.45 | 63.50 | 19.05 | 4 | 98.55 | 63.50 | 6.35 | 2.02 |
| 1.1/2 | 155.45 | 49.53 | 22.35 | 31.75 | 69.85 | 22.35 | 4 | 114.30 | 73.15 | 6.35 | 2.97 |
| 2 | 165.10 | 61.98 | 25.40 | 36.58 | 84.07 | 19.05 | 8 | 127.00 | 91.95 | 6.35 | 3.62 |
| 2.1/2 | 190.50 | 74.68 | 28.45 | 41.15 | 100.08 | 22.35 | 8 | 149.35 | 104.65 | 6.35 | 5.24 |
| 3 | 209.55 | 90.68 | 31.75 | 45.97 | 117.35 | 22.35 | 8 | 168.15 | 127.00 | 6.35 | 7.00 |
| 3.1/2 | 228.60 | 103.38 | 35.05 | 49.28 | 133.35 | 25.40 | 8 | 184.15 | 139.70 | 6.35 | 8.84 |
| 4 | 273.05 | 116.08 | 38.10 | 53.85 | 152.40 | 25.40 | 8 | 215.90 | 157.23 | 6.35 | 14.52 |
| 5 | 330.20 | 143.76 | 44.45 | 60.45 | 188.98 | 28.45 | 8 | 266.70 | 185.67 | 6.35 | 24.47 |
| 6 | 355.60 | 170.69 | 47.75 | 66.55 | 222.25 | 28.45 | 12 | 292.10 | 215.90 | 6.35 | 28.82 |
| 8 | 419.10 | 221.49 | 55.63 | 76.20 | 273.05 | 31.75 | 12 | 349.25 | 269.75 | 6.35 | 43.43 |
| 10 | 508.00 | 276.35 | 63.50 | 85.85 | 342.90 | 35.05 | 16 | 431.80 | 323.85 | 6.35 | 70.23 |
| 12 | 558.80 | 327.15 | 66.55 | 91.95 | 400.05 | 35.05 | 20 | 488.95 | 381.00 | 6.35 | 83.92 |
| 14 | 603.25 | 359.16 | 69.85 | 93.73 | 431.80 | 38.10 | 20 | 527.05 | 412.75 | 6.35 | 98.74 |
| 16 | 685.80 | 410.46 | 76.20 | 106.43 | 495.30 | 41.15 | 20 | 603.25 | 469.90 | 6.35 | 142.27 |
| 18 | 742.95 | 461.77 | 82.55 | 117.35 | 546.10 | 44.45 | 20 | 654.05 | 533.40 | 6.35 | 173.32 |
| 20 | 812.80 | 513.08 | 88.90 | 127.00 | 609.60 | 44.45 | 24 | 723.90 | 584.20 | 6.35 | 220.33 |
| 24 | 939.80 | 615.95 | 101.60 | 139.70 | 717.55 | 50.80 | 24 | 838.20 | 692.15 | 6.35 | 312.53 |
| INCH | D | B2 | t | T2 | X | h | No | K | G | f | KG |
| 1/2 | 120.65 | 22.35 | 22.35 | 31.75 | 38.10 | 22.35 | 4 | 82.55 | 35.05 | 6.35 | 1.75 |
| 3/4 | 130.05 | 27.69 | 25.40 | 35.05 | 44.45 | 22.35 | 4 | 88.90 | 42.93 | 6.35 | 2.33 |
| 1 | 149.35 | 34.54 | 28.45 | 41.15 | 52.32 | 25.40 | 4 | 101.60 | 50.80 | 6.35 | 3.43 |
| 1.1/4 | 158.75 | 43.18 | 28.45 | 41.15 | 63.50 | 25.40 | 4 | 111.25 | 63.50 | 6.35 | 3.90 |
| 1.1/2 | 177.80 | 49.53 | 31.75 | 44.45 | 69.85 | 28.45 | 4 | 123.95 | 73.15 | 6.35 | 5.38 |
| 2 | 215.90 | 61.98 | 38.10 | 57.15 | 104.65 | 25.40 | 8 | 165.10 | 91.95 | 6.35 | 9.85 |
| 2.1/2 | 244.35 | 74.68 | 41.15 | 63.50 | 123.95 | 28.45 | 8 | 190.50 | 104.65 | 6.35 | 13.65 |
| 3 | 241.30 | 90.68 | 38.10 | 53.85 | 127.00 | 25.40 | 8 | 190.50 | 127.00 | 6.35 | 11.61 |
| 4 | 292.10 | 116.08 | 44.45 | 69.85 | 158.75 | 31.75 | 8 | 234.95 | 157.23 | 6.35 | 19.76 |
| 5 | 349.25 | 143.76 | 50.80 | 79.25 | 190.50 | 35.05 | 8 | 279.40 | 185.67 | 6.35 | 31.93 |
| 6 | 381.00 | 170.69 | 55.63 | 85.85 | 234.95 | 31.75 | 12 | 317.50 | 215.90 | 6.35 | 41.19 |
| 8 | 469.90 | 221.49 | 63.50 | 101.60 | 298.45 | 38.10 | 12 | 393.70 | 269.75 | 6.35 | 70.75 |
| 10 | 546.10 | 276.35 | 69.85 | 107.95 | 368.30 | 38.10 | 16 | 469.90 | 323.85 | 6.35 | 100.58 |
| 12 | 609.60 | 327.15 | 79.25 | 117.35 | 419.10 | 38.10 | 20 | 533.40 | 381.00 | 6.35 | 132.70 |
| 14 | 641.35 | 359.16 | 85.85 | 130.05 | 450.85 | 41.15 | 20 | 558.80 | 412.75 | 6.35 | 153.37 |
| 16 | 704.85 | 410.46 | 88.90 | 133.35 | 508.00 | 44.45 | 20 | 615.95 | 469.90 | 6.35 | 184.90 |
| 18 | 787.40 | 461.77 | 101.60 | 152.40 | 565.15 | 50.80 | 20 | 685.80 | 533.40 | 6.35 | 258.51 |
| 20 | 857.25 | 513.08 | 107.95 | 158.75 | 622.30 | 53.85 | 20 | 749.30 | 584.20 | 6.35 | 317.19 |
| 24 | 1041.40 | 615.95 | 139.70 | 203.20 | 749.30 | 66.55 | 20 | 901.70 | 692.15 | 6.35 | 606.21 |
| INCH | D | B2 | t | T2 | X | h | No | K | G | f | KG |
| 1/2 | 120.65 | 22.35 | 22.35 | 31.75 | 38.10 | 22.35 | 4 | 82.55 | 35.05 | 6.35 | 1.75 |
| 3/4 | 130.05 | 27.69 | 25.40 | 35.05 | 44.45 | 22.35 | 4 | 88.90 | 42.93 | 6.35 | 2.33 |
| 1 | 149.35 | 34.54 | 28.45 | 41.15 | 52.32 | 25.40 | 4 | 101.60 | 50.80 | 6.35 | 3.43 |
| 1.1/4 | 158.75 | 43.18 | 28.45 | 41.15 | 63.50 | 25.40 | 4 | 111.25 | 63.50 | 6.35 | 3.90 |
| 1.1/2 | 177.80 | 49.53 | 31.75 | 44.45 | 69.85 | 28.45 | 4 | 123.95 | 73.15 | 6.35 | 5.38 |
| 2 | 215.90 | 61.98 | 38.10 | 57.15 | 104.65 | 25.40 | 8 | 165.10 | 91.95 | 6.35 | 9.85 |
| 2.1/2 | 244.35 | 74.68 | 41.15 | 63.50 | 123.95 | 28.45 | 8 | 190.50 | 104.65 | 6.35 | 13.65 |
| 3 | 266.70 | 90.68 | 47.75 | 73.15 | 133.35 | 31.75 | 8 | 203.20 | 127.00 | 6.35 | 17.95 |
| 4 | 311.15 | 116.08 | 53.85 | 90.42 | 162.05 | 35.05 | 8 | 241.30 | 157.23 | 6.35 | 27.73 |
| 5 | 374.65 | 143.76 | 73.15 | 104.65 | 196.85 | 41.15 | 8 | 292.10 | 185.67 | 6.35 | 51.93 |
| 6 | 393.70 | 170.69 | 82.55 | 119.13 | 228.60 | 38.10 | 12 | 317.50 | 215.90 | 6.35 | 61.09 |
| 8 | 482.60 | 221.49 | 91.95 | 142.75 | 292.10 | 44.45 | 12 | 393.70 | 269.75 | 6.35 | 103.07 |
| 10 | 584.20 | 276.35 | 107.95 | 158.75 | 368.30 | 50.80 | 12 | 482.60 | 323.85 | 6.35 | 175.39 |
| 12 | 673.10 | 327.15 | 123.95 | 180.85 | 450.85 | 53.85 | 16 | 571.50 | 381.00 | 6.35 | 264.24 |
| INCH | D | B2 | t | T2 | X | h | No | K | G | f | KG |
| 1/2 | 133.35 | 22.35 | 30.23 | 39.62 | 42.93 | 22.35 | 4 | 88.90 | 35.05 | 6.35 | 2.96 |
| 3/4 | 139.70 | 27.69 | 31.75 | 42.93 | 50.80 | 22.35 | 4 | 95.25 | 42.93 | 6.35 | 3.45 |
| 1 | 158.75 | 34.54 | 35.05 | 47.75 | 57.15 | 25.40 | 4 | 107.95 | 50.80 | 6.35 | 4.85 |
| 1.1/4 | 184.15 | 43.18 | 38.10 | 52.32 | 73.15 | 28.45 | 4 | 130.05 | 63.50 | 6.35 | 7.1 |
| 1.1/2 | 203.20 | 49.53 | 44.45 | 60.45 | 79.25 | 31.75 | 4 | 146.05 | 73.15 | 6.35 | 10.0 |
| 2 | 234.95 | 61.98 | 50.80 | 69.85 | 95.25 | 28.45 | 8 | 171.45 | 91.95 | 6.35 | 14.85 |
| 2.1/2 | 266.70 | 74.68 | 57.15 | 79.25 | 114.30 | 31.75 | 8 | 196.85 | 104.65 | 6.35 | 21.49 |
| 3 | 304.80 | 90.68 | 66.55 | 91.95 | 133.35 | 35.05 | 8 | 228.60 | 127.00 | 6.35 | 32.52 |
| 4 | 355.60 | 116.08 | 76.20 | 107.95 | 165.10 | 41.15 | 8 | 273.05 | 157.23 | 6.35 | 49.85 |
| 5 | 419.10 | 143.76 | 91.95 | 130.05 | 203.20 | 47.75 | 8 | 323.85 | 185.67 | 6.35 | 82.90 |
| 6 | 482.60 | 170.69 | 107.95 | 152.40 | 234.95 | 53.85 | 8 | 368.30 | 215.90 | 6.35 | 128.01 |
| 8 | 552.45 | 221.49 | 127.00 | 177.80 | 304.80 | 53.85 | 12 | 438.15 | 269.75 | 6.35 | 187.97 |
| 10 | 673.10 | 276.35 | 165.10 | 228.60 | 374.65 | 66.55 | 12 | 539.75 | 323.85 | 6.35 | 355.51 |
| 12 | 762.00 | 327.15 | 184.15 | 254.00 | 441.45 | 73.15 | 12 | 619.25 | 381.00 | 6.35 | 504.15 |

|
Nominal Pipe Size |
A-THREAD LENGTHS, INCHES | ||||||
| Class 150 | Class 300 | Class 400 | Class 600 | Class 900 | Class 1500 | Class 2500 | |
| 1/2 | 0.625 | 0.625 | 0.625 | 0.625 | 0.875 | 0.875 | 1.125 |
| 3/4 | 0.625 | 0.625 | 0.625 | 0.625 | 1.000 | 1.000 | 1.250 |
| 1 | 0.688 | 0.688 | 0.688 | 0.688 | 1.125 | 1.125 | 1.375 |
| 11/4 | 0.813 | 0.813 | 0.813 | 0.813 | 1.188 | 1.860 | 1.500 |
| 11/2 | 0.875 | 0.875 | 0.875 | 0.875 | 1.250 | 1.250 | 1.750 |
| 2 | 1.000 | 1.125 | 1.125 | 1.125 | 1.500 | 1.500 | 2.000 |
| 21/2 | 1.125 | 1.250 | 1.250 | 1.250 | 1.875 | 1.875 | 2.250 |
| 3 | 1.186 | 1.250 | 1.375 | 1.375 | 1.625 | 2.000 | 2.500 |
| 31/2 | 1.250 | 1.438 | 1.563 | 1.563 | - | - | - |
| 4 | 1.313 | 1.438 | 1.438 | 1.625 | 1.875 | 2.250 | 2.750 |
| 5 | 1.438 | 1.688 | 1.688 | 1.875 | 2.125 | 2.500 | 3.000 |
| 6 | 1.563 | 1.813 | 1.813 | 2.000 | 2.250 | 2.750 | 3.250 |
| 8 | 1.750 | 2.000 | 2.000 | 2.375 | 2.500 | 3.000 | 3.750 |
| 10 | 1.938 | 2.188 | 2.188 | 2.563 | 2.813 | 3.313 | 4.250 |
| 12 | 2.188 | 2.375 | 2.375 | 2.750 | 3.000 | 3.625 | 4.750 |
| 14 | 2.250 | 2.500 | 2.500 | 2.875 | 3.250 | - | - |
| 16 | 2.500 | 2.688 | 2.688 | 3.063 | 3.375 | - | - |
| 18 | 2.688 | 2.750 | 2.750 | 3.125 | 3.500 | - | - |
| 20 | 2.750 | 2.875 | 2.875 | 3.250 | 3.625 | - | - |
| 24 | 3.250 | 3.250 | 3.250 | 3.625 | 4.000 | - | - |
| Ouside Diameter | W hen O.D. is 24” or less | ±1/16”(1.6mm)* |
| W hen O.D. is Over 24” | ±1/8”(3.2mm)* | |
| Inside Diameter | Threaded | W ithin limits on boring gauge |
| Socket-Welding, Slip-on and Lap Joint |
10” & Smaller +1/32”(0.88mm),-0” 12” & Larger +1/16” (1.6mm),-0” |
|
| Outside Diameter of Hub | 5” and Smaller |
+3/32” (2.4mm)* -1/32” (0.8mm) |
| 6” and Larger |
+5/32” (4.0mm) -1/32” (0.8mm) |
|
| Diameter of Contract Face | 1/16” Raised Fac | ±1/32” (0.8mm) |
| 1/4” Raised Face Tongue & Groove Male, Fem ale | ±1/64” (0.4mm) | |
| Diameter of Counterbore | Same as for Inside Diameter | |
| Drilling | Bolt Circle | ±1/16” (1.6mm) |
| Bolt Hole Spacin | ±1/32” (0.8mm) | |
| Eccentricity of Bolt Circle with Respect to Facing |
21/2” Smaller 1/32” (0.8mm) Max. 3” & Larger 1/16” (1.6mm) Max. |
|
| Eccentricity of Bolt Circle with Respect to Bore | 1/32” (0.8mm) Max.* | |
| Eccentricity of Bolt Circle with Respect to Bore | 1/32” (0.8mm) Max.* | |
| Thicknes | 18” and Smaller | +1/8” (3.2mm).-0” |
| 20” and Larger | +3/16” (4.8mm),-0” | |
|
Length Thru Hub |
10” and Smaller | ±1/16” (1.6mm) |
| 12” and Larger | ±1/8” (3.2mm) | |
|
Ouside Diameter |
W hen O.D. is 24” or less | ±1/16”(1.6mm)* |
| W hen O.D. is Over 24” | ±1/8”(3.2mm)* | |
|
Inside Diameter |
10” and Smaller | ±1/32” (0.8mm) |
| 12” thru 18” | ±1/16” (1.6mm) | |
| 20” and Larger |
±1/8”(3.2mm) -1/16” (1.6mm) |
|
| Diameter of Contract Face | 1/16” Raised Face | ±1/32” (0.8mm) |
|
1/4” Raised Face Tongue & Groove Male, Female |
±1/64” (0.4mm) | |
| Diameter of Hub at Base |
W hen Hub Base is 24” or Smaller |
±1/16 (1.6mm)* |
| W hen Hub Base is Over 24” | ±1/8” (3.2mm)* | |
|
Diameter of Hub at Point of W elding |
5” and Smaller |
+3/32” (2.4mm), -1/32” (0.8mm) |
| 6” and Larger |
+5/32” (4.0mm) -1/32” (0.8mm) |
|
| Drilling | Bolt Circle | ±1/16” (1.6mm) |
| Bolt Hole Spacing | ±1/32” (0.8mm) | |
|
Eccentricity of Bolt Circle with Respect to Facing |
21/2” Smaller 1/32” (0.8mm) Max. 3” & Larger 1/16” (1.6mm) Max. |
|
| Eccentricity of Bolt Circle with Respect to Bore | 1/32” (0.8mm) Max.* | |
| Eccentricity of Bolt Circle with Respect to Bore | 1/32” (0.8mm) Max.* | |
| Thicknes | 18” and Smaller | +1/8” (3.2mm).-0” |
| 20” and Larger | +3/16” (4.8mm),-0” | |
| 10” and Smaller | ±1/16” (1.6mm) | |
| LengthThru Hub | 12” and Larger | ±1/8” (3.2mm) |
QQ: 769693943
Phone: 13816746668
Tel: 021-31001158
Email: 769693943
Add: 上海市金山区沪杭公路4169号