
服务热线021-31001158
您的位置:德国托马斯阀门(Thomas) - 公司新闻

产品信息
产品型号:ml5h
产品口径:DN50-DN1200
产品压力:1.6Mpa-4.0Mpa
产品材质:碳钢 不锈钢
进口GD671H气动高性能蝶阀浮动式阀座应用材料领域较先进的复合材料成果,由号称塑料网的聚四氟乙烯和高回弹性能的硅橡胶复合而成。阀座适用于低温-100℃至200℃的工作温度,配合不同的阀体材质能适用于水、气体、油品等常用介质和食品、医药等工业的纯净介质,以及化工领域的强腐蚀性介质,是名副其实的高性能。
高性能蝶阀连接方式可采用对夹式或用于大管径及管路终端的凸耳式单法兰设计。除了按ASME B16.5、B16.47标准外,还可按用户要求,用于DIN标准、JIS标准和国标等连接尺寸。
蝶阀的启闭件是一个圆盘形的蝶板,在阀体内绕其自身的轴线旋转,从而达到启闭或调节的目的。蝶阀的优点有结构简单、体积小、重量轻、安装尺寸小、开关迅速。
进口气动高性能蝶阀参数: |
| 阀体材质 | 执行器参数 |
| 公称通径:DN50-DN1200(2"~48") | 作用方式:双作用、单作用(弹簧复位) |
| 公称压力:1.0Mpa-6.4Mpa(150LB~300LB) | 气源压力:双作用:3-8bar;单作用:4-8bar |
| 适用温度:-50℃~450℃ | 行程范围:90°(±5) |
| 适用介质:水、蒸汽、油品、腐蚀性介质 | 输出扭矩:双作用:3.9-10560N.m;单作用:8.5-4858N.m |
| 阀体材质:碳钢、铸钢、不锈钢 | 控制方式:开关型、智能调节型 |
| 设计制造:ASME B16.5;B16.47 | 附件选择:电磁阀、定位器、限位开关、三联件、手动机构 |
进口气动高性能蝶阀特性: |
①使用独特的动载密封PTFE阀座设计,弹性好,可靠性高;
②无需增加O型圈或金属部件来保持密封;
③唇缘式密封结构可补偿温度和压力的变化;
④使用寿命长,维修量小;
⑤密封试验,双向达到无气泡泄漏;
⑥耐火/防火阀座,防火型蝶阀设计遵照API607标准。
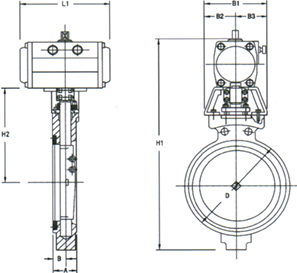
进口气动高性能蝶阀尺寸: |
![]() |
| 主要连接外形和尺寸 |
单位:mm
|
| 通径 | 50 | 65 | 80 | 100 | 125 | 150 | 200 | 250 | 300 | 350 | 400 | 450 | 500 |
| A | 43 | 49 | 49 | 54 | 64 | 57 | 64 | 71 | 81 | 92 | 102 | 114 | 127 |
| H1 | 437 | 460 | 500 | 520 | 555 | 585 | 705 | 790 | 905 | 1135 | 1168 | 1224 | 1268 |

联系电话
微信扫一扫