
服务热线021-31001158
您的位置:德国托马斯阀门(Thomas) - 公司新闻

公称通径:DN15-DN500
公称压力:150LB-900LB
设计温度:-29℃-550℃
连接方式:法兰
适用介质:水、气、油、化工、盐水、燃气,天然气等等介质
进口电动三通球阀是一种德国托马斯按照ANSI B16.34标准设计生产的,德国托马斯三通球阀有T型和L型。T型能使三条正交的管道相互联通和切断第三条通道,起分流、合流作用。L三通球阀型只能连接相互正交的两条管道,不能同时保持第三条管道的相互连通,只起分配作用。
|
|
材料 |
||||||||
|
阀体 |
A216WCB |
A352 LCB |
A217WC6 |
A217WC9 |
A217 C5 |
A351 CF8 |
A351 CF8M |
A351 CF3 |
A351 CF3M |
|
球体 |
A182 F6 |
A182 F304 |
A182 F316 |
A182 F304L |
A182 F316L |
||||
|
阀杆 |
A182 F6 |
A182 F304 |
A182 F316 |
A182 F304L |
A182 F316L |
||||
|
手柄 |
KTH350-10 |
||||||||
|
螺柱 |
A193-B7 A320-L7 A193-B8 |
||||||||
|
螺母 |
A194-2H A194-7 A194-8 |
||||||||

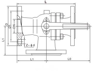
进口三通球阀尺寸图
|
公称通径 |
尺寸(mm) |
||||||
|
D |
D1 |
L |
L1 |
L0 |
H |
Z-φd |
|
|
25 |
115 |
85 |
180 |
90 |
120 |
88 |
4-φ14 |
|
32 |
135 |
100 |
200 |
100 |
180 |
100 |
4-φ18 |
|
40 |
145 |
110 |
220 |
110 |
200 |
110 |
4-φ18 |
|
50 |
160 |
125 |
240 |
120 |
200 |
130 |
4-φ18 |
|
65 |
180 |
145 |
260 |
130 |
220 |
145 |
4-φ18 |
|
80 |
195 |
160 |
280 |
140 |
280 |
165 |
8-φ18 |
|
100 |
215 |
180 |
320 |
160 |
400 |
195 |
8-φ18 |
|
125 |
245 |
210 |
380 |
190 |
980 |
245 |
8-φ18 |
|
150 |
280 |
240 |
440 |
220 |
1400 |
270 |
8-φ23 |
|
200 |
335 |
295 |
550 |
275 |
1500 |
290 |
12-φ23 |
|
250 |
405 |
355 |
670 |
335 |
1500 |
380 |
12-φ23 |
|
300 |
460 |
410 |
720 |
360 |
1500 |
420 |
12-φ23 |

联系电话
微信扫一扫