
服务热线021-31001158
您的位置:德国托马斯阀门(Thomas) - 公司新闻
进口泄压阀是根据压力系统的工作压力自动启闭,一般安装于封闭系统的设备或管路上保护系统安全。当设备或管道内压力超过安全阀设定压力时,即自动开启泄压,保证设备和管道内介质压力在设定压力之下,保护设备和管道正常工作,防止发生意外,减少损失。
泄压阀结构主要有两大类:弹簧式和杠杆式。弹簧式是指阀瓣与阀座的密封靠弹簧的作用力。杠杆式是靠杠杆和重锤的作用力。
随着大容量的需要,又有一种脉冲式泄压阀,也称为先导式泄压阀,由主泄压阀和辅助阀组成。当管道内介质压力超过规定压力值时,辅助阀先开启,介质沿着导管进入主泄压阀,并将主泄压阀打开,使增高的介质压力降低。
品牌:德国MILLER
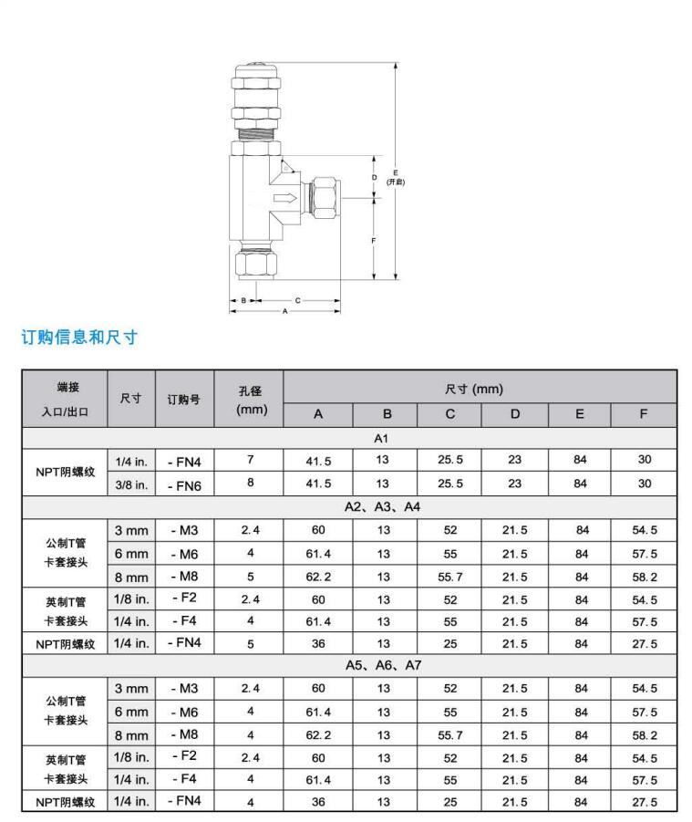
公称通径:DN3-DN25
公称压力:42MPA
设计温度:-29℃-450℃
连接方式:螺纹,卡套
适用介质:水、气、油、化工、盐水、燃气,天然气等等介质


订货须知:请您尽量了解口径、压力、使用介质及工况条件,以便我公司提供更准确、更有针对性的服务。以上阀门产品电子样本所涵盖的参数表、性能表、尺寸表、图片、文字描述等信息,仅为阀门说明书的一部分,供选型参考之用。为了方便我公司生产及技术人员为您准确选型。如您对本文中的阀门产品内容有任何疑问.您可以致电给我们,我们一定会尽心尽力为您提供优质的服务!

联系电话
微信扫一扫